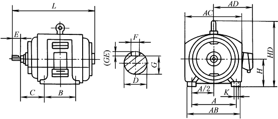
|
B3外形及安装尺寸(IP23)(JB/T 5271—1991、JB/T 5272—1991) mm |
||||||||||||||||||||
|
|
||||||||||||||||||||
|
机座 号 |
安 装 尺 寸 |
外 形 尺 寸 |
||||||||||||||||||
|
D |
E |
F |
G |
H |
A |
A/2 |
B |
C |
K |
AB |
AC |
AD |
HD |
L |
||||||
|
2极 |
4、6、 8、10 极 |
2极 |
4、6、 8、10 极 |
2极 |
4、6、 8、10 极 |
2极 |
4、6、 8、10 极 |
2极 |
4、6、 8、10 极 |
|||||||||||
|
160M |
48k6 |
110 |
14 |
42.5 |
|
254 |
127 |
210 |
108 |
15 |
330 |
380 |
290 |
440 |
676 |
|||||
|
160L |
254 |
|||||||||||||||||||
|
180M |
55m6 |
16 |
49 |
|
279 |
139.5 |
241 |
121 |
15 |
350 |
420 |
325 |
505 |
726 |
||||||
|
180L |
279 |
|||||||||||||||||||
|
200M |
60m6 |
140 |
18 |
53 |
|
318 |
159 |
267 |
133 |
19 |
400 |
465 |
350 |
570 |
820 |
|||||
|
200L |
305 |
886 |
||||||||||||||||||
|
225M |
60m6 |
65m6 |
18 |
53 |
58 |
|
356 |
178 |
311 |
149 |
19 |
450 |
520 |
395 |
640 |
880 |
||||
|
250S |
65m6 |
75m6 |
18 |
20 |
58 |
67.5 |
|
406 |
203 |
311 |
168 |
24 |
510 |
550 |
410 |
710 |
930 |
|||
|
250M |
349 |
960 |
||||||||||||||||||
|
280S |
|
80m6 |
|
170 |
|
22 |
|
71 |
|
457 |
228.5 |
368 |
190 |
24 |
570 |
610 |
485 |
785 |
1090 |
|
|
280M |
65m6 |
140 |
18 |
419 |
1140 |
|||||||||||||||
|
315S |
70m6 |
90m6 |
20 |
25 |
62.5 |
81 |
|
508 |
254 |
406 |
216 |
28 |
680 |
792 |
586 |
928 |
1130 |
1160 |
||
|
315M |
457 |
1240 |
1270 |
|||||||||||||||||
|
355M |
75m6 |
100m6 |
210 |
20 |
28 |
67.5 |
90 |
|
610 |
305 |
560 |
254 |
28 |
|
980 |
630 |
1120 |
1550 |
1620 |
|
|
355L |
630 |
1620 |
1690 |
|||||||||||||||||
|
注:1.安装尺寸符合标准JB/T 5271、JB/T 5272,外形尺寸各厂家稍有不同,选用时应与生产厂家联系。 2.G=D-GE,GE的极限偏差为 |
||||||||||||||||||||

