|
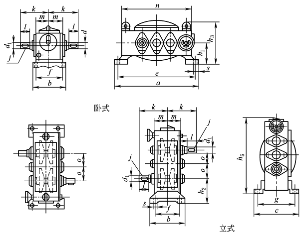
技术参数、外形及安装尺寸 |
|||||||||
|
P型齿链式无级变速器基本型的技术参数见下表1;其外形及安装尺寸见表2。派生型的有关参数见生产厂产品说明书 |
|||||||||
|
表1 P型齿链式无级变速器基本型的技术参数 |
|||||||||
|
型号 |
调速比 Rb |
输入轴 转速n1 /r·min-1 |
输出轴转速 /r·min-1 |
输出功率 /kW |
输出转矩 /N·m |
滑片链型号及节数 |
|||
|
n2max |
n2min |
n2max |
n2min |
n2max |
n2min |
||||
|
P0 |
3 |
720 |
1245 |
415 |
0.559 |
0.426 |
4.28 |
98 |
P0-010026节 |
|
4.5 |
1530 |
340 |
0.559 |
0.349 |
3.84 |
9.8 |
P0-010025节 |
||
|
6 |
1770 |
295 |
0.559 |
0.301 |
2.94 |
9.8 |
P0-010025节 |
||
|
3 |
830 |
1437 |
479 |
0.647 |
0.456 |
4.28 |
9.8 |
P0-010026节 |
|
|
4.5 |
1706 |
391 |
0.647 |
0.401 |
3.48 |
9.8 |
P0-010025节 |
||
|
6 |
2028 |
338 |
0.647 |
0.346 |
2.94 |
9.8 |
P0-010025节 |
||
|
3 |
950 |
1644 |
548 |
0.735 |
0.559 |
4.28 |
9.9 |
P0-010026节 |
|
|
4.5 |
2016 |
448 |
0.735 |
0.456 |
3.48 |
9.8 |
P0-010025节 |
||
|
P1 |
3 |
720 |
1245 |
415 |
1.12 |
0.82 |
8.3 |
18.6 |
P1-010026节 |
|
4.5 |
1530 |
340 |
1.12 |
0.67 |
6.9 |
18.6 |
P1-010025节 |
||
|
6 |
1770 |
295 |
1.12 |
0.59 |
5.9 |
18.6 |
P1-010025节 |
||
|
P2 |
3 |
720 |
1245 |
415 |
2.24 |
1.64 |
16.7 |
37.3 |
P3-010027节 |
|
4.5 |
1530 |
340 |
2.24 |
1.34 |
13.7 |
37.3 |
P3-010026节 |
||
|
6 |
1770 |
295 |
2.24 |
1.12 |
11.8 |
37.3 |
P1-010029节 |
||
|
P3 |
3 |
720 |
1245 |
415 |
3.73 |
2.6 |
28.5 |
58.8 |
P3-010035节 |
|
4.5 |
1530 |
340 |
3.73 |
2.06 |
22.6 |
58.8 |
P3-010034节 |
||
|
6 |
1770 |
295 |
3.73 |
1.86 |
19.6 |
58.8 |
P3-010033节 |
||
|
P4 |
3 |
720 |
1245 |
415 |
5.9 |
4.1 |
44.1 |
93.2 |
P4-010034节 |
|
4.5 |
1530 |
340 |
5.9 |
3.35 |
36.3 |
93.2 |
P4-010033节 |
||
|
6 |
1770 |
295 |
5.9 |
2.97 |
31.4 |
93.2 |
P4-010033节 |
||
|
P5 |
3 |
720 |
1245 |
415 |
11.2 |
7.8 |
83.4 |
176.5 |
P5-010041节 |
|
4.5 |
1530 |
340 |
11.2 |
6.3 |
68.9 |
176.5 |
P5-010040节 |
||
|
6 |
1770 |
295 |
10.4 |
5.6 |
54.9 |
176.5 |
P5-010039节 |
||
|
P6 |
2.8 |
625 |
1045 |
375 |
19.4 |
11.5 |
176.5 |
294.2 |
P6-010040节 |
|
4 |
1250 |
312 |
18.6 |
9.7 |
137.3 |
294.2 |
P6-010039节 |
||
|
5.6 |
550 |
1300 |
232 |
16.4 |
7.46 |
117.7 |
294.2 |
P6-010038节 |
|
|
注:生产厂:上海中纺机无级变速器有限公司。 |
|||||||||
|
表2 P型齿链式无级变速器基本型的外形及安装尺寸 |
|||||||||||||||||||
|
mm |
|||||||||||||||||||
|
型号 |
a |
b |
c |
d1 |
e |
f |
g |
h1 |
h2 |
h3 |
h5 |
j |
2k |
l |
m |
n |
o |
s |
质量/kg |
|
P0 |
360 |
116 |
242 |
16 |
325 |
85 |
212 |
90 |
90 |
173 |
315 |
键5×25 |
222 |
31.5 |
67.5 |
296 |
60 |
11 |
|
|
P1 |
450 |
185 |
285 |
24 |
410 |
150 |
250 |
132 |
132 |
239 |
421 |
键6×50 |
320 |
60 |
85 |
383 |
80 |
14 |
45 |
|
P2 |
540 |
285 |
345 |
28 |
495 |
200 |
300 |
150 |
150 |
276 |
505 |
键8×50 |
360 |
60 |
110 |
460 |
95 |
18 |
75 |
|
P3 |
660 |
300 |
390 |
32 |
615 |
265 |
350 |
170 |
170 |
328 |
614 |
键10×70 |
466 |
80 |
134 |
580 |
124 |
18 |
130 |
|
P4 |
810 |
345 |
470 |
38 |
755 |
295 |
410 |
200 |
215 |
337 |
753 |
键12×70 |
514 |
80 |
155 |
712 |
152 |
23 |
210 |
|
P5 |
930 |
425 |
590 |
45 |
870 |
360 |
530 |
250 |
250 |
482 |
875 |
键14×100 |
652 |
110 |
190 |
830 |
180 |
28 |
385 |
|
P6 |
1150 |
510 |
750 |
60 |
1060 |
410 |
660 |
300 |
300 |
588 |
1045 |
键18×125 |
800 |
140 |
230 |
1000 |
215 |
36 |
725 |

