|
技术参数、外形及安装尺寸 |
|||||||||||
|
HZ系列基本型变速器技术参数见下表1,外形及安装尺寸见表2(卧式)和表3(立式)。各种带减速器的减变速器的参数见各生产厂产品说明书 |
|||||||||||
|
表1 HZ系列型号及技术参数 |
|||||||||||
|
型号 |
配用电机 |
输出转速 /r·min-1 |
输出额定 转矩/N·m |
型号 |
配用电机 |
输出转速 /r·min-1 |
输出额定 转矩/N·m |
||||
|
功率 /kW |
输入转速 /r·min-1 |
最大 |
最小 |
功率 /kW |
输入转速 /r·min-1 |
最大 |
最小 |
||||
|
HZ90 |
0.09 |
1500 |
0~850 |
3 |
0.8 |
HZ2200 |
2.2 |
1500 |
0~850 |
68 |
20 |
|
HZ250 |
0.25 |
7.7 |
2.2 |
HZ3000 |
3.0 |
94 |
25 |
||||
|
HZ370 |
0.37 |
11.5 |
3.3 |
HZ4000 |
4.0 |
125 |
34 |
||||
|
HZ400 |
0.40 |
13 |
3.7 |
HZ5500 |
5.5 |
170 |
46 |
||||
|
HZ550 |
0.55 |
17 |
5 |
HZ7500 |
7.5 |
233 |
63 |
||||
|
HZ750 |
0.75 |
23 |
6.8 |
HZ11K |
11 |
341 |
93 |
||||
|
HZ1100 |
1.1 |
33 |
10 |
HZ15K |
15 |
465 |
126 |
||||
|
HZ1500 |
1.5 |
46.5 |
14 |
|
|
|
|
||||
|
注:1.表中HZ11K及HZ15K为待开发产品。 2.经1997年机械工业部机械无级变速器产品质量全国统检,样机抽查结果:传动效率为89.69%,滑动率为2.8%。 3.生产厂:浙江平阳市世一变速机械实业有限公司,宁波市无级变速器厂等。 |
|||||||||||
|
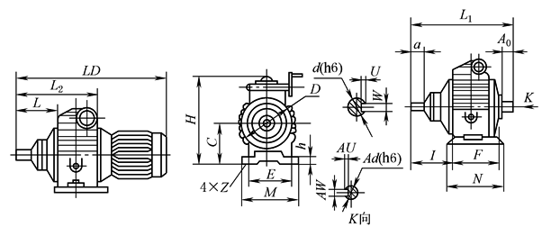
表2 HZ系列(卧式)外形及安装尺寸 |
|||||||||||||||||||||||
|
mm |
|||||||||||||||||||||||
|
型号 |
长 |
宽 |
高 |
底脚尺寸 |
输出轴尺寸 |
输入轴尺寸 |
质量 /kg |
||||||||||||||||
|
L |
L1 |
L2 |
LD |
D |
H |
C |
I |
h |
E |
F |
M |
N |
Z |
d |
W |
U |
a |
Ad |
AW |
AU |
A0 |
||
|
HZ90 |
75 |
144 |
139 |
|
104 |
146 |
65 |
65 |
9 |
70 |
90 |
90 |
110 |
9 |
12 |
4 |
2.5 |
25 |
10 |
3 |
1.8 |
20 |
5.6 |
|
HZ250 |
68 |
250 |
162 |
400 |
150 |
202 |
94 |
48 |
12 |
90 |
140 |
120 |
180 |
11 |
16 |
5 |
3 |
14 |
5 |
3 |
25 |
11 |
|
|
HZ370 |
13 |
||||||||||||||||||||||
|
HZ400 |
68 |
297 |
171 |
410 |
170 |
233 |
106 |
50 |
12 |
120 |
155 |
150 |
185 |
30 |
16 |
||||||||
|
HZ550 |
126 |
386 |
258 |
520 |
210 |
280 |
120 |
118 |
12 |
140 |
170 |
170 |
200 |
13 |
24 |
8 |
4 |
50 |
20 |
8 |
4 |
38 |
25 |
|
HZ750 |
30 |
||||||||||||||||||||||
|
HZ1500 |
142 |
445 |
292 |
610 |
254 |
359 |
154 |
120 |
16 |
160 |
230 |
200 |
270 |
32 |
10 |
5 |
55 |
24 |
50 |
48 |
|||
|
HZ2200 |
157 |
500 |
333 |
680 |
300 |
385 |
175 |
138 |
18 |
210 |
260 |
260 |
310 |
15 |
42 |
12 |
70 |
79 |
|||||
|
HZ3000 |
103 |
||||||||||||||||||||||
|
HZ4000 |
190 |
557 |
390 |
810 |
325 |
432 |
196 |
160 |
20 |
230 |
270 |
280 |
330 |
28 |
150 |
||||||||
|
HZ5500 |
217 |
741 |
557 |
1010 |
410 |
515 |
235 |
200 |
24 |
290 |
375 |
350 |
425 |
20 |
55 |
16 |
6 |
100 |
40 |
12 |
5 |
80 |
200 |
|
HZ7500 |
245 |
884 |
585 |
1120 |
440 |
550 |
250 |
225 |
24 |
300 |
425 |
365 |
490 |
48 |
14 |
5.5 |
220 |
||||||
|
注:表中质量指不带电机时的值 |
|||||||||||||||||||||||
|
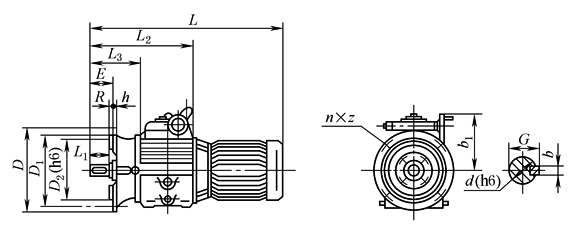
表3 HZLD系列立式带电机外形及安装尺寸 |
|||||||||||||||
|
mm |
|||||||||||||||
|
机型 |
输出轴尺寸 |
安装尺寸 |
外形尺寸 |
||||||||||||
|
d |
b |
G |
L1 |
D1 |
D2 |
E |
h |
R |
n×z |
D |
b1 |
L |
L2 |
L3 |
|
|
HZLD90 |
12 |
4 |
13.8 |
25 |
115 |
92 |
25 |
10 |
3 |
4×9 |
140 |
85 |
330 |
139 |
75 |
|
HZLD250 |
16 |
5 |
18 |
25 |
165 |
130 |
25 |
12 |
3.5 |
4×12 |
200 |
108 |
400 |
162 |
68 |
|
HZLD370 |
|||||||||||||||
|
HZLD400 |
16 |
5 |
18 |
30 |
165 |
130 |
30 |
12 |
3.5 |
4×12 |
200 |
127 |
410 |
171 |
68 |
|
HZLD550 |
24 |
8 |
27 |
50 |
215 |
180 |
50 |
14 |
4 |
4×15 |
250 |
160 |
520 |
258 |
126 |
|
HZLD750 |
|||||||||||||||
|
HZLD1500 |
32 |
10 |
35 |
55 |
265 |
230 |
55 |
16 |
4 |
4×15 |
300 |
205 |
610 |
292 |
142 |
|
HZLD2200 |
42 |
12 |
45 |
70 |
300 |
250 |
70 |
20 |
4 |
4×19 |
350 |
210 |
680 |
333 |
157 |
|
HZLD3000 |
|||||||||||||||
|
HZLD4000 |
42 |
12 |
45 |
70 |
300 |
250 |
70 |
20 |
4 |
4×19 |
350 |
236 |
810 |
390 |
190 |
|
HZLD5500 |
55 |
16 |
59 |
100 |
350 |
300 |
100 |
25 |
8 |
4×19 |
400 |
280 |
1010 |
557 |
217 |
|
HZLD7500 |
55 |
16 |
59 |
100 |
350 |
300 |
100 |
25 |
8 |
4×19 |
400 |
300 |
1120 |
585 |
245 |


