|
MBL(F)基本型无级变速器(铸铁外壳)主要技术参数及尺寸 |
|||||||||||||||||||||||||||
|
mm |
|||||||||||||||||||||||||||
|
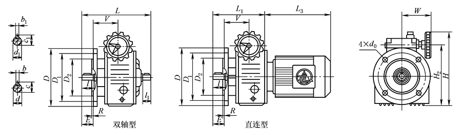
机型号 |
额定 功率 /kW |
输入 转速 /r· min-1 |
输出 转速 /r· min-1 |
输出 转矩 /N·m |
安装尺寸 |
输出轴尺寸 |
输入轴尺寸 |
外形尺寸 |
质量/kg |
||||||||||||||||||
|
D1 |
D2 |
E |
R |
d0 |
d |
b |
c |
l |
d1 |
b1 |
c1 |
l1 |
H2 |
H |
V |
W |
D |
L |
L1 |
L3 |
双轴 型 |
直连 型 |
|||||
|
MBL(F)02 |
0.18 |
1390 |
200 ~ 1000 |
1.5~3 |
130 |
110h9 |
30 |
3.5 |
10 |
14js6 |
5 |
16 |
30 |
14js6 |
5 |
16 |
25 |
154 |
200 |
66 |
100 |
160 |
190 |
127 |
202 |
10.5 |
23 |
|
MBL(F)04 |
0.37 |
1390 |
3~6 |
165 |
130h9 |
30 |
3.5 |
12 |
14js6 |
5 |
16 |
30 |
14js6 |
5 |
16 |
30 |
166 |
216 |
80 |
111 |
200 |
217 |
143 |
225 |
14 |
27.5 |
|
|
MBL(F)07 |
0.55 |
1390 |
5~10 |
165 |
130h9 |
40 |
4 |
12 |
20js6 |
6 |
22.5 |
40 |
19js6 |
6 |
21.5 |
30 |
208 |
258 |
88 |
128 |
200 |
241 |
182 |
255 |
18.3 |
32 |
|
|
0.75 |
1390 |
6~12 |
255 |
33 |
|||||||||||||||||||||||
|
MBL(F)15 |
1.1 |
1400 |
9~18 |
215 |
180h9 |
50 |
4 |
15 |
25js6 |
8 |
28 |
50 |
24js6 |
8 |
27 |
40 |
239 |
289 |
107 |
153 |
250 |
312 |
223 |
270 |
35.5 |
56 |
|
|
1.5 |
1400 |
12~24 |
295 |
57 |
|||||||||||||||||||||||
|
MBL(F)22 |
2.2 |
1420 |
18~36 |
265 |
230h9 |
60 |
4 |
15 |
30js6 |
8 |
33 |
60 |
24js6 |
8 |
27 |
50 |
293 |
343 |
135 |
157 |
300 |
385 |
268 |
325 |
60 |
93 |
|
|
MBL(F)40 |
3 |
1420 |
24~48 |
265 |
230h9 |
60 |
4 |
15 |
30js6 |
8 |
33 |
60 |
24js6 |
8 |
27 |
50 |
293 |
343 |
135 |
157 |
300 |
385 |
268 |
325 |
65 |
95 |
|
|
4 |
1440 |
32~64 |
340 |
97 |
|||||||||||||||||||||||
|
MBL(F)55 |
5.5 |
1440 |
45~90 |
300 |
250h9 |
70 |
5 |
19 |
35k6 |
10 |
38 |
70 |
32k6 |
10 |
35 |
60 |
382 |
464 |
198 |
186 |
350 |
424 |
318 |
390 |
105 |
170 |
|
|
MBL(F)75 |
7.5 |
1460 |
60~120 |
300 |
250h9 |
70 |
5 |
19 |
35k6 |
10 |
38 |
70 |
32k6 |
10 |
35 |
60 |
382 |
464 |
198 |
186 |
350 |
424 |
318 |
430 |
110 |
181 |
|
|
注:1.L3值是按Y2系列B5型电机计入,若配用其他系列电机,L3值应相应变动。 2.型号中L表示法兰垂直安装.F表示法兰水平安装。 3.生产厂:浙江通力减速机有限公司,宁波市镇海减变速机制造有限公司,温州市双联机械有限公司等。 |
|||||||||||||||||||||||||||

