|
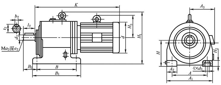
TZLD、TZSD型减速器外形、安装尺寸 |
||||||||||||||||||
|
|
||||||||||||||||||
|
机座号 |
d2 |
12 |
b2 |
t2 |
Ma2 |
e1 |
H |
B |
B1 |
B2 |
Hl |
A |
A1 |
A2 |
H2 |
d3 |
润滑油量 /L≈ |
|
|
112 |
30js6 |
80 |
8 |
33 |
M8 |
12 |
|
210 |
245 |
99 |
242 |
155 |
200 |
45 |
25 |
14.5 |
0.8 |
|
|
140 |
40k6 |
110 |
12 |
43 |
M8 |
12 |
|
230 |
270 |
144 |
290 |
170 |
230 |
60 |
30 |
18.5 |
1.1 |
|
|
180 |
50k6 |
110 |
14 |
53.5 |
M8 |
12 |
|
260 |
310 |
144 |
364 |
215 |
290 |
75 |
45 |
18.5 |
1.6 |
|
|
225 |
60m6 |
140 |
18 |
64 |
M10 |
16 |
|
310 |
365 |
182 |
468 |
250 |
340 |
90 |
50 |
24 |
2.9 |
|
|
250 |
70m6 |
140 |
20 |
74.5 |
M12 |
18 |
|
370 |
440 |
170 |
503 |
290 |
400 |
110 |
60 |
28 |
3.8 |
|
|
265 |
85m6 |
170 |
22 |
90 |
M16 |
24 |
|
390 |
470 |
208 |
543 |
340 |
450 |
110 |
60 |
35 |
4.7 |
|
|
300 |
L |
l00m6 |
210 |
28 |
106 |
M16 |
24 |
|
365 |
455 |
246 |
620 |
380 |
530 |
150 |
60 |
42 |
6.5 |
|
S |
460 |
550 |
7.2 |
|||||||||||||||
|
355 |
L |
110m6 |
210 |
28 |
116 |
M16 |
24 |
|
410 |
500 |
250 |
742 |
440 |
600 |
160 |
80 |
42 |
9.1 |
|
S |
480 |
570 |
10 |
|||||||||||||||
|
375 |
L |
120m6 |
210 |
32 |
127 |
M16 |
24 |
|
450 |
540 |
255 |
778 |
500 |
660 |
160 |
80 |
42 |
12 |
|
S |
520 |
610 |
13 |
|||||||||||||||
|
425 |
L |
130m6 |
250 |
32 |
137 |
M20 |
30 |
|
480 |
580 |
296 |
827 |
500 |
670 |
170 |
90 |
48 |
15 |
|
S |
550 |
650 |
17 |
|||||||||||||||
|
电动机 功率 P1/kW |
电动机 机座号 |
d |
A3 |
H3 |
机 座 号 |
|||||||||
|
TZLD |
||||||||||||||
|
112 |
140 |
180 |
225 |
250 |
265 |
300 |
355 |
375 |
425 |
|||||
|
|
||||||||||||||
|
1.1 |
90S |
175 |
155 |
— |
|
— |
— |
— |
— |
— |
— |
— |
— |
— |
|
1.5 |
90L |
— |
|
— |
— |
— |
— |
— |
— |
— |
— |
— |
||
|
2.2 |
100L1 |
205 |
180 |
142.5 |
— |
|
— |
— |
— |
— |
— |
— |
— |
— |
|
3 |
100L2 |
— |
|
|
— |
— |
— |
— |
— |
— |
— |
|||
|
4 |
112M |
230 |
190 |
150 |
— |
|
|
— |
— |
— |
— |
— |
— |
— |
|
5.5 |
132S |
270 |
210 |
180 |
— |
— |
|
— |
— |
— |
— |
— |
— |
— |
|
7.5 |
132M |
— |
— |
|
|
— |
— |
— |
— |
— |
— |
|||
|
11 |
160M |
325 |
255 |
222.5 |
— |
— |
— |
|
|
— |
— |
— |
— |
— |
|
15 |
160L |
— |
— |
— |
|
|
|
— |
— |
— |
— |
|||
|
18.5 |
180M |
360 |
285 |
250 |
— |
— |
— |
|
|
|
|
— |
— |
— |
|
22 |
180L |
— |
— |
— |
|
|
|
|
— |
— |
— |
|||
|
30 |
200L |
400 |
310 |
280 |
— |
— |
— |
— |
|
|
|
|
— |
— |
|
37 |
225S |
445 |
345 |
312.5 |
— |
— |
— |
— |
— |
— |
|
|
|
— |
|
45 |
225M |
— |
— |
— |
— |
— |
— |
|
|
|
|
|||
|
55 |
250M |
500 |
385 |
320 |
— |
— |
— |
— |
— |
— |
— |
|
|
|
|
75 |
280S |
560 |
410 |
360 |
— |
— |
— |
— |
— |
— |
— |
|
|
|
|
90 |
280M |
— |
— |
— |
— |
— |
— |
— |
|
|
|
|||
|
电动机 功率 P1/kW |
电动机 机座号 |
d |
A3 |
H3 |
机 座 号 |
|||||||||
|
TZSD |
||||||||||||||
|
112 |
140 |
180 |
225 |
250 |
265 |
300 |
355 |
375 |
425 |
|||||
|
|
||||||||||||||
|
0.55 |
801 |
165 |
150 |
— |
|
|
|
|
|
— |
— |
— |
— |
— |
|
0.75 |
802 |
— |
|
|
|
|
|
— |
— |
— |
— |
— |
||
|
1.1 |
90S |
175 |
155 |
— |
|
|
|
|
|
— |
|
— |
— |
— |
|
1.5 |
90L |
— |
|
|
|
|
|
— |
|
— |
— |
— |
||
|
2.2 |
100L1 |
205 |
180 |
142.5 |
— |
|
|
|
|
|
|
|
|
|
|
3 |
100L2 |
— |
|
|
|
|
|
|
|
|
|
|||
|
4 |
112M |
230 |
190 |
150 |
— |
|
|
|
|
|
|
|
|
|
|
5.5 |
132S |
270 |
210 |
180 |
— |
— |
|
|
|
|
|
|
|
|
|
7.5 |
132M |
— |
— |
|
|
|
|
|
|
|
|
|||
|
11 |
160M |
325 |
255 |
222.5 |
— |
— |
— |
|
|
|
|
|
|
|
|
15 |
160L |
— |
— |
— |
|
|
|
|
|
|
|
|||
|
18.5 |
180M |
360 |
285 |
250 |
— |
— |
— |
|
|
|
|
|
|
|
|
22 |
180L |
— |
— |
— |
|
|
|
|
|
|
|
|||
|
30 |
200L |
400 |
310 |
280 |
— |
— |
— |
— |
|
|
|
|
|
|
|
37 |
225S |
445 |
345 |
312.5 |
— |
— |
— |
— |
— |
— |
|
|
|
|
|
45 |
225M |
— |
— |
— |
— |
— |
— |
|
|
|
|
|||
|
55 |
250M |
500 |
385 |
320 |
— |
— |
— |
— |
— |
— |
— |
|
|
|
|
75 |
280S |
560 |
410 |
360 |
— |
— |
— |
— |
— |
— |
— |
|
|
|
|
90 |
280M |
— |
— |
— |
— |
— |
— |
— |
|
|
|
|||
|
注:L代表TZLD,S代表TZSD。 |
||||||||||||||

