|
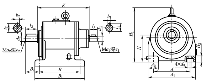
TZL、TZS型 |
||||||||||||||||||||
|
|
||||||||||||||||||||
|
表1 TZL、TZS型减速器外形、安装尺寸 mm |
||||||||||||||||||||
|
机座号 |
d2 |
l2 |
b2 |
t2 |
Ma2 |
e2 |
H |
B |
B1 |
B2 |
H1 |
K |
A |
A1 |
A2 |
H2 |
d3 |
质量 /kg ≈ |
润滑 油量 /L ≈ |
|
|
122 |
L |
30js6 |
80 |
8 |
33 |
M8 |
12 |
|
210 |
245 |
99 |
242 |
276 |
155 |
200 |
45 |
25 |
14.5 |
25 |
0.8 |
|
S |
26 |
|||||||||||||||||||
|
140 |
L |
40k6 |
110 |
12 |
43 |
M8 |
12 |
|
230 |
270 |
144 |
290 |
314 |
170 |
230 |
60 |
30 |
18.5 |
41 |
1.1 |
|
S |
42 |
|||||||||||||||||||
|
180 |
L |
50k6 |
110 |
14 |
53.5 |
M8 |
12 |
|
260 |
310 |
144 |
364 |
369 |
215 |
290 |
75 |
45 |
18.5 |
65 |
1.6 |
|
S |
67 |
|||||||||||||||||||
|
225 |
L |
60m6 |
140 |
18 |
64 |
M10 |
16 |
|
310 |
365 |
182 |
468 |
433 |
250 |
340 |
90 |
50 |
24 |
123 |
2.9 |
|
S |
127 |
|||||||||||||||||||
|
250 |
L |
70m6 |
140 |
20 |
74.5 |
M12 |
18 |
|
370 |
440 |
170 |
503 |
486 |
290 |
400 |
110 |
60 |
28 |
175 |
3.8 |
|
S |
181 |
|||||||||||||||||||
|
265 |
L |
85m6 |
170 |
22 |
90 |
M16 |
24 |
|
390 |
470 |
208 |
543 |
554 |
340 |
450 |
110 |
60 |
35 |
202 |
4.7 |
|
S |
211 |
|||||||||||||||||||
|
300 |
L |
100m6 |
210 |
28 |
106 |
M16 |
24 |
|
365 |
455 |
246 |
620 |
568 |
380 |
530 |
150 |
60 |
42 |
281 |
6.5 |
|
S |
460 |
550 |
612 |
302 |
7.2 |
|||||||||||||||
|
355 |
L |
110m6 |
210 |
28 |
116 |
M16 |
24 |
|
410 |
500 |
250 |
742 |
600 |
440 |
600 |
160 |
80 |
42 |
357 |
9.1 |
|
S |
480 |
570 |
645 |
386 |
10 |
|||||||||||||||
|
375 |
L |
120m6 |
210 |
32 |
127 |
M16 |
24 |
|
450 |
540 |
255 |
778 |
671 |
500 |
660 |
160 |
80 |
42 |
452 |
12 |
|
S |
520 |
610 |
718 |
491 |
13 |
|||||||||||||||
|
425 |
L |
130m6 |
250 |
32 |
137 |
M20 |
30 |
|
480 |
580 |
296 |
827 |
708 |
500 |
670 |
170 |
90 |
48 |
626 |
15 |
|
S |
550 |
650 |
757 |
675 |
17 |
|||||||||||||||
|
注:L代表TZL,S代表TZS。 |
||||||||||||||||||||
|
表2 TZL型减速器输入轴轴伸尺寸 |
|||||||||||||||||
|
机座号 |
实际传动比i |
dl |
ll |
bl |
tl |
Ma1 |
el |
机座号 |
实际传动比i |
dl |
ll |
bl |
tl |
Ma1 |
el |
||
|
TZL |
112 |
≤12.71 |
19js6 |
40 |
6 |
21.5 |
M4 |
8 |
TZL |
265 |
≤12.08 |
50k6 |
110 |
14 |
53.5 |
M8 |
12 |
|
14.29~20.33 |
16js6 |
40 |
5 |
18 |
M4 |
8 |
14.40~17.51 |
32k6 |
80 |
10 |
35 |
M8 |
12 |
||||
|
≥22.97 |
11js6 |
23 |
4 |
12.5 |
M3 |
6 |
19.52 |
28js6 |
60 |
8 |
31 |
M6 |
10 |
||||
|
140 |
≤12.41 |
24js6 |
50 |
8 |
27 |
M6 |
10 |
300 |
≤12.73 |
55m6 |
110 |
16 |
59 |
M10 |
16 |
||
|
13.96~18.08 |
19js6 |
40 |
6 |
21.5 |
M4 |
8 |
13.92~17.80 |
42k6 |
110 |
12 |
45 |
M8 |
12 |
||||
|
≥19.21 |
16js6 |
40 |
5 |
18 |
M4 |
8 |
≥20.29 |
38k6 |
80 |
10 |
41 |
M8 |
12 |
||||
|
180 |
≤12.40 |
28js6 |
60 |
8 |
31 |
M6 |
10 |
355 |
≤12.65 |
55m6 |
110 |
16 |
59 |
M10 |
16 |
||
|
13.61~17.58 |
24js6 |
50 |
8 |
27 |
M6 |
10 |
14.51~20.13 |
50k6 |
110 |
14 |
53.5 |
M8 |
12 |
||||
|
19.72 |
19js6 |
40 |
6 |
21.5 |
M4 |
8 |
22.24 |
42k6 |
110 |
12 |
45 |
M8 |
12 |
||||
|
225 |
≤12.53 |
38k6 |
80 |
10 |
41 |
M8 |
12 |
375 |
≤12.56 |
70m6 |
140 |
20 |
74.5 |
M12 |
18 |
||
|
13.85~18.29 |
28js6 |
60 |
8 |
31 |
M6 |
10 |
14.08~20.16 |
55m6 |
110 |
16 |
59 |
M10 |
16 |
||||
|
≥20.65 |
24js6 |
50 |
8 |
27 |
M6 |
10 |
22.10 |
50k6 |
110 |
14 |
53.5 |
M8 |
12 |
||||
|
250 |
≤12.89 |
42k6 |
110 |
12 |
45 |
M8 |
12 |
425 |
≤12.58 |
70m6 |
140 |
20 |
74.5 |
M12 |
18 |
||
|
14.11~20.16 |
32k6 |
80 |
10 |
35 |
M8 |
12 |
13.97~19.32 |
55m6 |
110 |
16 |
59 |
M10 |
16 |
||||
|
≥22.71 |
24js6 |
50 |
8 |
27 |
M6 |
10 |
22.44 |
50k6 |
110 |
14 |
53.5 |
M8 |
12 |
||||
|
表3 TZS型减速器输入轴轴伸尺寸 |
|||||||||||||||||
|
机座号 |
实际传动比i |
dl |
ll |
bl |
tl |
Ma1 |
el |
机座号 |
实际传动比i |
dl |
ll |
bl |
tl |
Ma1 |
el |
||
|
TZS |
112 |
≤19.32 |
16js6 |
40 |
5 |
18 |
M4 |
8 |
TZS |
265 |
≤17.96 |
32k6 |
80 |
10 |
35 |
M8 |
12 |
|
≥21.66 |
11js6 |
23 |
4 |
12.5 |
M3 |
6 |
≥19.41 |
28js6 |
60 |
8 |
31 |
M6 |
10 |
||||
|
140 |
≤18.57 |
19js6 |
40 |
6 |
21.5 |
M4 |
8 |
300 |
≤17.26 |
42k6 |
110 |
12 |
45 |
M8 |
12 |
||
|
≥20.59 |
16js6 |
40 |
5 |
18 |
M4 |
8 |
≥20.44 |
38k6 |
80 |
10 |
41 |
M8 |
12 |
||||
|
180 |
≤17.65 |
24js6 |
50 |
8 |
27 |
M6 |
10 |
355 |
≤19.67 |
50k6 |
110 |
14 |
53.5 |
M8 |
12 |
||
|
≥20.42 |
19js6 |
40 |
6 |
21.5 |
M4 |
8 |
≥21.37 |
42k6 |
110 |
12 |
45 |
M8 |
12 |
||||
|
225 |
≤17.41 |
28js6 |
60 |
8 |
31 |
M6 |
10 |
375 |
≤19.89 |
55m6 |
110 |
16 |
59 |
M10 |
16 |
||
|
≥20.30 |
24js6 |
50 |
8 |
27 |
M6 |
10 |
≥21.60 |
50k6 |
110 |
14 |
53.5 |
M8 |
12 |
||||
|
250 |
≤20.61 |
32k6 |
80 |
10 |
35 |
M8 |
12 |
425 |
≤19.90 |
55m6 |
110 |
16 |
59 |
M10 |
16 |
||
|
≥23.28 |
24js6 |
50 |
8 |
27 |
M6 |
10 |
≥22.52 |
50k6 |
110 |
14 |
53.5 |
M8 |
12 |
||||

