|
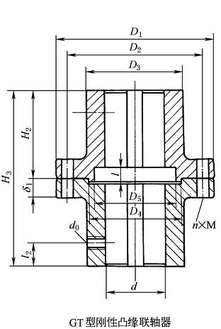
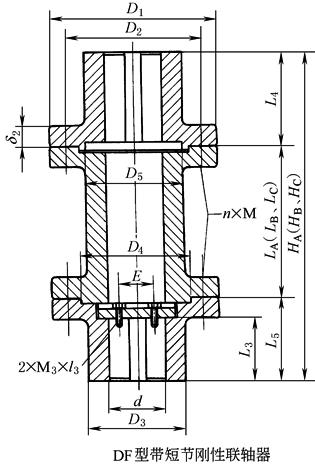
GT、DF型刚性凸缘联轴器 |
|
|
标记示例: 1) GT型联轴器,上、下半联轴器孔径f100mm,高192mm(按表中尺寸选取),材料HT200: 联轴器 GT100 2) GT型联轴器,上半联轴节孔径f100mm,高130mm,下半联轴器孔径f110mm,高150mm,材料ZG230-450: 联轴器 |
标记示例: 1) 上半联轴器孔径f80mm,高152mm,下半联轴器孔径f80mm,高129mm,A型短节(按表中尺寸选取),材料HT200: 联轴器 2) 上半联轴器孔径f80mm,高120mm,下半联轴器孔径f80mm,高130mm,B型短节,材料ZG 230-450: 联轴器 |
|
mm |
|||||||||||||||||||||||||
|
轴 径 d |
许用 转矩 /N·m |
D1 |
D2 |
D3 |
D4 |
D5 |
δ1 |
δ2 |
n×M |
d0 |
M3 ×l3 |
L3 |
l2 |
GT系列 |
DF系列 |
||||||||||
|
H2 |
H3 |
l |
L4 |
L5 |
A型 |
B型 |
C型 |
||||||||||||||||||
|
HA |
LA |
HB |
LB |
HC |
LC |
E |
|||||||||||||||||||
|
20 |
40 |
100 |
80 |
40 |
38 |
30 |
15 |
15 |
3×M8 |
M8 |
M5 ×12 |
50 |
20 |
— |
— |
— |
55 |
62 |
272 |
155 |
352 |
235 |
227 |
110 |
① |
|
25 |
61 |
56 |
|||||||||||||||||||||||
|
30 |
85 |
115 |
90 |
55 |
48 |
40 |
18 |
18 |
4×M8 |
M6 ×16 |
61 |
122 |
15 |
61 |
56 |
||||||||||
|
35 |
236 |
130 |
105 |
60 |
55 |
45 |
20 |
20 |
4×M12 |
60 |
65 |
130 |
67 |
74 |
301 |
160 |
376 |
250 |
251 |
110 |
|||||
|
40 |
145 |
115 |
80 |
70 |
55 |
22 |
22 |
4×M12 |
81 |
162 |
70 |
71 |
20 |
||||||||||||
|
45 |
530 |
M8 ×18 |
70 |
90 |
79 |
339 |
170 |
429 |
260 |
279 |
110 |
25 |
|||||||||||||
|
50 |
160 |
130 |
95 |
80 |
65 |
25 |
25 |
6×M12 |
M12 |
25 |
102 |
204 |
20 |
95 |
74 |
||||||||||
|
55 |
M10 ×20 |
85 |
102 |
101 |
383 |
180 |
508 |
305 |
313 |
110 |
|||||||||||||||
|
60 |
1400 |
200 |
170 |
120 |
100 |
85 |
28 |
28 |
12×M12 |
100 |
132 |
264 |
112 |
121 |
413 |
180 |
538 |
305 |
343 |
110 |
30 |
||||
|
65 |
120 |
113 |
|||||||||||||||||||||||
|
70 |
35 |
||||||||||||||||||||||||
|
75 |
2650 |
M12 ×25 |
110 |
— |
— |
— |
132 |
129 |
451 |
190 |
566 |
305 |
371 |
110 |
|||||||||||
|
80 |
220 |
185 |
130 |
120 |
100 |
35 |
35 |
8×M16 |
M16 |
120 |
30 |
162 |
324 |
25 |
152 |
129 |
471 |
190 |
586 |
305 |
401 |
120 |
|||
|
85 |
50 |
||||||||||||||||||||||||
|
90 |
5200 |
250 |
215 |
160 |
135 |
115 |
40 |
40 |
12×M16 |
35 |
192 |
384 |
129 |
501 |
220 |
646 |
365 |
411 |
130 |
||||||
|
95 |
130 |
152 |
149 |
521 |
220 |
666 |
365 |
441 |
140 |
||||||||||||||||
|
100 |
170 |
131 |
|||||||||||||||||||||||
|
110 |
9000 |
290 |
250 |
190 |
160 |
140 |
42 |
42 |
12×M20 |
140 |
222 |
444 |
30 |
170 |
169 |
569 |
230 |
694 |
355 |
479 |
140 |
||||
|
120 |
155 |
205 |
164 |
599 |
230 |
724 |
355 |
519 |
150 |
||||||||||||||||
|
125 |
340 |
290 |
210 |
190 |
160 |
45 |
45 |
12×M24 |
M16 ×30 |
35 |
212 |
157 |
|||||||||||||
|
130 |
15000 |
212 |
157 |
60 |
|||||||||||||||||||||
|
140 |
385 |
325 |
250 |
220 |
180 |
50 |
50 |
12×M24 |
170 |
45 |
504 |
40 |
222 |
175 |
647 |
250 |
762 |
365 |
577 |
180 |
|||||
|
150 |
28000 |
400 |
340 |
270 |
250 |
200 |
12×M30 |
200 |
252 |
252 |
209 |
711 |
250 |
826 |
365 |
671 |
210 |
||||||||
|
160 |
420 |
360 |
290 |
260 |
210 |
||||||||||||||||||||
|
180 |
31000 |
460 |
390 |
310 |
280 |
230 |
55 |
55 |
16×M30 |
M20 |
M20 ×40 |
240 |
50 |
282 |
564 |
45 |
280 |
270 |
830 |
280 |
980 |
430 |
780 |
230 |
80 |
|
200 |
33750 |
500 |
430 |
340 |
320 |
260 |
60 |
60 |
16×M30 |
100 |
|||||||||||||||
|
① 轴径d≤35时,E尺寸按GB 892中B型轴端挡板尺寸选取。 注:1.GT、DF型联轴器适用于单支点机架(表XD型单支点机架),输出轴为Ⅱ型(普通型)轴头,并在釜外与搅拌轴连接。 2.GT型联轴器高度应根据机架安装空间和减速器输出轴轴伸长度作适当调整,并将需要的高度在标记中注明。 3.DF型联轴器带有中间短轴,可以在拆除短节后使上下轴之间有足够间距,方便密封及轴承拆装与检修。联轴器高度分A、B、C型三种,根据拆装密封高度选择。 4.许用转矩系指联轴器材料为HT200的数值。 |


