|
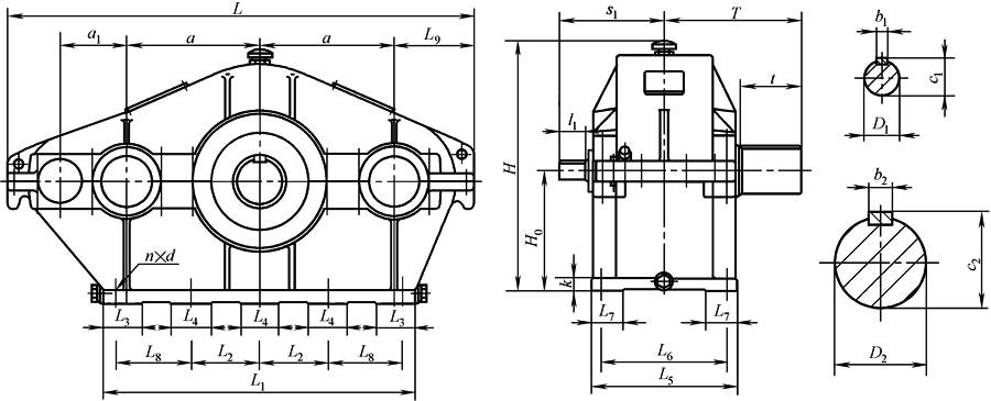
SHCⅠ型减速器外形、安装尺寸 |
|||||||||||||||||
|
mm |
|||||||||||||||||
|
规格 |
中心尺寸 |
轮 廓 尺 寸 |
地 脚 螺 栓 |
||||||||||||||
|
a |
a1 |
H0 |
H |
L |
L1 |
L5 |
L9 |
d |
n |
k |
L2 |
L3 |
L4 |
L6 |
L7 |
L8 |
|
|
215 |
215 |
130 |
200 |
433 |
790 |
550 |
290 |
130 |
M20 |
4 |
25 |
245 |
100 |
|
240 |
70 |
|
|
255 |
255 |
145 |
230 |
493 |
910 |
630 |
320 |
150 |
M20 |
6 |
25 |
285 |
100 |
100 |
270 |
70 |
|
|
300 |
300 |
160 |
280 |
585 |
1050 |
750 |
350 |
180 |
M24 |
6 |
30 |
345 |
120 |
120 |
285 |
80 |
|
|
350 |
350 |
180 |
325 |
678 |
1220 |
860 |
410 |
200 |
M24 |
6 |
35 |
390 |
120 |
160 |
350 |
90 |
|
|
400 |
400 |
210 |
355 |
740 |
1410 |
950 |
445 |
240 |
M24 |
8 |
40 |
150 |
120 |
120 |
385 |
100 |
290 |
|
450 |
450 |
230 |
400 |
825 |
1550 |
1100 |
510 |
270 |
M30 |
8 |
45 |
160 |
120 |
120 |
430 |
100 |
340 |
|
500 |
500 |
260 |
500 |
1028 |
1750 |
1220 |
570 |
305 |
M36 |
8 |
55 |
160 |
150 |
150 |
490 |
120 |
410 |
|
550 |
550 |
290 |
560 |
1110 |
1910 |
1320 |
600 |
325 |
M36 |
8 |
60 |
200 |
150 |
150 |
530 |
120 |
410 |
|
600 |
600 |
330 |
630 |
1270 |
2110 |
1460 |
680 |
360 |
M42 |
8 |
60 |
220 |
180 |
180 |
580 |
150 |
465 |
|
670 |
670 |
360 |
670 |
1330 |
2310 |
1600 |
720 |
385 |
M42 |
8 |
70 |
250 |
180 |
180 |
640 |
140 |
500 |
|
750 |
750 |
390 |
750 |
1520 |
2570 |
1790 |
790 |
425 |
M48 |
8 |
80 |
280 |
210 |
210 |
690 |
150 |
560 |
|
840 |
840 |
420 |
840 |
1666 |
2850 |
1980 |
874 |
480 |
M48 |
10 |
80 |
450 |
250 |
250 |
764 |
150 |
485 |
|
950 |
950 |
460 |
950 |
1870 |
3180 |
2240 |
1000 |
520 |
M56 |
10 |
90 |
500 |
250 |
250 |
870 |
200 |
555 |
|
1070 |
1070 |
520 |
1060 |
2100 |
3530 |
2480 |
1030 |
545 |
M56 |
10 |
90 |
500 |
250 |
250 |
895 |
200 |
675 |
|
规格 |
高速轴伸i<51 |
高速轴伸51≤i<100 |
高速轴伸i≥100 |
低速轴伸 |
质量 /kg |
||||||||||||||||
|
D1 |
l1 |
c1 |
b1 |
s1 |
D1 |
l1 |
c1 |
b1 |
s1 |
D1 |
l1 |
c1 |
b1 |
s1 |
D2 |
t |
T |
c2 |
b2 |
||
|
215 |
35k6 |
58 |
38 |
10 |
186 |
28k6 |
42 |
31 |
8 |
170 |
22j6 |
36 |
25 |
6 |
165 |
75m6 |
105 |
235 |
79.5 |
20 |
205 |
|
255 |
42k6 |
82 |
45 |
12 |
228 |
35k6 |
58 |
38 |
10 |
200 |
28j6 |
42 |
31 |
8 |
185 |
90m6 |
130 |
275 |
95 |
25 |
310 |
|
300 |
48k6 |
82 |
51.5 |
14 |
252 |
42k6 |
82 |
45 |
12 |
252 |
35k6 |
58 |
38 |
10 |
228 |
110m6 |
165 |
340 |
116 |
28 |
528 |
|
350 |
55k6 |
82 |
59 |
16 |
275 |
48k6 |
82 |
51.5 |
14 |
275 |
42k6 |
82 |
45 |
12 |
275 |
130m6 |
200 |
395 |
137 |
32 |
699 |
|
400 |
65m6 |
105 |
69 |
18 |
341 |
55k6 |
82 |
59 |
16 |
318 |
48k6 |
82 |
51.5 |
14 |
318 |
150m6 |
200 |
438 |
158 |
36 |
1145 |
|
450 |
70m6 |
105 |
74.5 |
20 |
355 |
65m6 |
105 |
69 |
18 |
355 |
55m6 |
82 |
59 |
16 |
332 |
170m6 |
240 |
500 |
179 |
40 |
1600 |
|
500 |
75m6 |
105 |
79.5 |
20 |
375 |
70m6 |
105 |
74.5 |
20 |
375 |
60m6 |
105 |
64 |
18 |
375 |
180m6 |
240 |
510 |
190 |
45 |
2150 |
|
550 |
80m6 |
130 |
85 |
22 |
415 |
75m6 |
105 |
79.5 |
20 |
390 |
65m6 |
105 |
69 |
18 |
390 |
200m6 |
280 |
580 |
210 |
45 |
2900 |
|
600 |
90m6 |
130 |
95 |
25 |
455 |
80m6 |
130 |
85 |
22 |
455 |
70m6 |
105 |
74.5 |
20 |
430 |
220m6 |
280 |
600 |
231 |
50 |
3650 |
|
670 |
100m6 |
165 |
106 |
28 |
510 |
90m6 |
130 |
95 |
25 |
475 |
80m6 |
130 |
85 |
22 |
475 |
250m6 |
330 |
690 |
262 |
56 |
5050 |
|
750 |
110m6 |
165 |
116 |
28 |
550 |
100m6 |
165 |
106 |
28 |
550 |
90m6 |
130 |
95 |
25 |
515 |
280m6 |
380 |
765 |
292 |
63 |
6600 |
|
840 |
130m6 |
200 |
137 |
32 |
605 |
110m6 |
165 |
116 |
28 |
570 |
100m6 |
165 |
106 |
28 |
570 |
300m6 |
380 |
790 |
314 |
70 |
9300 |
|
950 |
150m6 |
200 |
157 |
36 |
665 |
130m6 |
200 |
137 |
32 |
665 |
110m6 |
165 |
116 |
28 |
630 |
340m6 |
450 |
920 |
355 |
80 |
13400 |
|
1070 |
170m6 |
240 |
179 |
40 |
760 |
150m6 |
200 |
157 |
36 |
720 |
130m6 |
200 |
137 |
32 |
720 |
380m6 |
450 |
940 |
395 |
80 |
19500 |

