|
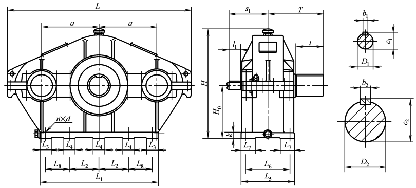
SH型减速器外形、安装尺寸 |
||||||||||||||||||||||||||||
|
mm |
||||||||||||||||||||||||||||
|
规格 |
中心尺寸 |
轮 廓 尺 寸 |
地 脚 螺 栓 |
|||||||||||||||||||||||||
|
a |
H0 |
H |
L |
L1 |
L5 |
d |
n |
k |
L2 |
L3 |
L4 |
L6 |
L7 |
L8 |
||||||||||||||
|
215 |
215 |
200 |
433 |
690 |
450 |
240 |
M20 |
4 |
25 |
190 |
100 |
|
185 |
65 |
|
|||||||||||||
|
255 |
255 |
230 |
493 |
810 |
530 |
260 |
M20 |
6 |
25 |
220 |
100 |
100 |
210 |
70 |
|
|||||||||||||
|
300 |
300 |
280 |
585 |
960 |
630 |
300 |
M24 |
6 |
30 |
255 |
120 |
120 |
235 |
80 |
|
|||||||||||||
|
350 |
350 |
325 |
678 |
1100 |
720 |
340 |
M24 |
6 |
35 |
310 |
120 |
160 |
270 |
90 |
|
|||||||||||||
|
400 |
400 |
355 |
740 |
1280 |
820 |
370 |
M24 |
8 |
40 |
150 |
120 |
120 |
310 |
100 |
210 |
|||||||||||||
|
450 |
450 |
400 |
825 |
1440 |
920 |
420 |
M30 |
8 |
45 |
160 |
120 |
120 |
340 |
100 |
240 |
|||||||||||||
|
500 |
500 |
500 |
988 |
1610 |
1050 |
465 |
M36 |
8 |
50 |
185 |
150 |
120 |
390 |
100 |
250 |
|||||||||||||
|
550 |
550 |
560 |
1110 |
1750 |
1130 |
510 |
M36 |
8 |
60 |
200 |
150 |
150 |
440 |
120 |
290 |
|||||||||||||
|
600 |
600 |
630 |
1230 |
1920 |
1250 |
555 |
M42 |
8 |
60 |
220 |
180 |
150 |
480 |
120 |
300 |
|||||||||||||
|
670 |
670 |
670 |
1330 |
2110 |
1370 |
600 |
M42 |
8 |
70 |
250 |
180 |
180 |
520 |
140 |
350 |
|||||||||||||
|
750 |
750 |
750 |
1480 |
2350 |
1550 |
660 |
M48 |
8 |
80 |
250 |
210 |
210 |
560 |
150 |
420 |
|||||||||||||
|
840 |
840 |
840 |
1626 |
2460 |
1730 |
750 |
M48 |
10 |
80 |
330 |
225 |
200 |
640 |
150 |
410 |
|||||||||||||
|
950 |
950 |
950 |
1830 |
2940 |
1950 |
815 |
M56 |
10 |
90 |
360 |
235 |
200 |
685 |
200 |
480 |
|||||||||||||
|
1070 |
1070 |
1060 |
2060 |
3230 |
2190 |
870 |
M56 |
10 |
90 |
440 |
240 |
240 |
735 |
200 |
540 |
|||||||||||||
|
规格 |
高速轴伸i≤23 |
高速轴伸i≥25.5 |
低 速 轴 伸 |
质量 /kg |
||||||||||||||||||||||||
|
D1 |
l1 |
S1 |
c1 |
b1 |
D1 |
l1 |
S1 |
c1 |
b1 |
D2 |
t |
T |
c2 |
b2 |
||||||||||||||
|
215 |
35k6 |
58 |
165 |
38 |
10 |
35k6 |
58 |
165 |
38 |
10 |
75m6 |
105 |
215 |
79.5 |
20 |
175 |
||||||||||||
|
255 |
45k6 |
82 |
195 |
48.5 |
14 |
45k6 |
82 |
195 |
48.5 |
14 |
90m6 |
130 |
245 |
95 |
25 |
260 |
||||||||||||
|
300 |
50k6 |
82 |
215 |
53.3 |
14 |
50k6 |
82 |
215 |
53.3 |
14 |
110m6 |
165 |
315 |
116 |
28 |
440 |
||||||||||||
|
350 |
55m6 |
82 |
240 |
53.5 |
16 |
55m6 |
82 |
240 |
59 |
16 |
130m6 |
200 |
365 |
137 |
32 |
590 |
||||||||||||
|
400 |
65m6 |
105 |
290 |
69 |
18 |
65m6 |
105 |
290 |
69 |
18 |
150m6 |
200 |
395 |
158 |
36 |
900 |
||||||||||||
|
450 |
75m6 |
105 |
310 |
79.5 |
20 |
70m6 |
105 |
310 |
74.5 |
20 |
170m6 |
240 |
460 |
179 |
40 |
1470 |
||||||||||||
|
500 |
80m6 |
130 |
350 |
85 |
22 |
70m6 |
105 |
325 |
74.5 |
20 |
180m6 |
240 |
470 |
190 |
45 |
1800 |
||||||||||||
|
550 |
85m6 |
130 |
370 |
90 |
22 |
75m6 |
105 |
345 |
79.5 |
20 |
200m6 |
280 |
535 |
210 |
45 |
2360 |
||||||||||||
|
600 |
90m6 |
130 |
390 |
95 |
25 |
80m6 |
130 |
390 |
85 |
22 |
220m6 |
280 |
540 |
231 |
50 |
3090 |
||||||||||||
|
670 |
100m6 |
165 |
450 |
106 |
28 |
90m6 |
130 |
415 |
95 |
25 |
250m6 |
330 |
630 |
262 |
56 |
4370 |
||||||||||||
|
750 |
110m6 |
165 |
485 |
116 |
28 |
100m6 |
165 |
485 |
106 |
28 |
280m6 |
380 |
705 |
292 |
63 |
6040 |
||||||||||||
|
840 |
130m6 |
200 |
545 |
137 |
32 |
110m6 |
165 |
510 |
116 |
28 |
300m6 |
380 |
730 |
314 |
70 |
8820 |
||||||||||||
|
950 |
150m6 |
200 |
575 |
158 |
36 |
130m6 |
200 |
575 |
137 |
32 |
340m6 |
450 |
830 |
355 |
80 |
12900 |
||||||||||||
|
1070 |
170m6 |
240 |
640 |
179 |
40 |
150m6 |
200 |
600 |
158 |
36 |
380m6 |
450 |
860 |
395 |
80 |
18600 |
||||||||||||
|
说明:生产厂为北京太富力传动机器有限责任公司(本节三环减速器均为该公司生产) |
||||||||||||||||||||||||||||

