|
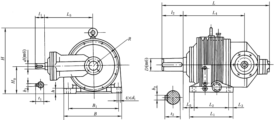
NGW-S型三级减速器外形及安装尺寸 |
||||||||||||||||||||||||||
|
mm |
||||||||||||||||||||||||||
|
机 座 号 |
型 号 |
公称传动比 i |
外形及中心高 |
轴 伸 |
地 脚 尺 寸 |
质量 /kg |
油量 /L |
|||||||||||||||||||
|
L |
B |
H |
H0 |
R |
L4 |
L5 |
d |
D |
l1 |
l2 |
t1 |
b1 |
t2 |
b2 |
L1 |
L2 |
L3 |
L0 |
B1 |
d1 |
h |
|||||
|
7 |
NGW-S73 |
56~160 |
891 |
535 |
574 |
|
250 |
572 |
310 |
35 |
110 |
58 |
165 |
38 |
10 |
116 |
28 |
375 |
305 |
35 |
80 |
465 |
M30 |
45 |
470 |
25 |
|
180~450 |
30 |
33 |
8 |
|||||||||||||||||||||||
|
8 |
NGW-S83 |
56~160 |
968 |
590 |
634 |
|
280 |
643.5 |
350 |
40 |
120 |
82 |
165 |
43 |
12 |
127 |
32 |
440 |
350 |
45 |
86 |
510 |
M36 |
50 |
570 |
35 |
|
180~450 |
35 |
58 |
38 |
10 |
||||||||||||||||||||||
|
9 |
NGW-S93 |
56~160 |
1058 |
660 |
724 |
|
315 |
663.5 |
380 |
45 |
130 |
82 |
200 |
48.5 |
14 |
137 |
32 |
475 |
385 |
45 |
70.5 |
570 |
M36 |
50 |
690 |
50 |
|
180~450 |
40 |
43.0 |
12 |
|||||||||||||||||||||||
|
10 |
NGW-S103 |
56~160 |
1112 |
745 |
800 |
|
355 |
739 |
450 |
50 |
150 |
82 |
200 |
53.5 |
14 |
158 |
36 |
525 |
425 |
50 |
78 |
645 |
M42 |
55 |
1010 |
65 |
|
180~450 |
45 |
48.5 |
14 |
|||||||||||||||||||||||
|
11 |
NGW-S113 |
56~160 |
1238 |
840 |
891 |
|
400 |
822 |
500 |
55 |
170 |
82 |
240 |
59.0 |
16 |
179 |
40 |
580 |
480 |
50 |
73 |
740 |
M42 |
60 |
1430 |
95 |
|
180~450 |
50 |
53.5 |
14 |
|||||||||||||||||||||||
|
12 |
NGW-S123 |
56~160 |
1459 |
950 |
1013 |
|
450 |
1014.5 |
530 |
60 |
190 |
105 |
280 |
64 |
18 |
200 |
45 |
680 |
560 |
60 |
73 |
820 |
M48 |
65 |
2000 |
140 |
|
180~450 |
55 |
82 |
59 |
16 |
||||||||||||||||||||||

