|
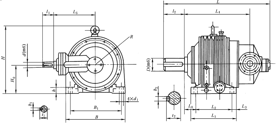
NGW-S型两级减速器外形及安装尺寸 |
||||||||||||||||||||||||||
|
mm |
||||||||||||||||||||||||||
|
机 座 号 |
型 号 |
公称传动比 i |
外形及中心高 |
轴 伸 |
地 脚 尺 寸 |
质量 /kg |
油量 /L |
|||||||||||||||||||
|
L |
B |
H |
H0 |
R |
L4 |
L5 |
d |
D |
l1 |
l2 |
t1 |
b1 |
t2 |
b2 |
L1 |
L2 |
L3 |
L0 |
B1 |
d1 |
h |
|||||
|
4 |
NGW-S42 |
11.2~31.5 |
696 |
380 |
425 |
|
180 |
412 |
310 |
35 |
80 |
58 |
130 |
38 |
10 |
85 |
22 |
290 |
230 |
30 |
72 |
320 |
M24 |
35 |
180 |
10 |
|
35.5~50 |
30 |
33 |
8 |
|||||||||||||||||||||||
|
5 |
NGW-S52 |
11.2~31.5 |
740 |
420 |
463 |
|
200 |
450.5 |
350 |
40 |
90 |
82 |
130 |
43 |
12 |
95 |
25 |
310 |
250 |
30 |
80.5 |
360 |
M24 |
40 |
290 |
14 |
|
35.5~50 |
35 |
58 |
38 |
10 |
||||||||||||||||||||||
|
6 |
NGW-S62 |
11.2~31.5 |
802 |
475 |
524 |
|
225 |
472.5 |
380 |
45 |
100 |
82 |
165 |
48 |
14 |
106 |
28 |
360 |
290 |
35 |
67.5 |
405 |
M30 |
45 |
342 |
18 |
|
35.5~50 |
40 |
43 |
12 |
|||||||||||||||||||||||
|
7 |
NGW-S72 |
11.2~31.5 |
863 |
535 |
574 |
|
250 |
525 |
450 |
50 |
110 |
82 |
165 |
53.5 |
14 |
116 |
28 |
375 |
305 |
35 |
80 |
465 |
M30 |
45 |
420 |
25 |
|
35.5~50 |
45 |
48.5 |
14 |
|||||||||||||||||||||||
|
8 |
NGW-S82 |
11.2~31.5 |
925 |
590 |
634 |
|
280 |
584 |
500 |
55 |
120 |
82 |
165 |
59 |
16 |
127 |
32 |
440 |
350 |
45 |
86 |
510 |
M36 |
50 |
520 |
35 |
|
35.5~50 |
50 |
53.5 |
14 |
|||||||||||||||||||||||
|
9 |
NGW-S92 |
11.2~31.5 |
1003 |
660 |
721 |
|
315 |
622.5 |
530 |
60 |
130 |
105 |
200 |
64 |
18 |
137 |
32 |
475 |
385 |
45 |
70.5 |
570 |
M36 |
50 |
630 |
50 |
|
35.5~50 |
55 |
82 |
59 |
16 |
||||||||||||||||||||||
|
10 |
NGW-S102 |
11.2~31.5 |
1077 |
745 |
800 |
|
355 |
675.5 |
575 |
65 |
150 |
105 |
200 |
69 |
18 |
168 |
36 |
525 |
425 |
50 |
78 |
645 |
M42 |
55 |
950 |
65 |
|
35.5~50 |
60 |
64 |
18 |
|||||||||||||||||||||||
|
11 |
NGW-S112 |
11.2~31.5 |
1212 |
840 |
891 |
|
400 |
748 |
670 |
75 |
170 |
105 |
240 |
79.5 |
20 |
179 |
40 |
580 |
480 |
50 |
73 |
740 |
M42 |
60 |
1365 |
95 |
|
35.5~50 |
65 |
69 |
18 |
|||||||||||||||||||||||
|
12 |
NGW-S122 |
11.2~31.5 |
1344 |
950 |
1013 |
|
450 |
828 |
760 |
85 |
190 |
130 |
280 |
90 |
24 |
200 |
45 |
680 |
560 |
60 |
73 |
820 |
M48 |
65 |
1900 |
140 |
|
35.5~50 |
75 |
105 |
79.5 |
20 |
||||||||||||||||||||||

