|
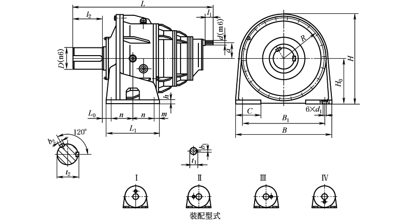
三级减速器外形及安装尺寸(NCZD 315~560) |
|||||||||||||||||||||||||
|
mm |
|||||||||||||||||||||||||
|
规格 代号 |
型号 规格 |
公称传 动比 |
外形及中心高 |
轴 伸 |
地 脚 尺 寸 |
质量 /kg |
油量 /L |
||||||||||||||||||
|
L |
B |
H |
H0 |
R/a |
d |
D |
l1 |
l2 |
t1 |
b1 |
t2 |
b2 |
L1 |
L0 |
n |
m |
h |
B1 |
C |
d1 |
|||||
|
1 |
NCZD 315 |
450~ 1120 |
845 |
560 |
525 |
265 |
260/82 |
20 |
120 |
36 |
165 |
22.5 |
6 |
127 |
32 |
520 |
35 |
130 |
30 |
25 |
470 |
140 |
22 |
430 |
20 |
|
2 |
NCZD 355 |
450~ 1120 |
974 |
630 |
590 |
300 |
290/91 |
22 |
140 |
36 |
200 |
24.5 |
6 |
148 |
36 |
380 |
38 |
155 |
35 |
28 |
520 |
170 |
26 |
540 |
26 |
|
3 |
NCZD 400 |
450~ 1120 |
1054 |
710 |
660 |
335 |
330/100 |
28 |
150 |
42 |
200 |
31 |
8 |
158 |
36 |
400 |
38 |
165 |
35 |
35 |
600 |
210 |
26 |
700 |
40 |
|
4 |
NCZD 450 |
450~ 1120 |
1175 |
800 |
745 |
375 |
370/109 |
35 |
170 |
58 |
240 |
38 |
10 |
179 |
40 |
468 |
60 |
180 |
50 |
35 |
670 |
220 |
33 |
950 |
50 |
|
5 |
NCZD 500 |
450~ 1120 |
1350 |
900 |
835 |
425 |
410/127 |
40 |
200 |
82 |
280 |
43 |
12 |
210 |
45 |
500 |
80 |
200 |
50 |
40 |
770 |
240 |
33 |
1380 |
65 |
|
6 |
NCZD 560 |
450~ 1120 |
1440 |
1020 |
950 |
480 |
470/145 |
45 |
220 |
82 |
280 |
48.5 |
14 |
231 |
50 |
580 |
78.5 |
230 |
60 |
40 |
880 |
300 |
38 |
1780 |
80 |

