|
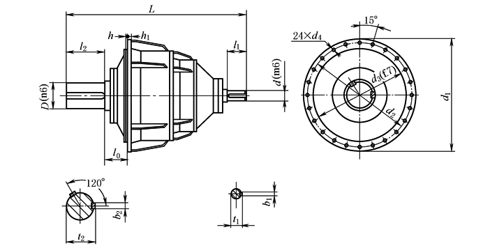
二级减速器外形及安装尺寸(NBF250~560) |
|||||||||||||||||||
|
mm |
|||||||||||||||||||
|
规格 代号 |
型号 规格 |
公称传 动比 |
外形尺寸 |
轴伸 |
法兰尺寸 |
质量 /kg |
油量 /L |
||||||||||||
|
L |
d1 |
d |
D |
l1 |
l2 |
t1 |
b1 |
t2 |
b2 |
d2 |
d3 |
d4 |
l0 |
h/h1 |
|||||
|
1 |
NBF 250 |
20~25 |
715 |
410 |
30 |
80 |
58 |
130 |
33 |
8 |
85 |
22 |
375 |
340 |
17.5 |
85 |
6/20 |
180 |
8 |
|
28~50 |
|||||||||||||||||||
|
2 |
NBF 280 |
20~25 |
760 |
460 |
35 |
100 |
58 |
165 |
38 |
10 |
106 |
28 |
420 |
385 |
17.5 |
95 |
8/18 |
235 |
10 |
|
28~50 |
|||||||||||||||||||
|
3 |
NBF 315 |
20~25 |
820 |
520 |
40 |
120 |
82 |
165 |
43 |
12 |
127 |
32 |
470 |
435 |
17.5 |
113 |
12/20 |
310 |
14 |
|
28~50 |
|||||||||||||||||||
|
4 |
NBF 355 |
20~25 |
900 |
585 |
50 |
140 |
82 |
200 |
53.5 |
14 |
148 |
36 |
525 |
485 |
22 |
120 |
8/20 |
403 |
20 |
|
28~50 |
|||||||||||||||||||
|
5 |
NBF 400 |
20~25 |
993 |
650 |
60 |
150 |
105 |
200 |
64 |
18 |
158 |
36 |
590 |
545 |
22 |
125 |
8/25 |
500 |
28 |
|
28~50 |
|||||||||||||||||||
|
6 |
NBF 450 |
20~25 |
1100 |
740 |
65 |
170 |
105 |
240 |
69 |
18 |
179 |
40 |
670 |
615 |
26 |
138 |
8/27 |
705 |
38 |
|
28~50 |
|||||||||||||||||||
|
7 |
NBF 500 |
20~25 |
1252 |
820 |
75 |
200 |
105 |
280 |
79.5 |
20 |
210 |
45 |
755 |
680 |
26 |
160 |
8/30 |
1095 |
45 |
|
28~50 |
|||||||||||||||||||
|
8 |
NBF 560 |
20~25 |
1340 |
940 |
80 |
220 |
130 |
280 |
85 |
22 |
231 |
50 |
860 |
785 |
33 |
173.5 |
10/45 |
1465 |
60 |
|
28~50 |
|||||||||||||||||||

