|
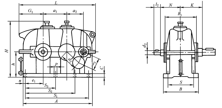
QJRS-D型减速器外形、安装尺寸 |
||||||||||||||||||||||||
|
mm |
||||||||||||||||||||||||
|
公称中 心距 a1 |
a2 |
a3 |
a03 |
外形尺寸 |
中心 高h |
输入轴端 |
地脚安装尺寸 |
A |
B1 |
n |
G1 |
e1 |
K |
质量 /kg |
||||||||||
|
L |
H |
B |
N |
d2 (r6) |
l2 |
S |
S1 |
S2 |
S3 |
C |
P |
孔数 (个) |
||||||||||||
|
140 |
100 |
71 |
311 |
494 |
305 |
220 |
140 |
120 |
18 |
40 |
175 |
380 |
— |
190 |
22 |
18 |
6 |
430 |
190 |
25 |
172 |
115 |
130 |
90 |
|
170 |
118 |
85 |
373 |
577 |
365 |
250 |
170 |
135 |
22 |
50 |
205 |
460 |
— |
230 |
25 |
18 |
6 |
513 |
215 |
27 |
197 |
138 |
150 |
125 |
|
200 |
140 |
100 |
440 |
664 |
425 |
275 |
200 |
180 |
28 |
60 |
230 |
550 |
— |
275 |
25 |
18 |
6 |
600 |
250 |
25 |
222 |
165 |
175 |
190 |
|
236 |
170 |
118 |
524 |
796 |
497 |
330 |
236 |
210 |
32 |
80 |
280 |
660 |
— |
330 |
28 |
23 |
6 |
716 |
300 |
30 |
265 |
195 |
200 |
310 |
|
280 |
200 |
140 |
620 |
925 |
585 |
360 |
280 |
235 |
38 |
80 |
310 |
780 |
— |
390 |
30 |
23 |
6 |
845 |
340 |
33 |
303 |
230 |
220 |
480 |
|
335 |
236 |
170 |
741 |
1100 |
695 |
430 |
335 |
255 |
45 |
110 |
370 |
940 |
— |
450 |
35 |
27 |
6 |
1006 |
400 |
35 |
362 |
280 |
260 |
820 |
|
400 |
280 |
200 |
880 |
1289 |
830 |
510 |
400 |
285 |
50 |
110 |
450 |
1100 |
— |
550 |
40 |
27 |
6 |
1195 |
490 |
50 |
422 |
325 |
310 |
1250 |
|
450 |
315 |
224 |
989 |
1462 |
930 |
590 |
450 |
310 |
55 |
110 |
490 |
1240 |
1000 |
600 |
40 |
33 |
8 |
1350 |
550 |
55 |
481 |
370 |
335 |
1870 |
|
500 |
335 |
250 |
1105 |
1622 |
1030 |
640 |
500 |
350 |
60 |
140 |
540 |
1390 |
1120 |
670 |
45 |
33 |
8 |
1510 |
620 |
60 |
531 |
415 |
370 |
2700 |
|
560 |
400 |
280 |
1240 |
1872 |
1160 |
710 |
560 |
385 |
70 |
140 |
600 |
1550 |
1250 |
750 |
50 |
39 |
8 |
1690 |
690 |
70 |
596 |
460 |
410 |
3900 |
|
630 |
450 |
315 |
1395 |
2037 |
1300 |
770 |
630 |
425 |
80 |
170 |
650 |
1750 |
1410 |
850 |
55 |
39 |
8 |
1905 |
770 |
80 |
666 |
520 |
450 |
5400 |
|
710 |
500 |
355 |
1565 |
2278 |
1460 |
860 |
710 |
450 |
90 |
170 |
740 |
1960 |
1580 |
950 |
60 |
45 |
8 |
2130 |
868 |
85 |
744 |
585 |
510 |
7150 |
|
800 |
560 |
400 |
1760 |
2538 |
1640 |
980 |
800 |
490 |
100 |
210 |
830 |
2195 |
1770 |
1060 |
65 |
45 |
8 |
2390 |
980 |
100 |
824 |
650 |
570 |
9400 |
|
900 |
630 |
450 |
1980 |
2860 |
1840 |
1100 |
900 |
540 |
110 |
210 |
950 |
2480 |
2000 |
1200 |
70 |
52 |
8 |
2700 |
1130 |
110 |
930 |
740 |
640 |
13500 |
|
1000 |
710 |
500 |
2210 |
3200 |
2040 |
1200 |
1000 |
610 |
130 |
250 |
1050 |
2750 |
2220 |
1320 |
75 |
52 |
8 |
3020 |
1220 |
135 |
1040 |
815 |
700 |
17500 |
|
注:1.a03=a1+a2+a3。 2.输出轴端尺寸见表QJ型、QJ-D型减速器的输出轴端尺寸。 |
||||||||||||||||||||||||

