|
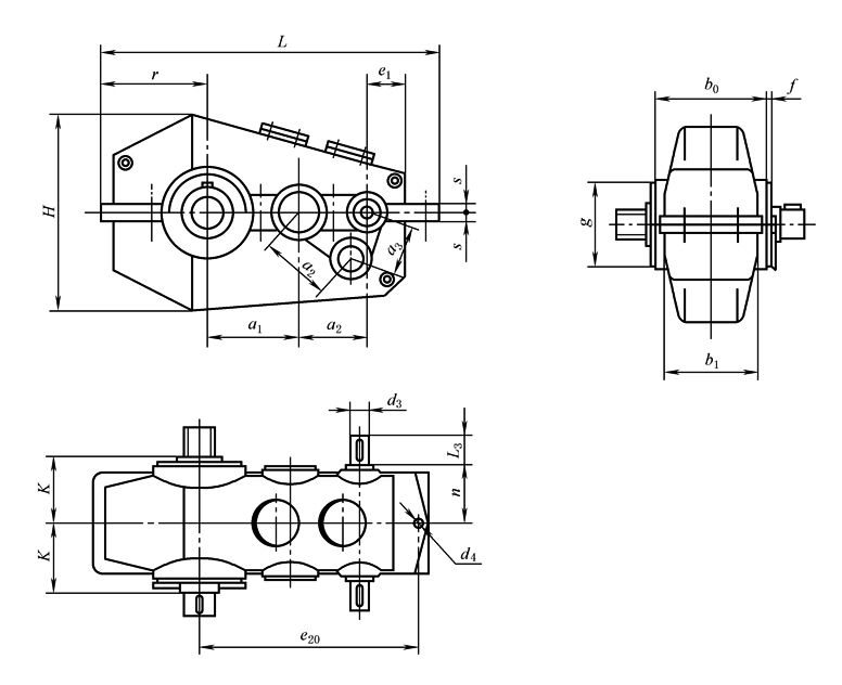
QJRS型减速器外形、安装尺寸 |
|||||||||||||||||||
|
mm |
|||||||||||||||||||
|
公称中心距 a1 |
a2 |
a3 |
a03 |
输入轴端 |
L |
H |
n |
K |
|
|
g (h9) |
d4 |
e20 |
s |
b1 |
r |
e1 |
质量 /kg |
|
|
d2 (r6) |
L3 |
||||||||||||||||||
|
140 |
100 |
71 |
311 |
18 |
40 |
505 |
298 |
120 |
130 |
190 |
16 |
130 |
12 |
320 |
12 |
128 |
170 |
50 |
64 |
|
170 |
118 |
85 |
373 |
22 |
50 |
600 |
375 |
135 |
140 |
215 |
18 |
150 |
15 |
380 |
14 |
148 |
202 |
60 |
94 |
|
200 |
140 |
100 |
440 |
28 |
60 |
707 |
440 |
180 |
195 |
250 |
20 |
170 |
18 |
450 |
17 |
182 |
232 |
70 |
185 |
|
236 |
170 |
118 |
524 |
32 |
80 |
828 |
500 |
210 |
225 |
300 |
20 |
200 |
18 |
530 |
17 |
218 |
272 |
85 |
284 |
|
280 |
200 |
140 |
620 |
38 |
80 |
974 |
562 |
235 |
250 |
335 |
25 |
240 |
22 |
630 |
22 |
255 |
314 |
100 |
380 |
|
335 |
236 |
170 |
741 |
45 |
110 |
1156 |
710 |
255 |
280 |
400 |
25 |
270 |
26 |
750 |
27 |
300 |
375 |
120 |
650 |
|
400 |
280 |
200 |
880 |
50 |
110 |
1387 |
836 |
285 |
340 |
475 |
30 |
320 |
33 |
900 |
27 |
364 |
447 |
140 |
930 |
|
450 |
315 |
224 |
989 |
55 |
110 |
1547 |
980 |
310 |
365 |
530 |
30 |
360 |
33 |
1000 |
32 |
404 |
506 |
160 |
1410 |
|
500 |
355 |
250 |
1105 |
60 |
140 |
1720 |
1060 |
350 |
410 |
600 |
40 |
400 |
39 |
1120 |
32 |
471 |
554 |
180 |
1820 |
|
560 |
400 |
280 |
1240 |
70 |
140 |
1922 |
1240 |
385 |
445 |
670 |
40 |
430 |
39 |
1250 |
37 |
515 |
626 |
200 |
2890 |
|
630 |
450 |
315 |
1395 |
80 |
170 |
2156 |
1370 |
425 |
495 |
750 |
40 |
480 |
45 |
1400 |
37 |
569 |
704 |
225 |
3550 |
|
710 |
500 |
355 |
1565 |
90 |
170 |
2433 |
1530 |
450 |
565 |
850 |
50 |
530 |
45 |
1600 |
42 |
654 |
781 |
250 |
4900 |
|
800 |
560 |
400 |
1760 |
100 |
210 |
2739 |
1691 |
490 |
615 |
950 |
50 |
580 |
52 |
1800 |
42 |
728 |
880 |
280 |
6600 |
|
900 |
630 |
450 |
1980 |
110 |
210 |
3043 |
1900 |
540 |
670 |
1060 |
50 |
650 |
62 |
2000 |
47 |
837 |
978 |
320 |
9200 |
|
1000 |
710 |
500 |
2210 |
130 |
250 |
3384 |
2070 |
610 |
740 |
1180 |
60 |
720 |
70 |
2240 |
55 |
922 |
1074 |
360 |
12000 |
|
注:1.a03=a1+a2+a3。 2.输出轴端尺寸见表QJ型、QJ-D型减速器的输出轴端尺寸。 |
|||||||||||||||||||

