|
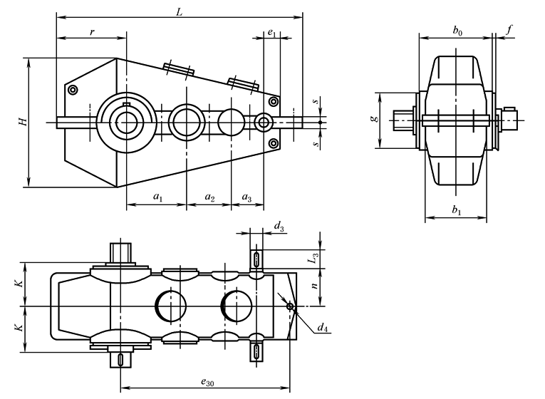
QJS型减速器外形、安装尺寸 |
|||||||||||||||||||
|
mm |
|||||||||||||||||||
|
公称中心距 a1 |
a2 |
a3 |
a03 |
输入轴端 |
L |
H |
n |
K |
|
|
g (h9) |
d4 |
e30 |
s |
b1 |
r |
e1 |
质量 /kg |
|
|
d3 (r6) |
L3 |
||||||||||||||||||
|
140 |
100 |
71 |
311 |
18 |
40 |
567 |
320 |
120 |
130 |
190 |
16 |
130 |
12 |
380 |
12 |
128 |
170 |
40 |
64 |
|
170 |
118 |
85 |
373 |
22 |
50 |
673 |
386 |
135 |
140 |
215 |
18 |
150 |
15 |
450 |
14 |
148 |
202 |
48 |
95 |
|
200 |
140 |
100 |
440 |
28 |
60 |
793 |
455 |
180 |
195 |
250 |
20 |
170 |
18 |
530 |
17 |
182 |
232 |
56 |
170 |
|
236 |
170 |
118 |
524 |
32 |
80 |
928 |
518 |
210 |
225 |
300 |
20 |
200 |
18 |
630 |
17 |
218 |
272 |
67 |
256 |
|
280 |
200 |
140 |
620 |
38 |
80 |
1024 |
584 |
235 |
250 |
335 |
25 |
240 |
22 |
750 |
22 |
255 |
314 |
80 |
350 |
|
335 |
236 |
170 |
741 |
45 |
110 |
1301 |
735 |
255 |
280 |
400 |
25 |
270 |
26 |
900 |
27 |
300 |
375 |
95 |
654 |
|
400 |
280 |
200 |
880 |
50 |
110 |
1559 |
867 |
285 |
340 |
475 |
30 |
320 |
33 |
1060 |
27 |
364 |
447 |
112 |
940 |
|
450 |
315 |
224 |
989 |
55 |
110 |
1736 |
990 |
310 |
365 |
530 |
30 |
360 |
33 |
1180 |
32 |
404 |
506 |
125 |
1400 |
|
500 |
355 |
250 |
1105 |
60 |
140 |
1930 |
1130 |
350 |
410 |
600 |
40 |
400 |
39 |
1320 |
32 |
471 |
554 |
140 |
1850 |
|
560 |
400 |
280 |
1240 |
70 |
140 |
2162 |
1270 |
385 |
445 |
670 |
40 |
430 |
39 |
1500 |
37 |
515 |
626 |
160 |
2800 |
|
630 |
450 |
315 |
1395 |
80 |
170 |
2426 |
1380 |
425 |
495 |
750 |
40 |
480 |
45 |
1700 |
37 |
569 |
704 |
180 |
3500 |
|
710 |
500 |
355 |
1565 |
90 |
170 |
2738 |
1540 |
450 |
565 |
850 |
50 |
530 |
45 |
1900 |
42 |
654 |
781 |
200 |
4700 |
|
800 |
560 |
400 |
1760 |
100 |
210 |
3084 |
1712 |
490 |
615 |
950 |
50 |
580 |
52 |
2120 |
42 |
728 |
880 |
225 |
6400 |
|
900 |
630 |
450 |
1980 |
110 |
210 |
3423 |
1910 |
540 |
670 |
1060 |
50 |
650 |
62 |
2360 |
47 |
837 |
978 |
250 |
9000 |
|
1000 |
710 |
500 |
2210 |
130 |
250 |
3804 |
2150 |
610 |
740 |
1180 |
60 |
720 |
70 |
2650 |
55 |
922 |
1074 |
280 |
11700 |
|
注:1.a03=a1+a2+a3。 2.输出轴端尺寸见表QJ型、QJ-D型减速器的输出轴端尺寸。 |
|||||||||||||||||||

