|
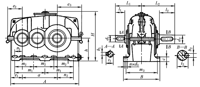
ZLY型减速器外形、安装尺寸及装配型式 |
|
mm |
|
型号ZLY (低速级 中心距) |
A |
B |
H≈ |
a |
i=6.3~11.2 |
i=12.5~20 |
d2 (m6) |
l2 |
L2 |
b2 |
t2 |
||||||||
|
d1 (m6) |
l1 |
L1 |
b1 |
t1 |
d1 (m6) |
l1 |
L1 |
b1 |
t1 |
||||||||||
|
112 |
385 |
215 |
265 |
192 |
24 |
36 |
141 |
8 |
27 |
22 |
36 |
141 |
6 |
24.5 |
48 |
82 |
192 |
14 |
51.5 |
|
125 |
425 |
235 |
309 |
215 |
28 |
42 |
157 |
8 |
31 |
24 |
36 |
151 |
8 |
27 |
55 |
82 |
197 |
16 |
59 |
|
140 |
475 |
245 |
335 |
240 |
32 |
58 |
185 |
10 |
35 |
28 |
42 |
167 |
8 |
31 |
65 |
105 |
230 |
18 |
69 |
|
160 |
540 |
290 |
375 |
272 |
38 |
58 |
198 |
10 |
41 |
32 |
58 |
198 |
10 |
35 |
75 |
105 |
245 |
20 |
79.5 |
|
180 |
600 |
320 |
435 |
305 |
42 |
82 |
232 |
12 |
45 |
32 |
58 |
208 |
10 |
35 |
85 |
130 |
285 |
22 |
90 |
|
200 |
665 |
355 |
489 |
340 |
48 |
82 |
247 |
14 |
51.5 |
38 |
58 |
223 |
10 |
41 |
95 |
130 |
300 |
25 |
100 |
|
224 |
755 |
390 |
515 |
384 |
48 |
82 |
267 |
14 |
51.5 |
42 |
82 |
267 |
12 |
45 |
100 |
165 |
355 |
28 |
106 |
|
250 |
830 |
450 |
594 |
430 |
60 |
105 |
315 |
18 |
64 |
48 |
82 |
292 |
14 |
51.5 |
110 |
165 |
380 |
28 |
116 |
|
280 |
920 |
500 |
670 |
480 |
65 |
105 |
340 |
18 |
69 |
55 |
82 |
317 |
16 |
59 |
130 |
200 |
440 |
32 |
137 |
|
315 |
1030 |
570 |
780 |
539 |
75 |
105 |
365 |
20 |
79.5 |
60 |
105 |
365 |
18 |
64 |
140 |
200 |
470 |
36 |
148 |
|
355 |
1150 |
600 |
870 |
605 |
85 |
130 |
410 |
22 |
90 |
70 |
105 |
385 |
20 |
74.5 |
170 |
240 |
530 |
40 |
179 |
|
400 |
1280 |
690 |
968 |
680 |
90 |
130 |
440 |
25 |
95 |
80 |
130 |
440 |
22 |
85 |
180 |
240 |
560 |
45 |
190 |
|
450 |
1450 |
750 |
1065 |
765 |
100 |
165 |
515 |
28 |
106 |
85 |
130 |
480 |
22 |
90 |
220 |
280 |
640 |
50 |
231 |
|
|
|
|
|
|
i=6.3~12.5 |
i=14~20 |
|
|
|
|
|
||||||||
|
500 |
1600 |
830 |
1190 |
855 |
110 |
165 |
555 |
28 |
116 |
95 |
130 |
520 |
25 |
100 |
240 |
330 |
730 |
56 |
252 |
|
560 |
1760 |
910 |
1320 |
960 |
120 |
165 |
575 |
32 |
127 |
110 |
165 |
575 |
28 |
116 |
280 |
380 |
820 |
63 |
292 |
|
630 |
1980 |
1010 |
1480 |
1080 |
140 |
200 |
660 |
36 |
148 |
120 |
165 |
625 |
32 |
127 |
300 |
380 |
870 |
70 |
314 |
|
710 |
2220 |
1110 |
1653 |
1210 |
160 |
240 |
740 |
40 |
169 |
140 |
200 |
700 |
36 |
148 |
340 |
450 |
990 |
80 |
355 |
|
型号ZLY(低速级中心距) |
c |
m1 |
m2 |
m3 |
n1 |
n2 |
e1 |
e2 |
e3 |
h |
地脚螺栓孔 |
质 量 /kg |
润滑油 量/L |
|
|
d3 |
n |
|||||||||||||
|
112 |
22 |
160 |
— |
180 |
43 |
85 |
75.5 |
92 |
134 |
125 |
15 |
6 |
60 |
3 |
|
125 |
25 |
180 |
— |
200 |
45 |
100 |
77.5 |
98 |
153 |
140 |
15 |
6 |
69 |
4.3 |
|
140 |
25 |
200 |
— |
210 |
47.5 |
112.5 |
85 |
106 |
171 |
160 |
15 |
6 |
105 |
6 |
|
160 |
32 |
225 |
— |
245 |
58 |
120 |
103 |
126 |
188 |
180 |
18.5 |
6 |
155 |
8.5 |
|
180 |
32 |
250 |
— |
275 |
60 |
135 |
110 |
134 |
209 |
200 |
18.5 |
6 |
185 |
11.5 |
|
200 |
40 |
280 |
— |
300 |
65 |
155 |
117.5 |
148 |
238 |
225 |
24 |
6 |
260 |
16.5 |
|
224 |
40 |
310 |
— |
335 |
70 |
165.5 |
137.5 |
168 |
263 |
250 |
24 |
6 |
370 |
23 |
|
250 |
50 |
350 |
— |
380 |
80 |
190 |
145 |
184 |
293 |
280 |
28 |
6 |
527 |
32 |
|
280 |
50 |
380 |
— |
430 |
75 |
205 |
155 |
195 |
325 |
315 |
28 |
6 |
700 |
46 |
|
315 |
63 |
420 |
— |
490 |
78 |
223 |
173 |
219 |
364 |
355 |
35 |
6 |
845 |
65 |
|
355 |
63 |
475 |
— |
520 |
92.5 |
252.5 |
192.5 |
238 |
398 |
400 |
35 |
6 |
1250 |
90 |
|
400 |
80 |
520 |
— |
590 |
95 |
265 |
215 |
275 |
445 |
450 |
42 |
6 |
1750 |
125 |
|
450 |
80 |
— |
400 |
650 |
117.5 |
317.5 |
242.5 |
305 |
505 |
500 |
42 |
8 |
2650 |
180 |
|
500 |
100 |
— |
440 |
710 |
120 |
345 |
262.5 |
337 |
557 |
560 |
48 |
8 |
3400 |
250 |
|
560 |
100 |
— |
490 |
790 |
120 |
390 |
265 |
354 |
624 |
630 |
48 |
8 |
4500 |
350 |
|
630 |
125 |
— |
540 |
870 |
115 |
425 |
295 |
384 |
694 |
710 |
56 |
8 |
6800 |
350 |
|
710 |
125 |
— |
610 |
950 |
140 |
480 |
335 |
440 |
780 |
800 |
56 |
8 |
8509 |
520 |


