|
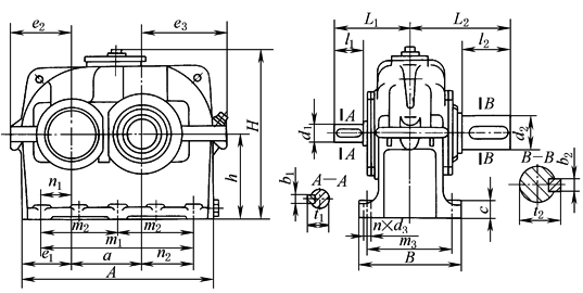
ZDY型减速器外形、安装尺寸和装配型式 |
|
mm |
|
型号ZDY (中心距) |
A |
B |
H≈ |
a |
i=1.25~2.8 |
i=3.15~4.5 |
i=5~5.6 |
||||||||||||
|
d1 (m6) |
l1 |
L1 |
b1 |
t1 |
d1 (m6) |
l1 |
L1 |
b1 |
t1 |
d1 (m6) |
l1 |
L1 |
b1 |
t1 |
|||||
|
80 |
235 |
150 |
210 |
80 |
28 |
42 |
112 |
8 |
31 |
24 |
36 |
106 |
8 |
27 |
19 |
28 |
98 |
6 |
21.5 |
|
100 |
290 |
175 |
260 |
100 |
42 |
82 |
167 |
12 |
45 |
28 |
42 |
127 |
8 |
31 |
22 |
36 |
121 |
6 |
24.5 |
|
125 |
355 |
195 |
330 |
125 |
48 |
82 |
182 |
14 |
51.5 |
38 |
58 |
158 |
10 |
41 |
28 |
42 |
142 |
8 |
31 |
|
160 |
445 |
245 |
403 |
160 |
65 |
105 |
225 |
18 |
69 |
48 |
82 |
202 |
14 |
51.5 |
38 |
58 |
178 |
10 |
41 |
|
200 |
545 |
310 |
507 |
200 |
80 |
130 |
275 |
22 |
85 |
60 |
105 |
250 |
18 |
64 |
48 |
82 |
227 |
14 |
51.5 |
|
250 |
680 |
370 |
662 |
250 |
100 |
165 |
340 |
28 |
106 |
80 |
130 |
305 |
22 |
85 |
60 |
105 |
280 |
18 |
64 |
|
280 |
755 |
450 |
722 |
280 |
110 |
165 |
385 |
28 |
116 |
85 |
130 |
350 |
22 |
90 |
65 |
105 |
325 |
18 |
69 |
|
315 |
840 |
500 |
770 |
315 |
130 |
200 |
445 |
32 |
137 |
95 |
130 |
375 |
25 |
100 |
75 |
105 |
350 |
20 |
79.5 |
|
355 |
930 |
550 |
930 |
355 |
140 |
200 |
470 |
36 |
148 |
100 |
165 |
435 |
28 |
106 |
90 |
130 |
400 |
25 |
95 |
|
400 |
1040 |
605 |
982 |
400 |
150 |
200 |
485 |
36 |
158 |
110 |
165 |
450 |
28 |
116 |
95 |
130 |
415 |
25 |
100 |
|
450 |
1150 |
645 |
1090 |
450 |
160 |
240 |
545 |
40 |
169 |
120 |
165 |
470 |
32 |
127 |
100 |
165 |
470 |
28 |
106 |
|
500 |
1290 |
710 |
1270 |
500 |
180 |
240 |
580 |
45 |
190 |
130 |
200 |
540 |
32 |
137 |
120 |
165 |
505 |
32 |
127 |
|
560 |
1440 |
780 |
1360 |
560 |
200 |
280 |
660 |
45 |
210 |
150 |
200 |
580 |
36 |
158 |
130 |
200 |
580 |
32 |
137 |
|
型号ZDY (中心距) |
d2 (m6) |
l2 |
L2 |
b2 |
t2 |
c |
m1 |
m2 |
m3 |
n1 |
n2 |
e1 |
e2 |
e3 |
h |
地脚螺栓孔 |
质量 /kg |
润滑 油量 /L |
|
|
d3 |
n |
||||||||||||||||||
|
80 |
32 |
58 |
128 |
10 |
35 |
18 |
180 |
— |
120 |
40 |
60 |
67.5 |
81 |
101 |
100 |
12 |
4 |
14 |
0.9 |
|
100 |
48 |
82 |
167 |
14 |
51.5 |
22 |
225 |
— |
140 |
52.5 |
72.5 |
85 |
102 |
122 |
125 |
15 |
4 |
35 |
1.6 |
|
125 |
55 |
82 |
182 |
16 |
59 |
25 |
290 |
— |
160 |
65 |
100 |
97.5 |
119 |
155 |
160 |
15 |
4 |
76 |
3.2 |
|
160 |
70 |
105 |
225 |
20 |
74.5 |
32 |
355 |
— |
200 |
73 |
122 |
118 |
141 |
190 |
200 |
18.5 |
4 |
115 |
6.5 |
|
200 |
90 |
130 |
275 |
25 |
95 |
40 |
425 |
— |
255 |
80 |
145 |
140 |
169 |
235 |
250 |
24 |
4 |
228 |
12.8 |
|
250 |
110 |
165 |
340 |
28 |
116 |
50 |
550 |
275 |
305 |
110 |
190 |
175 |
214 |
295 |
315 |
28 |
6 |
400 |
23 |
|
280 |
130 |
200 |
420 |
32 |
137 |
50 |
620 |
310 |
380 |
120 |
220 |
187.5 |
228 |
328 |
355 |
28 |
6 |
540 |
36 |
|
315 |
140 |
200 |
445 |
36 |
148 |
63 |
700 |
350 |
420 |
137.5 |
247.5 |
207.5 |
254 |
364 |
400 |
35 |
6 |
800 |
45 |
|
355 |
150 |
200 |
470 |
36 |
158 |
63 |
770 |
385 |
470 |
142.5 |
272.5 |
222.5 |
269 |
397 |
450 |
35 |
6 |
870 |
70 |
|
400 |
160 |
240 |
525 |
40 |
169 |
80 |
850 |
425 |
510 |
150 |
300 |
245 |
304 |
454 |
500 |
42 |
6 |
1640 |
90 |
|
450 |
170 |
240 |
545 |
40 |
179 |
80 |
950 |
475 |
550 |
165 |
335 |
265 |
331 |
501 |
560 |
42 |
6 |
2100 |
125 |
|
500 |
190 |
280 |
620 |
45 |
200 |
100 |
1080 |
540 |
610 |
190 |
390 |
295 |
418 |
618 |
630 |
42 |
6 |
3100 |
180 |
|
560 |
240 |
330 |
790 |
56 |
252 |
100 |
1200 |
600 |
680 |
205 |
435 |
325 |
432 |
662 |
710 |
48 |
6 |
3730 |
250 |


