|
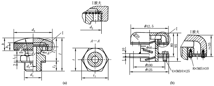
通气罩 mm |
|||||||||||||||
|
|
|||||||||||||||
|
型式 |
d1 |
d2 |
d3 |
d4 |
d5 |
l |
l1 |
l2 |
l3 |
b |
b1 |
t1 |
t |
R |
质量/kg |
|
图a |
M24 |
M48×1.5 |
55 |
22 |
12 |
55 |
40 |
8 |
15 |
20 |
16 |
41.6 |
36 |
85 |
0.45 |
|
M36 |
M64×2 |
75 |
30 |
20 |
60 |
40 |
12 |
20 |
20 |
16 |
57.7 |
50 |
160 |
0.9 |
|
|
图b |
尺寸见图 |
2.6 |
|||||||||||||

