|
销齿传动的设计计算及工作图示例 |
|
例 试设计一双向回转工作的外啮合销齿传动。已知设备传动方案如图1所示,电动机1的功率P1=3kW,转速n1=1400r/min;V带传动2的传动比i1=2.6,效率η1=0.96;蜗轮减速器3的传动比i2=52,效率η2=0.768;销齿传动4,其转速n2=0.375r/min,效率ηp=0.93 (1)计算销轮轴转矩T2
图1 设备传动方案 (2)选定材料及确定其许用应力 销齿材料采用45号钢,经正火处理,硬度为167~217HB,按10r/min查表常用材料及许用应力中表1得σHp=1058MPa;查表常用材料及许用应力中表2,按对称循环载荷计算σF2p:
齿轮材料采用45号钢,经调质处理,HB=207~255,按10r/min查表常用材料及许用应力中表1得σH1p=1176MPa;σF1p=142MPa (3)选定φ、z1、dp/p和确定ha/p、z2等参数按表销齿传动几何尺寸计算取φ=1.5,z1=13,dp/p=0.475 则 销轮齿数 z2=iz1=27.6×13=358.8,取360齿 销齿传动实际传动比
按z1=13、dp/p=0.475查表销齿传动几何尺寸计算中图a得(ha/p)max=0.478。为了保证齿顶不变尖而具有一定厚度,以及重合度ε的的许用值不小于1.1~1.3,则试取ha/p=0.43 按z1=13、ha/p=0.43查表销齿传动几何尺寸计算中图a得ε=1.28,落在其许用范围内,故适合 (4)按强度计算确定销齿直径dp 按表销齿传动的强度计算中接触强度计算公式计算dp:
取dp=30mm 按表销齿传动的强度计算中弯曲强度验算公式校核dp:
b=φdp=1.5×30=45mm 取L=1.6b,则L=1.6×45=72mm。代入弯曲强度验算公式得
σF2≤σF2p=66.4MPa,故销齿弯曲强度足够 按表销齿传动的强度计算中弯曲强度验算公式来校核齿轮轮齿弯曲强度
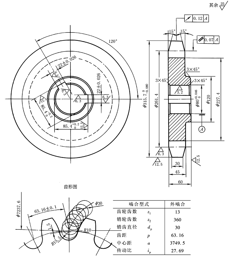
σF1≤σF1p=142MPa,故齿轮轮齿弯曲强度足够 (5)几何尺寸计算(参看表销齿传动几何尺寸计算) 齿轮齿数 z1=13 销轮齿数 z2=360 销齿直径 dp=30mm
齿轮节圆直径 d1=pz1/π=63.16×13/π=261.4mm 销轮节圆直径 d2=pz2/π=63.16×360/π=7237.6mm 齿轮齿根圆角半径 ρf=(0.515~0.52)dp=(0.515~0.52)×30=15.45~15.6mm,取ρf=15.5mm 齿轮齿根圆角半径中心至节圆圆周距离 c=(0.04~0.05)dp=(0.04~0.05)×30=1.2~1.5mm,取c=1.5mm 齿轮齿顶高 ha=0.43p=0.43×63.16=27.16mm 齿轮齿根高 hf=ρf+c=15.5+1.5=17mm 齿轮全齿高 h=ha+hf=27.16+17=44.16mm 齿轮齿廓过渡圆弧半径 R=(0.3~0.4)dp=(0.3~0.4)×30=9~12mm,取R=10mm 齿轮齿顶圆直径 da1=d1+2ha=261.4+2×27.16=315.7mm 齿轮齿根圆直径 df2=d1-2hf=26.14-2×17=227.4mm
齿轮齿宽 b=1.5dp=1.5×30=45mm 销齿计算长度 L=1.6b=1.6×45=72mm 销齿中心至夹板边缘距离 l=(1.5~2)dp=(1.5~2)×30=45~60mm,取l=45mm 销轮夹板厚度 δ=(0.25~0.5)dp=(0.25~0.5)×30=7.5~15mm,取δ=10mm 验算夹板挤压强度:按表销齿传动的强度计算中验算公式验算,并取许用挤压应力σprp=98MPa
σpr≤σprp=98MPa,夹板挤压强度足够 (6)绘制零件工作图(见图2、图3)
图2 齿轮工作图 注:销齿面高频淬火,淬硬深度2mm,表面硬度40HRC
图3 销轮工作图 |








