|
行星齿轮传动的传动比及啮合效率计算公式 |
|||||
|
传动型式 |
简 图 |
传动比计算公式 |
啮 合 效 率 计 算 公 式 及 图 形 |
||
|
NGW(2Z-X 负号机构) |
|
|
|
(效率曲线按ψX=0.025作出) |
|
|
|
|
||||
|
iX数值:
|
|
||||
|
NW(2Z-X 负号机构) |
|
|
|
|
|
|
|
|
||||
|
iX数值:
|
|
||||
|
NN(2Z-X 正号机构) |
|
|
|
(曲线按齿面摩擦因数μz=0.12、行星轮 轴承摩擦因数μ=0.006作出) |
|
|
WW(2Z-X 正号机构) |
|
iX数值:
|
>1 |
|
(效率曲线按ψX=0.06作出) |
|
0<
<1 |
|
||||
|
NGWNⅠ型(3Z型) |
|
iX数值:
|
dB > dE ︵ 推 荐 ︶ |
|
(效率曲线按齿面摩擦因数μz=0.12和 行星轮轴承摩擦因数μ=0.006作出) |
|
dB < dE |
|
||||
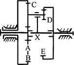
|
NGWNⅡ型(3Z型) |
zB<zE |
|
各对齿轮的啮合效率,按下式计算:
式中z1、z2分别为小齿轮和大齿轮齿数;f=2.3;μz=0.1;“+”号用于外啮合,“-”号用于内啮合。忽略轴承效率 |
|
|


































