|
工作图规定 |
||||||||||||||||||||||||||||||||||||||||||||||||||||||||||||||||||||||||||||||||||
|
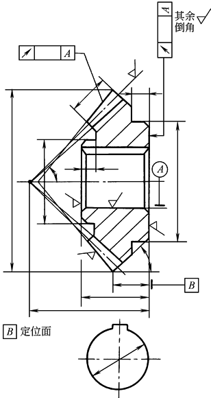
工作图一般分为投影图样、数据表格、技术要求和标题栏四部分。GB/T功夫12371—1990《锥齿轮图样上应注明的尺寸数据》作了如下规定: (1)需要在图样上标注的一般尺寸数据 齿顶圆直径及其公差;齿宽;顶锥角;背锥角;孔(轴)径及其公差;定位面(安装基准面);从分锥(或节锥)顶点至定位面的距离及其公差;从齿尖至定位面的距离及其公差;从前锥端面至定位面的距离;齿面粗糙度(若需要,包括齿根表面及齿根圆角处的表面粗糙度) (2)需要用表格列出的数据及参数 模数(一般为大端端面模数);齿数(对扇形齿轮应注明全齿数);基本齿廓(符合GB/T 12369时仅注明法向齿形角,不符合时则应以图样表明其特性);分度圆直径(对于高度变位锥齿轮,等于节圆直径);分度锥角(对于高度变位锥齿轮,等于节锥角);根锥角;锥距;螺旋角及螺旋方向;高度变位系数(径向变位系数);切向变位系数(齿厚变位系数);测量齿厚及其公差;测量齿高;精度等级;接触斑点的高度沿齿高方向的百分比,长度沿齿长方向的百分比;全齿高;轴交角;侧隙;配对齿轮齿数;配对齿轮图号;检查项目代号及其公差值 (3)其他 齿轮的技术要求除在图样中以符号、公差表示及在参数表中以数值表示外,还可用文字在图右下方逐条列出;图样中的参数表一般放在图样的右上角;参数表中列出的参数项目可根据需要增减,检查项目可根据使用要求确定,但应符合GB/T 11365的规定 工作图示例 工作图示例见下图和表零件图实例中图 |
||||||||||||||||||||||||||||||||||||||||||||||||||||||||||||||||||||||||||||||||||
|
|
|
|||||||||||||||||||||||||||||||||||||||||||||||||||||||||||||||||||||||||||||||||
|
工作图示例(未标注具体数字) |
||||||||||||||||||||||||||||||||||||||||||||||||||||||||||||||||||||||||||||||||||

