|
锥齿轮轮体结构 |
|||
|
表1 |
|||
|
型式 |
结 构 图 |
说 明 |
|
|
齿轮轴 |
|
锥齿轮对安装精度和轴的刚度非常敏感,故小齿轮,尤其是悬臂式支承最好与轴作成一体 齿轮轴两端应具有中心孔或外螺纹,使切齿时能可靠地固定 |
|
|
整体齿轮 (用于齿轮直径小于180mm) |
|
曲线齿锥齿轮的轮毂与齿根的延长线不得相交,避免切齿时相碰 |
|
|
|
齿轮应有足够的刚性,以保证其正常地工作和切齿时的装夹,因此应尽可能不采用小的安装孔、薄的辐板,轴孔两端的环形凸台对增加刚度十分有效 |
||
|
|
当齿轮分度圆直径是轮毂直径二倍以上时,应增设辅助支承面,以增加切齿时的刚性 |
||
|
组合齿轮 (用于齿轮直径大于180mm) |
|
齿圈热处理变形小 为防止螺钉松动,可用销钉锁紧(如图) 螺孔底部与齿根间最小距离不小于 |
|
|
|
当轴向力朝向锥顶时,为使螺钉不承受拉伸力,应按图示方向连接。图a常用于双支承式结构;图b用于悬臂式支承结构 |
||
|
|
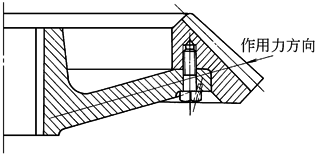
常用于分锥角近似为45°的场合 作用力方向应与轮毂辐板方向相一致,以减小变形 |
||
|
|
齿根下面的厚度H一般不应小于全齿高,即H>h,通常取H=(3~4)m |
||
|
表2 锥齿轮结构尺寸 |
|||
|
结 构 图 形 |
结 构 尺 寸 |
||
|
|
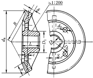
当小端齿根圆角离键槽顶部的距离δ<1.6m(m为大端模数)时(图b),齿轮与轴作成整体(图a) |
||
|
|
D1=1.6D;L=(1~1.2)D δ=(3~4)m,但不小于10mm c=(0.1~0.17)R,D0、d0按结构确定 |
||
|
|
D1=1.6D(铸钢) D1=1.8D(铸铁) L=(1~1.2)D δ=(3~4)m,但不小于10mm c=(0.1~0.17)R,但不小于10mm S=0.8c,但不小于10mm D0、d0按结构确定 |
||











