|
弧齿锥齿轮传动的几何计算 |
||||||||||||||||
|
|
||||||||||||||||
|
项 目 |
计 算 公 式 及 说 明 |
|||||||||||||||
|
零度弧齿锥齿轮 |
弧 齿 锥 齿 轮 |
|||||||||||||||
|
等顶隙收缩齿、双重收缩齿 (格里森齿制) |
等顶隙收缩齿 (格里森齿制、埃尼姆斯齿制) |
等高齿(洛-卡氏齿制) |
||||||||||||||
|
齿形角α |
根据所选定的齿形制,按表锥齿轮的变位与齿形制中表确定 |
|||||||||||||||
|
齿顶高系数ha* |
||||||||||||||||
|
顶隙系数c* |
||||||||||||||||
|
大端端面模数m |
|
|||||||||||||||
|
齿数比u |
|
|||||||||||||||
|
齿数z |
2.选取最少齿数时可参考表锥齿轮的最少齿数zmin和最少齿数和z∑min 3.当分度圆直径确定之后,推荐按图2或图3选取z1 |
推荐的小齿轮最少齿数见表等高齿弧齿锥齿轮小轮齿数z1 |
||||||||||||||
|
变位系数x,xt |
xt1按图1选取,xt2=-xt1 |
格里森齿制:
xt1按图4选取,xt2=-xt1 埃尼姆斯齿制: x1见表弧齿锥齿轮高变位系数x1,x2=-x1 xt1见表弧齿锥齿轮切向变位系数xt1,xt2=-xt1 |
x2=-x1 β1=10°时,x1=0.47,x2=-x1 用简单双面法加工,且u<1.5时,xt1=0.18cosβt,xt2=-xt1 其他条件下,xt1=xt2=0 |
|||||||||||||
|
齿宽中点螺旋角βm |
βm1=βm2=0°,两轮旋向相反(旋向的规定见右栏) |
1.等顶隙收缩齿的标准螺旋角βm=35°,等高齿的螺旋角βm=10°~35°,两轮齿宽中点的螺旋角数值相等,旋向相反 2.增大螺旋角可以增加齿线重合度,提高传动平稳性,降低噪声,但轴向力也随之增大 3.决定螺旋角大小时,至少使齿线重合度εβ≥1.25,如果条件允许可使εβ=1.5~2.0。εβ和βm的关系可利用图5确定 4.旋向规定:从锥顶看齿轮,当齿线从小端到大端是顺时针旋转时,为右旋;反之为左旋 5.选定旋向时,大小齿轮的旋向应相反,其产生的轴向力应使两齿轮趋向分离,如果做不到时,也应使小齿轮趋向分离 |
||||||||||||||
|
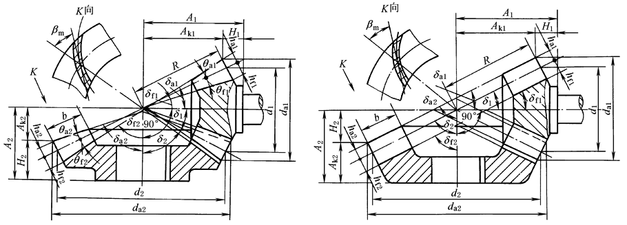
分锥角δ |
|
|||||||||||||||
|
分度圆直径d |
d1=mz1,d2=mz2 |
|||||||||||||||
|
锥距R |
|
|||||||||||||||
|
齿宽系数f R |
|
|
|
|||||||||||||
|
齿宽b |
取b=f RR和b=10m中的较小值 |
|||||||||||||||
|
齿顶高ha |
|
|
||||||||||||||
|
齿高h |
|
|
||||||||||||||
|
齿根高hf |
hf1=h-ha1 hf2=h-ha2 |
hf1=h-ha1 hf2=h-ha2 |
||||||||||||||
|
齿顶圆直径da |
da1=d1+2ha1cosδ1,da2=d2+2ha2cosδ2 |
|||||||||||||||
|
齿根角θf |
等顶隙收缩齿Δθf=0 双重收缩齿Δθf见表双重收缩齿零度弧齿锥齿轮齿根角增量Δθf |
|
|
|||||||||||||
|
齿顶角θa |
θa1=θf2,θa2=θf1 |
|
||||||||||||||
|
顶锥角δa |
δa1=δ1+θa1,δa2=δ2+θa2 |
δa1=δ1,δa2=δ2 |
||||||||||||||
|
根锥角δf |
δf1=δ1-θf1,δf2=δ2-θf2 |
δf1=δ1,δf2=δ2 |
||||||||||||||
|
外锥高Ak |
Ak1=Rcosδ1-ha1sinδ1,Ak2=Rcosδ2-ha2sinδ2 |
|||||||||||||||
|
安装距A |
按结构确定,一般凑成整数 |
|||||||||||||||
|
支承端距H |
H1=A1-Ak1,H2=A2-Ak2 |
|||||||||||||||
|
弧齿厚s |
式中β为大端螺旋角,按表弧齿锥齿轮螺旋角计算公式计算 |
|||||||||||||||
|
弦齿厚 |
根据切齿方法确定,一般由机床调整计算 |
|||||||||||||||
|
弦齿高 |
||||||||||||||||
|
当量齿数zv |
|
|
||||||||||||||
|
重
合
度 |
端面重合度εα |
|
|
|||||||||||||
|
α=20°时,εα值可由图6查出 |
||||||||||||||||
|
齿线重合度εβ |
εβ=0 |
|
||||||||||||||
|
|
b/R=0.3时,εβ可由图5查出 |
|||||||||||||||
|
总重合度εγ |
εγ=εα |
|
||||||||||||||
|
图1 直齿及零度弧齿锥齿轮切向变位系数xt(格里森齿制,α=20°)
图2 直齿及零度弧齿锥齿轮小轮齿数z1
图3 弧齿锥齿轮小轮齿数z1(βm=35°)
图4 弧齿锥齿轮切向变位系数xt[格里森齿制Σ(或当量Σ)=90°]
图5 弧齿锥齿轮齿线重合度εβ
图6 锥齿轮的端面重合度εα(α=20°) 注:1.对直齿轮,按zv1和zv2查出εα1和εα2,εα=εα1+εα2 2.对曲线齿,按zv1和zv2查出εα1和εα2,εα=K(εα1+εα2),K值如下
|
||||||||||||||||














