|
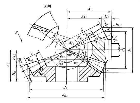
斜齿锥齿轮传动的几何计算 |
||||||||||||||
|
等顶隙收缩齿(S=90°) |
||||||||||||||
|
项 目 |
计 算 公 式 及 说 明 |
|||||||||||||
|
小 齿 轮 |
大 齿 轮 |
|||||||||||||
|
螺旋角β |
2.旋向的规定:从锥顶看齿轮,当齿线从小端到大端是顺时针旋转时,为右旋;反之为左旋 3.旋向的选用:大小齿轮的旋向应相反,且其产生的轴向力应使两齿轮趋于分离,如做不到时,也应使小齿轮趋向分离 |
|||||||||||||
|
齿根角 θf |
|
|
||||||||||||
|
切圆半径 rt |
rt=Rsinβ |
|||||||||||||
|
分度圆弧齿厚 s |
|
|
||||||||||||
|
弦齿厚 |
|
|
||||||||||||
|
弦齿高 |
|
|
||||||||||||
|
当量齿数 zv |
|
|
||||||||||||
|
端面重合度 εα |
|
|||||||||||||
|
α=20°时的εα值可由下图查出 |
||||||||||||||
|
注:其他几何尺寸的计算与表直齿锥齿轮传动的几何计算中同名参数的计算公式相同。
图6 锥齿轮的端面重合度εα(α=20°) 注:1.对直齿轮,按zv1和zv2查出εα1和εα2,εα=εα1+εα2 2.对曲线齿,按zv1和zv2查出εα1和εα2,εα=K(εα1+εα2),K值如下
|
||||||||||||||



