|
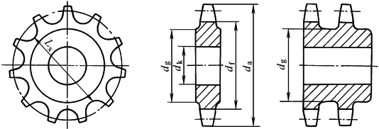
链轮基本参数和主要尺寸(GB/T 1243—2006) mm |
|||
|
|
|||
|
名 称 |
计算公式 |
说明 |
|
|
基 本 参 数 |
链轮齿数z |
|
|
|
配用链条的节距p |
|
||
|
配用链条的滚子外径d1 |
|||
|
配用链条的排距pt |
|||
|
主 要 尺 寸 |
分度圆直径d |
|
|
|
齿顶圆直径da |
|
可在damax、damin范围内任意选取,但选用damax时,应考虑采用展成法加工,有发生顶切的可能性 |
|
|
齿根圆直径df |
df=d-d1 |
|
|
|
分度圆弦齿高ha |
|
ha是为简化放大齿形图绘制而引入的辅助尺寸,hamax对应damax;hamin对应damin |
|
|
最大齿根距离Lx |
|
|
|
|
齿侧凸缘(或排间槽)直径dg |
|
h2——内链板高度,见表滚子链的基本参数与尺寸 |
|
|
注:da、dg计算值取整数舍小数,其他尺寸精确到0.01mm。 |
|||





