|
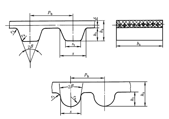
带的齿形与齿宽 |
|||||||||||||||||||||||||||||||||||||||||||||||||||||||||
|
周节制 模数制 特殊节距制
圆弧齿 |
|
||||||||||||||||||||||||||||||||||||||||||||||||||||||||
|
mm |
|||||||||||||||||||||||||||||||||||||||||||||||||||||||||
|
周节制(GB/T 11616 —1989) |
型号 |
节距 pb |
齿形角 2β /(°) |
齿根厚 s |
齿高 ht |
齿根圆 角半径 rr |
齿顶圆 角半径 ra |
带高 hs |
带 宽 bs |
||||||||||||||||||||||||||||||||||||||||||||||||
|
MXL |
2.032 |
40 |
1.14 |
0.51 |
0.13 |
1.14 |
公称尺寸 |
3.0 |
4.8 |
6.4 |
|||||||||||||||||||||||||||||||||||||||||||||||
|
代 号 |
012 |
019 |
025 |
||||||||||||||||||||||||||||||||||||||||||||||||||||||
|
XXL |
3.175 |
50 |
1.73 |
0.76 |
0.2 |
0.3 |
1.52 |
公称尺寸 |
3.0 |
4.8 |
6.4 |
||||||||||||||||||||||||||||||||||||||||||||||
|
代 号 |
012 |
019 |
025 |
||||||||||||||||||||||||||||||||||||||||||||||||||||||
|
XL |
5.080 |
2.57 |
1.27 |
0.38 |
2.3 |
公称尺寸 |
6.4 |
7.9 |
9.5 |
||||||||||||||||||||||||||||||||||||||||||||||||
|
代 号 |
025 |
031 |
037 |
||||||||||||||||||||||||||||||||||||||||||||||||||||||
|
L |
9.525 |
40 |
4.65 |
1.91 |
0.51 |
3.60 |
公称尺寸 |
12.7 |
19.1 |
25.4 |
|||||||||||||||||||||||||||||||||||||||||||||||
|
代 号 |
050 |
075 |
100 |
||||||||||||||||||||||||||||||||||||||||||||||||||||||
|
H |
12.700 |
6.12 |
2.29 |
1.02 |
4.30 |
公称尺寸 |
19.1 |
25.4 |
38.1 |
50.8 |
76.2 |
||||||||||||||||||||||||||||||||||||||||||||||
|
代 号 |
075 |
100 |
150 |
200 |
300 |
||||||||||||||||||||||||||||||||||||||||||||||||||||
|
XH |
22.225 |
12.57 |
6.35 |
1.57 |
1.19 |
11.20 |
公称尺寸 |
50.8 |
76.2 |
101.6 |
|||||||||||||||||||||||||||||||||||||||||||||||
|
代 号 |
200 |
300 |
400 |
||||||||||||||||||||||||||||||||||||||||||||||||||||||
|
XXH |
31.750 |
19.05 |
9.53 |
2.29 |
1.52 |
15.7 |
公称尺寸 |
50.8 |
76.2 |
101.6 |
127 |
||||||||||||||||||||||||||||||||||||||||||||||
|
代 号 |
200 |
300 |
400 |
500 |
|||||||||||||||||||||||||||||||||||||||||||||||||||||
|
模数制 |
模数 m |
节距 pb |
齿形角 2β /(°) |
齿根厚 S |
齿高 ht |
齿根圆 角半径 rr |
齿顶圆 角半径 ra |
带高 hs |
齿顶厚 St |
节顶距 δ |
带宽 bs |
||||||||||||||||||||||||||||||||||||||||||||||
|
1 |
3.142 |
40 |
1.44 |
0.6 |
0.10 |
1.2 |
1 |
0.250 |
4、8、10 |
||||||||||||||||||||||||||||||||||||||||||||||||
|
1.5 |
4.712 |
2.16 |
0.9 |
0.15 |
1.65 |
1.5 |
0.375 |
8、10、12、16、20 |
|||||||||||||||||||||||||||||||||||||||||||||||||
|
2 |
6.283 |
2.87 |
1.2 |
0.20 |
2.2 |
2 |
0.500 |
10、12、16、20、25、30 |
|||||||||||||||||||||||||||||||||||||||||||||||||
|
2.5 |
7.854 |
3.59 |
1.5 |
0.25 |
2.75 |
2.5 |
0.625 |
10、12、16、20、25、30、40 |
|||||||||||||||||||||||||||||||||||||||||||||||||
|
3 |
9.425 |
4.31 |
1.8 |
0.30 |
3.3 |
3 |
0.750 |
12、16、20、25、30、40、50 |
|||||||||||||||||||||||||||||||||||||||||||||||||
|
4 |
12.566 |
5.75 |
2.4 |
0.40 |
4.4 |
4 |
1.000 |
16、20、25、30、40、50、60 |
|||||||||||||||||||||||||||||||||||||||||||||||||
|
5 |
15.708 |
7.18 |
3.0 |
0.50 |
5.5 |
5 |
1.250 |
20、25、30、40、50、60、80 |
|||||||||||||||||||||||||||||||||||||||||||||||||
|
7 |
21.991 |
10.06 |
4.2 |
0.70 |
7.7 |
7 |
1.750 |
25、30、40、50、60、80、100 |
|||||||||||||||||||||||||||||||||||||||||||||||||
|
10 |
31.416 |
14.37 |
6.0 |
1.00 |
11.0 |
10 |
2.500 |
40、50、60、80、100、120 |
|||||||||||||||||||||||||||||||||||||||||||||||||
|
特殊 节距制 |
型号 |
节距 pb |
齿形角 2β /(°) |
齿根厚 S |
齿高 ht |
齿根圆 角半径 rr |
齿顶圆 角半径 ra |
带高 hs |
齿顶厚 St |
节顶距 δ |
带宽 bs |
||||||||||||||||||||||||||||||||||||||||||||||
|
T2.5 |
2.5 |
40±2 |
1.5±0.05 |
0.7±0.05 |
0.2 |
1.3±0.15 |
1.0 |
0.3 |
4、6、10 |
||||||||||||||||||||||||||||||||||||||||||||||||
|
T5 |
5 |
2.65±0.05 |
1.2±0.05 |
0.4 |
2.2±0.15 |
1.8 |
0.5 |
6、10、16、25 |
|||||||||||||||||||||||||||||||||||||||||||||||||
|
T10 |
10 |
5.30±0.1 |
2.5±0.1 |
0.6 |
4.5±0.3 |
3.5 |
1.0 |
16、25、32、50 |
|||||||||||||||||||||||||||||||||||||||||||||||||
|
T20 |
20 |
10.15±0.15 |
5.0±0.15 |
0.8 |
8.0±0.45 |
6.5 |
1.5 |
32、50、75、100 |
|||||||||||||||||||||||||||||||||||||||||||||||||
|
圆弧齿(JB/T 7512.1 —1994) |
型号 |
节距 pb |
齿形角 2β /(°) |
齿根厚 S |
齿高 ht |
齿根圆 角半径 rr |
齿顶圆 角半径 ra |
带高 hs |
带宽 bs |
||||||||||||||||||||||||||||||||||||||||||||||||
|
3M |
3 |
14 |
1.78 |
1.22 |
0.24~ 0.30 |
0.87 |
2.40 |
公称 尺寸 |
6 |
9 |
15 |
||||||||||||||||||||||||||||||||||||||||||||||
|
代号 |
6 |
9 |
15 |
||||||||||||||||||||||||||||||||||||||||||||||||||||||
|
5M |
5 |
3.05 |
2.06 |
0.40~ 0.44 |
1.49 |
3.80 |
公称 尺寸 |
9 |
15 |
20 |
25 |
30 |
40 |
||||||||||||||||||||||||||||||||||||||||||||
|
代号 |
9 |
15 |
20 |
25 |
30 |
40 |
|||||||||||||||||||||||||||||||||||||||||||||||||||
|
8M |
8 |
5.15 |
3.38 |
0.64~ 0.76 |
2.46 |
6.00 |
公称 尺寸 |
20 |
25 |
30 |
40 |
50 |
60 |
70 |
85 |
||||||||||||||||||||||||||||||||||||||||||
|
代号 |
20 |
25 |
30 |
40 |
50 |
60 |
70 |
85 |
|||||||||||||||||||||||||||||||||||||||||||||||||
|
14M |
14 |
9.40 |
6.02 |
1.20~ 1.35 |
4.50 |
10.00 |
公称 尺寸 |
30 |
40 |
55 |
85 |
100 |
115 |
130 |
150 |
170 |
|||||||||||||||||||||||||||||||||||||||||
|
代号 |
30 |
40 |
55 |
85 |
100 |
115 |
130 |
150 |
170 |
||||||||||||||||||||||||||||||||||||||||||||||||
|
20M |
20 |
14 |
8.40 |
1.77~ 2.01 |
6.50 |
13.20 |
公称 尺寸 |
70 |
85 |
100 |
115 |
130 |
150 |
170 |
230 |
290 |
340 |
||||||||||||||||||||||||||||||||||||||||
|
代号 |
70 |
85 |
100 |
115 |
130 |
150 |
170 |
230 |
290 |
340 |
|||||||||||||||||||||||||||||||||||||||||||||||
|
注:1.周节制同步带有单面齿、双面齿之分,双面齿同步带又分为对称齿(代号为DA型)、交错齿(代号为DB型)、见下图。 2.本表的hs为单面齿的带高。
|
|||||||||||||||||||||||||||||||||||||||||||||||||||||||||


