|
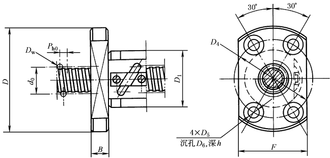
外循环埋入式微型滚珠螺母安装、连接尺寸 |
||||||||||
|
mm |
||||||||||
|
规格 代号 |
公称直径 |
公称导程 |
滚珠螺母安装、连接尺寸 |
|||||||
|
d0 |
Ph0 |
D1 |
D |
D4 |
B |
D5 |
D6 |
h |
F |
|
|
0602 |
6 |
2 |
20 |
37 |
28 |
6 |
3.4 |
6 |
3.4 |
24 |
|
0602.5 |
2.5 |
20 |
37 |
28 |
6 |
3.4 |
6 |
3.4 |
24 |
|
|
0802 |
8 |
2 |
22 |
43 |
32 |
8 |
4.5 |
8 |
4.6 |
29 |
|
0802.5 |
2.5 |
|||||||||
|
0803 |
3 |
|||||||||
|
1002 |
10 |
2 |
24 |
45 |
34 |
8 |
4.5 |
8 |
4.6 |
30 |
|
1002.5 |
2.5 |
|||||||||
|
1003 |
3 |
26 |
47 |
36 |
8 |
4.5 |
8 |
4.6 |
31 |
|
|
1004 |
4 |
|||||||||
|
1202 |
12 |
2 |
26 |
47 |
36 |
8 |
4.5 |
8 |
4.6 |
31 |
|
1202.5 |
2.5 |
|||||||||
|
1203 |
3 |
28 |
49 |
38 |
10 |
4.5 |
8 |
4.6 |
32 |
|
|
1204 |
4 |
30 |
51 |
40 |
10 |
4.5 |
8 |
4.6 |
32 |
|
|
1205 |
5 |
32 |
53 |
42 |
10 |
4.5 |
8 |
4.6 |
34 |
|

