|
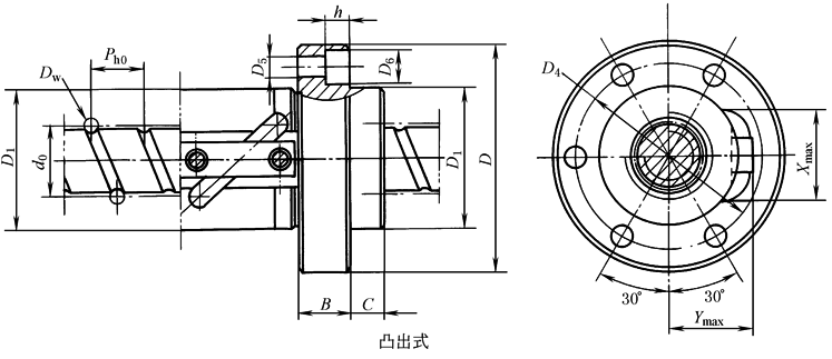
外循环埋入式和凸出式大导程滚珠螺母安装、连接尺寸 |
|||||||||||||||||||
|
mm |
|||||||||||||||||||
|
规格 代号 |
公称 直径 |
公称 导程 |
滚珠螺母安装、连接尺寸 |
||||||||||||||||
|
埋 入 式 |
凸 出 式 |
||||||||||||||||||
|
d0 |
Ph0 |
D1 |
D |
D4 |
B |
D5 |
D6 |
h |
D1 |
D |
D4 |
B |
C |
D5 |
D6 |
h |
Xmax |
Ymax |
|
|
2010 |
20 |
10 |
50 |
76 |
63 |
15 |
5.5 |
10 |
5.7 |
40 |
66 |
53 |
13 |
8 |
5.5 |
10 |
5.7 |
26 |
28 |
|
2012 |
12 |
10 |
|||||||||||||||||
|
2016 |
16 |
10 |
|||||||||||||||||
|
2020 |
20 |
10 |
|||||||||||||||||
|
2516 |
25 |
16 |
60 |
89 |
75 |
15 |
6.6 |
11 |
6.8 |
45 |
74 |
60 |
15 |
10 |
6.6 |
11 |
6.8 |
37 |
39 |
|
2520 |
20 |
||||||||||||||||||
|
2525 |
25 |
||||||||||||||||||
|
3216 |
32 |
16 |
67 |
104 |
85 |
15 |
9 |
15 |
9 |
53 |
90 |
71 |
22 |
10 |
9 |
15 |
9 |
41 |
39 |
|
3220 |
20 |
||||||||||||||||||
|
3225 |
25 |
||||||||||||||||||
|
3232 |
32 |
||||||||||||||||||
|
4020 |
40 |
20 |
85 |
127 |
105 |
22 |
11 |
18 |
11 |
63 |
107 |
85 |
22 |
10 |
11 |
18 |
11 |
49 |
44 |
|
4025 |
25 |
||||||||||||||||||
|
4032 |
32 |
||||||||||||||||||
|
4040 |
40 |
||||||||||||||||||
|
5025 |
50 |
25 |
100 |
149 |
125 |
28 |
13.5 |
20 |
13 |
85 |
134 |
110 |
28 |
12 |
13.5 |
20 |
13 |
61 |
57 |
|
5032 |
32 |
||||||||||||||||||
|
5040 |
40 |
||||||||||||||||||


