|
运动形式及其载荷分析 |
|||
|
运动形式 |
传动简图及螺杆载荷图 |
运动形式 |
传动简图及螺杆载荷图 |
|
螺母固定,螺杆转动并作直线运动,如某些千斤顶 |
|
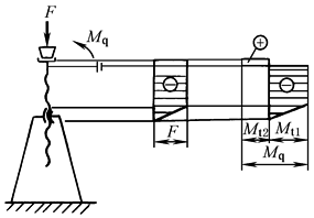
螺杆转动,螺母作直线运动,如机床进给传动、虎钳 |
|
|
螺杆转动,螺母作直线运动,如机床进给传动、虎钳 |
|
|
|
|
螺母固定,螺杆转动并作直线运动,如某些压力机 |
|
螺母转动,螺杆作直线运动,如某些千斤顶、压力机 |
|
|
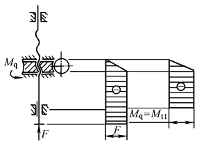
螺杆固定,螺母转动并作直线运动,用于某些手动调整机构,如插齿机主轴箱的移动调整 |
|
F——轴向载荷,N Mq——驱动转矩,N·m,Mq=Mt1+Mt2+Mt3 Mt1——螺纹摩擦力矩,N·m Mt2,Mt3——轴承摩擦力矩,N·m 表列螺纹均右旋 |
|







