嘉立创PCB
PCB、FPC制造服务
嘉立创SMT
一站式PCBA服务平台
嘉立创激光钢网治具
激光钢网&治具制造
立创商城
一站式元器件采购自营商城
嘉立创FA
机械/电气零部件一站式商城
嘉立创3D打印
树脂、尼龙、金属3D打印服务
嘉立创CNC机械智造
机加件一件起订,3天交货
嘉立创EDA
国产PCB设计工具
嘉立创CAM
国产线路板CAM软件
Forface 3D
SaaS化3D技术服务平台
硬创社
好玩的硬件交流社区
供应商合作
一站式阳光采购平台
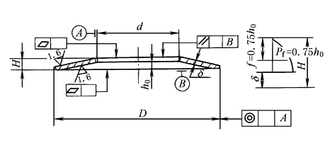
碟形弹簧工作图
图1 无支承面碟簧
技术要求:
1.精度等级
2.锐角倒圆
3.内锥角喷丸处理
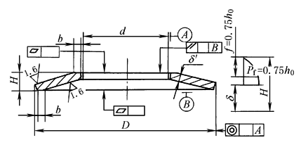
图2 有支承面碟簧
2.锐角倒圆 R=1.5
< 上一篇:
碟形弹簧计算示例
下一篇:
碟形弹簧应用实例 >