|
矩形截面圆柱螺旋压缩弹簧计算公式 |
|||
|
|
|||
|
项 目 |
单位 |
公 式 及 数 据 |
|
|
最大工作载荷Pn |
N |
式中 β —— 系数,由图2查取
|
|
|
最大工作载荷下的变形Fn |
mm |
式中 γ —— 系数,由图1查取 n—— 有效圈数 |
|
|
应力τ |
MPa |
式中 β—— 系数,由图2查取 |
|
|
有效圈数n |
圈 |
|
|
|
弹簧刚度P' |
N/mm |
|
|
|
工作极限载荷Pj |
N |
|
|
|
工作极限载荷下变形Fj |
mm |
|
|
|
最小工作载荷P1 |
N |
|
|
|
最小工作载荷下变形F1 |
mm |
|
|
|
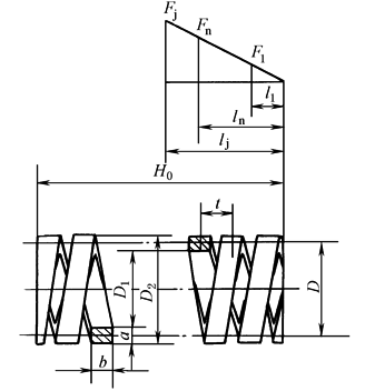
弹簧外径D2 弹簧中径D 弹簧内径D1 |
mm |
D2根据实际空间要求设定 D=D2-a D1=D2-2a |
|
|
端部结构 |
|
端部并紧、磨平,支承圈为1圈 |
端部并紧、不磨平,支承圈为1圈 |
|
总圈数n1 |
圈 |
n1=n+2 |
n1=n+2 |
|
自由高度H0 |
mm |
H0=n t+1.5b |
H0=n t+3b |
|
压并高度Hb |
mm |
Hb=(n+1.5)b |
Hb=(n+3)b |
|
节距t |
mm |
一般取t=(0.28~0.5)D2 |
|
|
间距δ |
mm |
δ=t-b |
|
|
工作行程h |
mm |
h=Fn-F1 |
|
|
螺旋角α |
(°) |
|
|
|
展开长度L |
mm |
L=n1πD |
|
|
图1 系数γ值
图2 系数β值 |
|||





