|
矩形截面圆柱螺旋压缩弹簧 |
|
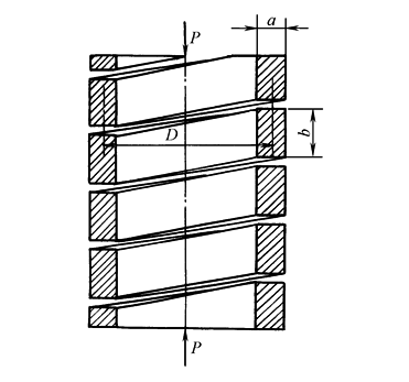
矩形截面圆柱螺旋压缩弹簧与圆形截面圆柱螺旋压缩弹簧相比,在同样的空间,它的截面积大,因此吸收的能量大,可用作重型的要求刚度大的弹簧。另一方面,矩形截面圆柱螺旋压缩弹簧的特性曲线更接近于直线,即弹簧的刚度更接近固定的常数,因此,这种弹簧通常用于特定用途的计量器械上。其形状如下图所示,图中a和b分别是和螺旋中心线垂直边和平行边的长度,其余符号和上节相同
矩形截面圆柱螺旋压缩弹簧 |
|
矩形截面圆柱螺旋压缩弹簧 |
|
矩形截面圆柱螺旋压缩弹簧与圆形截面圆柱螺旋压缩弹簧相比,在同样的空间,它的截面积大,因此吸收的能量大,可用作重型的要求刚度大的弹簧。另一方面,矩形截面圆柱螺旋压缩弹簧的特性曲线更接近于直线,即弹簧的刚度更接近固定的常数,因此,这种弹簧通常用于特定用途的计量器械上。其形状如下图所示,图中a和b分别是和螺旋中心线垂直边和平行边的长度,其余符号和上节相同
矩形截面圆柱螺旋压缩弹簧 |