|
泵用机械密封冲洗系统 |
||||||
|
泵用机械密封冲洗系统见下表,表中方案号与美国石油学会标准API 682相同,详见文献。 |
||||||
|
简 图 |
特点及说明 |
用 途 |
||||
|
方案01 |
泵体内部循环,泵送介质从叶轮的背面靠近出口处的泵体上的冲洗孔内流向密封腔内。结构简单,但对系列泵灵活性小,如改用其他冲洗方式困难较大,一般不采用 |
推荐只用于清洁的介质。可用于介质在正常温度下变稠或凝固的场合,减少外部冲洗管内介质冻结的危险,但必须保证冲洗孔内有足够的内部循环量,维持稳定的密封面工作状态 |
||||
|
方案02 |
密封腔冲洗液出口堵死,不设循环冲洗液系统。密封腔内介质的压力和温度都很低。要考虑介质和蒸气压的大小,避免介质在密封腔内或密封面上汽化 介质是从叶轮背面经喉部衬套流向密封腔内的 |
是化学工业中应用较广的一种冲洗方式。用于温度低、清洁、高比热容的介质,如水,或不易汽化的介质以及低转速的泵上 |
||||
|
方案11 |
再循环液从泵出口引出作为冲洗液,经流量控制孔板到达密封腔内,对机械密封进行冷却,且从密封腔V口排出空气和蒸气。然后,冲洗液从密封腔内侧的喉部衬套与轴的间隙返回到泵内 |
广泛用于清洁的一般介质的泵。若用于高扬程的泵,需要进行冲洗量的计算,以便确定合适的孔板和喉部衬套的尺寸,确保足够的密封冲洗量 |
||||
|
方案12 |
再循环液从泵出口引出作为冲洗液,经过滤器和流量控制孔板到达密封腔内。该方案类似方案11,但增加一个过滤器,以除去介质中偶然出现的颗粒。通常不推荐使用过滤器,因为过滤器堵塞会引起密封失效 |
用于介质比较清洁的场合。目前,作为参考列在API 682标准中,但不能提供3年使用寿命的保证 |
||||
|
方案13 |
再循环液作为冲洗液从泵的密封腔引出,经流量控制孔板返回到泵的吸入口。在密封腔的内侧不设置喉部衬套。立式泵的密封腔压力可认为泵出口压力,类似于方案11工作。冲洗液对密封进行冷却并随同冲洗液排出密封腔内的空气和蒸气 |
是立式泵的标准冲洗方案。方案01、11、12、21、23、31或方案41与方案13一起用于立式液下泵 本方案在立式管道泵上具有自排气的能力,提供的压差足够保证循环量和密封的压力,且能防止冲洗液汽化 也可用于高扬程泵,不宜用于低扬程泵,因密封腔和泵入口压差太小。通常需计算冲洗量和孔板尺寸,确定本方案的适用性 |
||||
|
方案14 |
是方案11和方案13的组合。再循环液作为冲洗液从泵出口引出,经流量控制孔板到达密封腔内,然后从密封腔出来经流量控制孔板(如果要求)到泵入口。冲洗液冷却密封腔,带走密封腔内的挥发气体和降低密封腔压力 |
常用于立式泵 |
||||
|
方案21 |
再循环液作为冲洗液从泵出口引出,流量经控制孔板和冷却器后进入密封腔。加大冲洗液温度与其饱和蒸气压温度的温差,满足副密封温度限制的要求,降低结焦或产生聚合物或改进润滑性(如热水) 该方案的优点是提供冷却的冲洗液,而且还有足够的压差,可达到更好的流动效果。缺点是冷却器负荷高,水侧容易结垢、堵塞;能耗比方案23大,这是因为冲洗液必须从泵的入口压力加压到出口压力 |
用于工艺介质温度超过密封极限温度的场合。最好采用翅片式空冷器代替水冷式冷却器 也可用于高凝固点和高黏度介质,冷却器通蒸气代替冷却水 |
||||
|
方案22 |
再循环液作为冲洗液从泵出口引出,经过滤器、流量控制孔板和冷却器,到达密封腔内。采用过滤器的目的是过滤介质中偶尔出现的颗粒,但不推荐使用,因为过滤器堵塞会引起密封失效 |
实际是方案12和方案21的组合 用于介质比较清洁、温度超过密封极限温度的场合。目前,作为参考列入API 682标准中,但不能提供3年使用寿命的保证 |
||||
|
方案23 |
再循环液作为冲洗液从密封腔内输液环引出,经冷却器返回到密封腔内。密封腔内冲洗液用喉部衬套与泵腔介质隔开。冷却后的冲洗液不易流入工艺介质内。密封腔内用循环装置(输液环)将液体循环。输液环提供的扬程只需满足循环液循环的要求,通常低于泵出口扬程。冷却器仅仅冷却冲洗液带出的密封面产生的热量加上密封从介质吸收的热量。冷却负荷通常低于方案21或方案22 |
用于泵送介质为80℃或80℃以上的热水、锅炉给水以及烃类等场合。因为这些介质具有很低的润滑性,导致密封面极大磨损。冲洗液经过冷却后,增大密封腔压力和密封腔内冲洗液的蒸气压的压差,使冲洗液不易汽化 也可以用于输送高凝固点和高黏度介质的泵,采用蒸气作为冷却器内的冷却介质 |
||||
|
方案31 |
再循环液作为冲洗液从泵出口引出,进入旋液分离器。固体颗粒从介质中分离后返回到泵入口。从旋液分离器出来的清洁冲洗液进入密封腔内。推荐设置喉部衬套 |
用于泵送介质中固体颗粒的相对密度是介质的2倍或2倍以上的场合,如输送水,在旋液分离器分离掉砂粒或管道中的熔渣 如果工艺介质是非常脏或是浆液,本方案不适用或不推荐用 |
||||
|
方案32 1—卖方供货范围;2—买方供货范围;3—外供冲洗液;4—选择项 |
冲洗液从外部引入密封腔内。密封腔内侧应装有与轴间隙很小的喉部衬套,维持腔内有较高的压力,能将冲洗液与工艺介质隔开 外部冲洗液应是清洁、不易汽化、连续、可靠、压力高于密封腔压力,即使在非正常状态,如开停车也能保证使用。冲洗液还应与工艺介质相容,因为冲洗液会从喉部衬套与轴的间隙流进工艺介质内 |
用于泵送介质含有固体颗粒和污染物的场合。也可以用于降低液体汽化或空气通过密封面漏到密封腔(真空状态作用)的场合,因为提供的冲洗液有很低的蒸气压或增高密封腔的压力,从而满足使用要求 不推荐用于冷却的场合,否则能耗太高 |
||||
|
方案41 |
再循环液作为冲洗液从泵出口引出,进入旋液分离器,分离出固体颗粒回到泵入口;清洁的液体进入冷却器,然后从冲洗液口F进入密封腔 经冷却的冲洗液温度低于它的饱和蒸气压的温度,满足副密封元件的温度限制,可减小工艺介质结焦、聚合或改善润滑性(如水) 推荐采用喉部衬套 其他优缺点详见方案21 |
由方案21和方案31组合而成。用于温度较高、介质中固体颗粒的相对密度是介质的2倍或2倍以上的场合。用于热水的密封,排除系统中的砂粒和管道中的熔渣 不适用或不推荐用于工艺介质非常脏或是悬浮液的场合 |
||||
|
方案51 |
阻封液出口D堵住,外供清洁的阻封液倒入储液罐内,靠自重从Q口流入密封端面低压侧。阻封液只进不出,漏损后由储液罐补充。这种系统需在机械密封外侧装有简单的密封,如节流衬套、填料密封、唇式密封等 |
用于双端面密封和单端面密封的阻封,将泄漏的工艺介质与大气隔离,如输送易结晶介质时,阻封液可用蒸气或其他热介质,也可以通入甲醇,起到不冻结的作用 |
||||
|
方案52 1—买方供货范围;2—卖方供货范围;3—去收集系统;4—正常运转 时全开启;5—如果规定设置;6—储液罐;7—补充缓冲液入口 |
是非加压式双端面密封冲洗方案。外供储液罐内的缓冲液,在正常运转期间通过腔内输液环进行循环。储液罐通常连续排出挥发性气体到收集系统,保持储液罐内的压力低于密封腔压力,接近大气压 当内侧密封失效时,外侧密封可以阻挡工艺介质不向外漏,此时储液罐内压力升高,通过压力开关 PS 的信号输出或通过储液罐上的液位开关高,LSH 报警,更换密封 当外侧密封失效时,储液罐上的液位开关低,LSL 报警,更换密封 |
用于双端面密封的外侧密封,可以认为是工艺介质无泄漏到大气的密封 用于清洁、无聚合物、蒸气压高于缓冲液的介质中,如果工艺介质从内侧密封泄漏到密封腔内,工艺介质将在储液罐内闪蒸,逸出的蒸气排至收集系统。如果工艺介质的蒸气压低于缓冲液或储液罐内的压力,则泄漏的工艺介质残留并污染缓冲液 因为内侧密封的泄漏万一不能过早检测出,会使较重的工艺介质下沉,较轻的缓冲液上移,造成两个密封之间的区域内聚集工艺介质。在这种情况下,外侧密封的泄漏会导致工艺介质漏到大气中 |
||||
|
方案53A 1—买方供货范围;2—卖方供货范围;3—外部压力源;4—切断阀,正常 运转时全开启;5—如果规定;6—储液罐;7—补充隔离液入口
方案53B 1—补充隔离液入口;2—气囊式蓄压器;3—如果规定设置;4—气囊充气口
方案53C 1—补充隔离液入口;2—如果规定设置;3—活塞式蓄压器 |
是加压式双端面密封冲洗方案。方案53A 是从外部提供的清洁、有压力的隔离液,经储液罐进入密封腔内,再通过机械密封上的输液环进行循环,保证循环流量 方案53B 也是加压式双端面密封系统,与方案53A 不同的是维持密封循环的隔离液的压力采用了气囊式蓄压器利用空冷式或水冷式冷却器从循环系统中带走热量 方案53C 也是加压式双端面密封系统,与方案53A、53B 不同的是利用活塞式蓄压器维持隔离液的压力大于密封腔的压力 隔离液的压力应大于泵密封腔压力约0.15 MPa。内侧密封会有少量的隔离液漏到工艺介质内。如果密封腔内压力变化很大或压差超3.5MPa时,外侧密封的应力可以通过采用控制差压调节阀的设定压力比泵密封腔压力高0.14~0.17MPa来降低 |
用于加压式双端面密封,可以认为是工艺介质无泄漏到大气的密封 用于脏的、磨蚀或易聚合的介质,采用方案 52 会损坏密封端面或如果使用方案 52 ,隔离液系统会产生问题的场合 需要注意隔离液少量漏进工艺介质时,不会对产品产生不良影响。泄漏到工艺介质中的隔离液量,可以通过监测储液罐的液位监测 还需注意储液罐的压力应维持在一定范围内。如果压力过低,该系统会像方案 52 或像非加压式密封系统那样运转,无法满足采用该方案时的要求。特别是内侧密封泄漏方向被改变而流向隔离液、污染隔离液,时间久了,增加密封失效的可能性 |
||||
|
方案54 |
是加压式双端面密封冲洗方案。外部系统向密封腔内提供有压、清洁、冷却的隔离液,再由密封腔出来到外部隔离液系统或用泵进行循环。密封腔内的压力至少大于被密封工艺介质的压力0.14MPa。会有少量的隔离液漏到被密封介质内 |
广泛用于加压式双端面密封。常用于温度高或含有固体颗粒的介质,或是温度又高、又有固体颗粒的介质 要求隔离液来源可靠、连续,对被密封介质不会产生污染 需要注意的是隔离液的压力不能低于被密封介质的压力,否则一旦内侧密封失效会污染整个隔离液系统 |
||||
|
方案61 |
端盖上留有螺孔,出厂时堵住,供用户将来使用。必要时,用户可向外部密封提供阻封液,如蒸气、气体或水等 |
用于单端面机械密封的辅助密封 |
||||
|
方案62 |
外供液源提供的阻封液进入密封面的大气侧,以防固体颗粒在密封的大气侧积聚。密封外侧装有间隙很小的节流衬套。阻封液可以是低压蒸气、氮气或清洁水 |
在单端面机械密封使用。常用于隔离氧气源,防止如碳氢化合物介质的结焦,也用于冲洗密封元件周围堆积的杂质(如密封碱、盐介质) |
||||
|
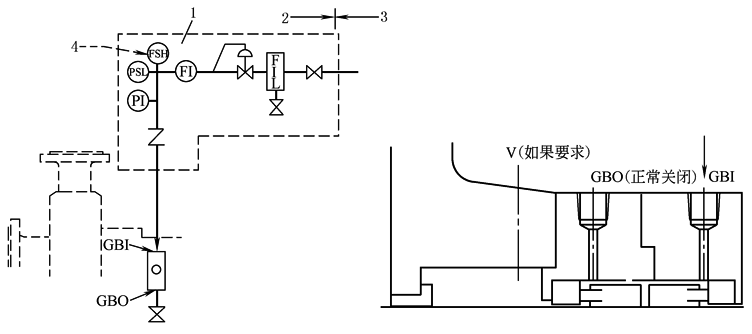
方案71 |
是非加压式双端面密封冲洗方案 端盖上留有螺孔,出厂时堵住,供用户将来使用。需要时,用户可向密封提供缓冲气(GBI口) |
用于非加压式、带有腔内气体保护密封的双端面密封。不用缓冲气,但最好有提供缓冲气的措施。缓冲气用于内侧密封泄漏液并进入排气收集系统(避免流入外 侧密封)或稀释泄漏液,但不规定使用 |
||||
|
简图 |
特点及说明 |
用途 |
||||
|
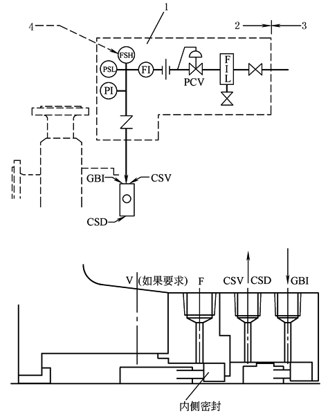
方案72 1—缓冲气控制盘;2—卖方供货范围;3—买方供货范围;4—如果规定设置 是非加压式双端面密封冲洗方案。外供缓冲气首先通过由买方供货的切断阀和逆止阀,进入本系统。该系统通常安装在由密封制造厂供货的控制板或控制盘上。在控制盘上的入口切断阀之后装有10μm过滤精度的组合过滤器(如果规定),除去任何有可能出现的颗粒与液滴。然后,气体通过设定压力为0.05MPa(表压)的背压式压力调节阀(如果规定)。接着,气体通过孔板进行流量控制,并用流量计测量(有时,用户喜欢用针形阀或截止阀代替孔板便于流量调节)。使用的压力表应监测缓冲气的压力不超过密封腔压力。在盘上最后的元件是逆止阀和切断阀。然后缓冲气通过小管流到密封 |
用于非加压式、带有腔内气体保护密封的双端面密封 若将腔内气体保护密封的排气口(CSV)和放净口(CSD)用堵头堵住,从GBI口通入的缓冲气仅用于稀释内侧密封的泄漏液,以减少泄漏液的外漏 该方案若与方案 75 或方案 76 联合使用,通入密封腔内的缓冲气用于带走内侧密封的泄漏液,直接进入方案 75 或方案 76 系统,避免流入外侧密封达到良好密封效果 用于泵送危险性介质的密封,但必须能检测和报警内侧密封情况,要事先知道整个密封将要失效的信息,能按计划有序停车或修理 缓冲气的压力应小于内侧密封工艺介质的压力 |
|||||
|
方案74 1—隔离气控制盘;2—卖方供货范围;3—买方供货范围;4—(如果规定设置)流量开关(高)报警 是加压式双端面密封冲洗方案。外供隔离气首先通过由买方供货的切断阀和逆止阀,然后进入本系统。本系统通常安装在由密封制造厂供货的控制板或控制盘上。盘上入口切断阀之后装有2~3μm过滤精度的组合过滤器,除去任何有可能出现的颗粒和液滴。然后,气体流向设定压力至少大于内侧 密封工艺介质压力0.175MPa的背压式压力调节阀(有时,用户喜欢在调节阀之后装一块孔板,限制隔离气用量用于密封万一粘住而封不严的情况)。当压力计显示合适的压力时,调节阀之后的流量计显示出准确的流量。若隔离气用量过大或密封严重泄漏时,系统压力下降,降到一定值时,压力开关(PSL)开始报警。在盘上最后的元件是逆止阀和切断阀,隔离气再通过小管进入密封腔 隔离气出口(GBO)正常运转时关闭,仅在需要降压时开启 密封腔排气口(V)在开车或正常运转时应能排气,避免气体在泵内聚集 |
用于加压式双端面密封,常用氮气作为隔离气,会有少量气体泄漏到泵内,多数气漏到大气 常用于温度不太高的介质(在橡胶元件允许使用温度范围内),但能用于含有不允许外漏的毒性或危险性介质。在正常使用条件下,不可能有泄漏液漏到大气中 亦可用于密封可靠性要求高的场合,如含有固体颗粒或者可能引起密封失效的其他介质。在正常使用时因密封腔压力高,这些介质不可能进入密封端面 不推荐用于黏性或聚合物介质,或抽空除水引起的颗粒堆积的场合 特别需要注意的是隔离气的压力不能低于被密封介质的压力,否则工艺介质会污染整个隔离气系统 |
|||||
|
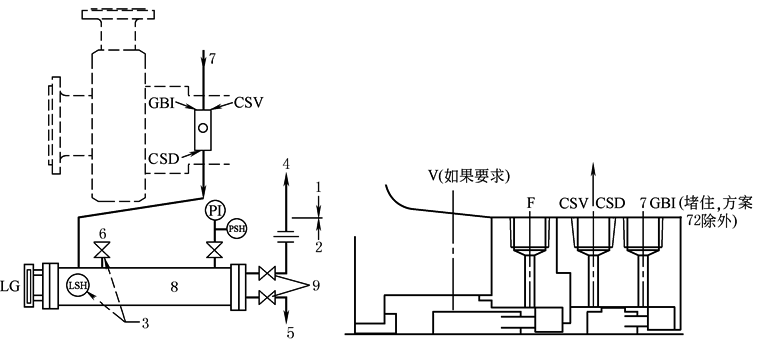
方案75 1—买方供货范围;2—卖方供货范围;3—如果规定设置; 4—去气体收集系统;5—去液 体收集系统;6—试验用接口;7—来自外供气源;8—收集器;9—切断阀 是非加压式双端面密封冲洗方案。从缓冲气入口(GBI)进来的缓冲气带走内侧密封泄漏的介质由放净口(CSD)排出,进入该系统 这种含有雾滴的气体在环境温度下被冷凝,收集在收集器内。在收集器上装有液位计(LG),以便确定收集器内液体何时必须放出。在收集器出气管上装有孔板,以限制气体排出量,这样,内侧密封泄漏量过大时,导致收集器压力升高,并触发设定压力为0.07MPa(表压)压力开关高(PSH)的信号。收集器出口上的切断阀 9 用于切断收集器向外排出,以便及时维修。将切断阀关闭还可用于试验内侧密封泄漏情况,而泵仍在运转,记下收集器内时间-压力相互关系的记录。如果规定,可以使用收集器上的试验用接口 6 注入氮气或其他气体,达到试验密封性能的目的 |
用于非加压式、带有腔内气体保护密封的双端面密封,从内侧密封泄漏的介质在环境温度下冷凝成液体的场合 注意,即使泵送介质在环境温度下不会产生冷凝液,用户也希望安装这个系统,因为收集系统可能会返流冷凝液 该方案是收集从内侧密封泄漏的介质,限制泵送介质漏到大气 该方案可与带有缓冲气的密封系统(方案72)组合使用;也可与不带缓冲气的密封系统(方案71)组合使用,但需用堵头堵住GBI口 |
|||||
|
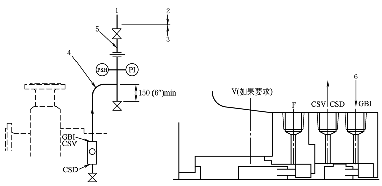
方案76 1—去收集系统;2—买方供货范围;3—卖方供货范围;4—小管; 5—管(收集管);6—外供气源 是非加压式双端面密封冲洗方案。从缓冲气入口(GBI)进来的缓冲气带走内侧密封泄漏的介质由排气口(CSV)排出,进入该系统 这种含有雾滴的气体在环境温度下雾滴不会被冷凝。在收集管的出口管上装有孔板,限制气体的排出量。这样,内侧密封泄漏量过大时,将会引起压力升高,并触发设定压力为0.07MPa(表压)压力开关高(PSH)的信号。出口上的切断阀用于切断系统,以便于维修。亦可将切断阀关闭,试验内侧密封泄漏情况而泵仍在运转,记下收集管内时间-压力相互关系的记录。如果规定,可以使用装在管 5 上的放净口注入氮气或其他气体,达到试验密封性能和检查液体沉积情况的目的 |
用于非加压式、带有腔内气体保护密封的双端面密封,从内侧密封泄漏的介质在环境温度下不会被冷凝的场合 本方案收集从内侧密封泄漏的介质,限制泵送介质漏到大气。排除万一液体聚集在腔内气体保护密封腔内会产生过热,引起碳氢化合物结焦和密封失效的可能 本方案可与带有缓冲气的密封系统(方案72)组合使用;也可与不带缓冲气的密封系统(方案71)组合使用,但需用堵头堵住缓冲气入口(GBI) |
|||||
|
注:1.图例及符号说明 |
||||||
|
|
|
L1 液位显示 |
|
Q 阻封液 |
||
|
|
|
LG 液位计 |
I 入口 |
D 放净 |
||
|
|
|
|
V 排气口 |
F 冲洗液 |
||
|
|
|
|
|
|
||
|
FI 冲洗液入口 |
FO 冲洗液出口 |
LBI 缓冲液/隔离液入口 |
LBO 缓冲液/隔离液出口 |
GBI 缓冲气入口 |
||
|
CSV 腔内气体保 护密封排气口 |
CSD 腔内气体保护密封放净口 |
I 入口 |
HCI 加热或冷却剂入口 |
HCO 加热或冷 却剂出口 |
||
|
2.表中提到的典型机械密封结构见图1。
图1 典型机械密封 |
||||||



























