|
干气密封 |
||||||
|
(1)结构和应用范围 干气密封系统主要由干气密封和干气密封供气系统两个部分组成,如图1所示;干气密封结构类似普通机械密封,如图2所示。干气密封通常在下列最大操作范围使用:每级密封压力10MPa;轴速150m/s;温度-60~230℃;轴径25~250mm。 |
||||||
|
图1 干气密封系统 |
图2 干气密封结构1—密封壳体;2—弹簧;3—推力环; 4—O形环;5—静环;6—动环;7—轴套 |
|||||
|
(2)密封原理 干气密封的密封环由一个端面受弹簧加载的静环和一个与之相对应的旋转动环组成。在动环或静环的密封端面上(或同时在两个环的密封端面上)开有特种槽。动环旋转时,端面槽对气体产生增压作用,气体压力分布由环外缘至槽的根部逐渐增加(见图4),动环与静环端面之间形成气膜,使密封端面之间具有足够的开启力而脱离接触,形成非接触式密封。密封端面宽度应比普通机械密封端面宽,因为端面上包括了带槽区和密封堰两个部分,见图3a。密封堰主要作用是在主机停机时,在弹簧力作用下,将两个密封端面贴紧保证停机密封。 密封端面上的槽形有螺旋槽、T形槽、U形槽、V形槽、双V形槽,如图3 所示。螺旋槽适于单向旋转,气膜刚度大,端面间隙大,温升小,但不适合双向旋转。其他形式的槽适于双向旋转,但气膜刚度低。
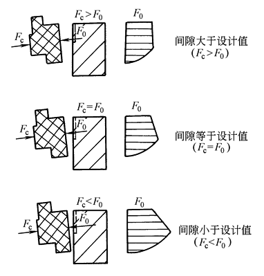
图3 密封端面的槽形 密封环旋转时,在弹簧力Ft和密封介质压力产生的气体力Fp作用下,始终将密封端面向贴紧方向加压,与加压产生的压紧力相对应的气体压力F0企图打开密封端面。在静止状态下,端面间的气体压力产生开启力,但槽不起增压作用,密封端面处于接触状态,在密封堰的平面上产生有效的密封(图5)。在满足不泄漏的条件下,有效接触力Fb为: Fc=Ft+Fp=F0+Fb |
||||||
|
图4 端面螺旋槽的工作原理 |
图5 静止状态下平衡条件(Fc=F0+Fb) Fc—压紧力;Ft—弹簧力;Fp—气体力; F0—开启力;Fb—接触力 |
|||||
|
在动环旋转时,动环端面上的槽将密封端面间隙内的气体进行增压,由此产生的气体动载的开启力打开密封端面,通常间隙大于2μm,动环旋转而不接触。主机启动时作为密封开启阶段各力关系为: Fc=Ft+Fp<F0 密封端面螺旋槽经短时间加压,直到密封端面开始不接触,达到合适的端面间隙。此时,开启力F0为: Fc=Ft+Fp=F0 端面间隙开启力F0的大小取决于密封端面间隙的大小,不同的间隙会引起开启力F0的改变。端面间隙增加,螺旋槽效应降低,则开启力F0减小,端面间隙也随之减小。反之,间隙增大,这就意味着干气密封的端面间隙是稳定的(图6),即Fc=F0。 当气体压力为零时,动环平均速度在2m/s左右能使密封环端面之间脱离接触,故要求主机在盘车时应具有足够的速度,避免密封端面接触而产生磨损。 |
图6 旋转状态下端面受力自身调节 |
|||||
|
(3)泄漏量与摩擦功率 干气密封因端面间隙较大,气体泄漏量较大,但与其他非接触式密封比较泄漏量是比较低的。干气密封泄漏量主要取决于被密封的气体压力、轴的转速和直径的大小。图7 所示干气密封泄漏量(标准状态0℃、0.1MPa)是基于轴径120mm的条件下测得的,供参考。 干气密封运转时因端面不接触,功率消耗在端面间气膜的剪切口,所以摩擦功率很小,约为油润滑普通机械密封的5%。图8 所示为轴径120mm条件下的干气密封摩擦功率。摩擦功率将转换为热量,使密封端面和密封腔温度升高。 |
||||||
|
图7 干气密封泄漏量(轴径d=120mm) |
图8 干气密封摩擦功率(轴径d=120mm) |
|||||
|
(4)干气密封的类型 |
||||||
|
表1 |
||||||
|
类型 |
简 图 |
特点及应用 |
||||
|
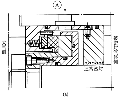
单 端 面 干 气 密 封 |
|
这种密封适合使用在被密封气体可以泄漏到大气而不会引起任何危险的场合,如空气压缩机、氮气压缩机和二氧化碳压缩机 当被密封气体比较脏时,应采用图中所示的迷宫密封。由压缩机出口引出高压被密封的气体经过滤器后得到清洁的气体称密封气,直接进入管口A,其压力稍高于被密封气体,导致密封腔内的气体朝向被密封气体方向流动,防止脏的被密封气体进入密封内,部分密封气通过密封端面的间隙漏到大气中 |
||||
|
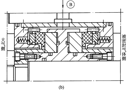
双 端 面 干 气 密 封 |
|
这种密封能防止被密封气体漏到大气中,在两个密封之间的管口 B 通入缓冲气,如氮气,氮气压力应比被密封气体压力高,缓冲气一部分通过外侧密封端面间隙漏到大气中,另一部分通过内侧密封端面间隙漏到被密封的气体中,适用于被密封气体不允许泄漏到大气及允许氮气泄漏到被密封气体的场合,如烃类气体及严禁泄漏到大气中的其他危险气体 |
||||
|
串 联 干 气 密 封 |
|
这种密封是将两个单端面密封串联起来使用,成为串联干气密封。被密封气体侧的密封承担全部压力差,大气侧的密封作为安全密封,实际上是在无压力条件下运转 压缩机出口引出的被密封的气体由 A 口引入,经内侧密封端面外径向内径方向泄漏,泄漏的气体经管口 C 排向火炬。大气侧的密封端面仅仅密封火炬和大气之间很低的压力差,所以由大气侧密封外径向内径侧泄漏的气体是微量的。当被密封气体比较脏时,迷宫密封应装在被密封气体侧密封的前边。高压被密封的工艺气体经过滤后,通过管口 A 引入密封内,详见表2 串联干气密封适用于允许微量被密封气体泄漏到大气中的场合,如石油化工生产用工艺气体压缩机 |
||||
|
三 端 面 串 联 干 气 密 封 |
|
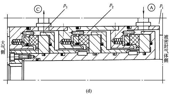
用于被密封气体总压力差超过10MPa,前两个密封为等压力差分配,第三个密封已接近无压力操作的安全密封,如同串联密封中大气侧密封那样。被密封气体压力p1 由 A 口引入,通过第一道密封后压力降至中间压力p2,再经第二道密封后压力降至排火炬的压力p3,由管口 C 排至火炬。从第三道密封的内径侧泄漏的气体是微量的,排至大气。如果被密封的工艺气体比较脏,则必须采用经过过滤的被密封气体在被密封气体侧的管口 A 引入进行冲洗 三端面串联干气密封适用于介质压力高于10MPa、允许有微量气体泄漏到大气的场合,如气体管道压缩机和石油化工工艺气体压缩机 |
||||
|
带 中 间 迷 宫 密 封 的 串 联 干 气 密 封 |
|
在串联干气密封的两个密封端面之间装设迷宫密封,用于工艺气体不允许漏到大气,也不允许缓冲气漏到被密封气体中的场合,如氢气、天然气、乙烯、丙烯压缩机 这种密封型式中的被密封气体侧的密封能承担全部压力差,被密封气体由 A 口引入,经密封端面外径一侧向内径一侧泄漏的气体由管口 C 排到火炬。如果被密封气体比较脏,内侧密封前应装设迷宫密封。被密封气体经过滤后由管口A进入密封腔,冲洗密封端面。大气侧密封采用缓冲气(氮气或空气)经管口 B 引入密封腔,冲洗密封端面。从密封端面泄漏的缓冲气汇同泄漏的工艺气体一起由管口 C 排至火炬。缓冲气的压力应保持通过迷宫密封到火炬的气量是稳定的 |
||||
|
螺 旋 槽 双 向 旋 转 干 气 密 封 |
1—密封壳体;2—弹簧;3—推力环; 4—轴套;5—动环;6—中间环; 7 ,9—O形环;8—静环 |
适合主机双向旋转的螺旋槽单端面干气密封,根据密封端面布置的型式,如双端面密封、串联密封都可以设计成双向旋转型式 密封端面开有螺旋槽的密封结构气膜刚度大,摩擦力小,发热量小,但仅适用于一个方向的运转,改变旋转方向会引起密封的损坏。螺旋槽双向旋转干气密封则解决了这个问题,它可以在两个方向、全速条件下运转 螺旋槽双向旋转干气密封是在静环8和动环5端面上分别开有螺旋槽,且在两密封端间用一个石墨制成的中间环6隔开。根据旋转方向不同,密封端面间隙可以在静环一侧建立,此时动环端面上螺旋槽方向不适合打开密封端面,它与中间环有很大的摩擦力,动环将带动中间环一起转动,并与静环端面螺旋槽形成干气密封。相反,密封端面间隙也可以在动环上建立(如与前述旋转方向相反),此时中间环便与静环一起静止不动,它与动环端面之间形成干气密封 干气密封在静止状态时,动环与静环均与中间环接触,并在各自端面上密封。动环轴向固定在轴套4上 |
||||
|
(5)密封供气系统 干气密封供气系统承担系统的控制、向密封提供缓冲气以及监测干气密封运转情况的工作,主要包括过滤器、切断阀、监测器、流量计、孔板等。为了显示出可能出现的故障,根据安全要求,密封系统应配备报警装置和停机继电器。如果需要定量监测,控制盘上应具有显示的功能。根据密封类型选用其供气方式,见表2。 |
||||||
|
表2 |
||||||
|
类型 |
系 统 图 |
说 明 |
||||
|
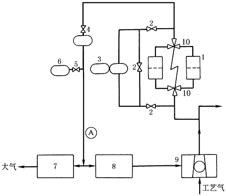
单 端 面 干 气 密 封 的 密 封 气 系 统 |
1—双过滤器;2—切断阀;3—带电触点的压差计; 4—带针形阀的流量计;5—测量切断阀; 6—带电触点的压力计;7—干气密封; 8—迷宫密封;9—压缩机;10—换向阀 |
密封气为工艺气体,由压缩机 9 出口引出,通过过滤精度2μm的双过滤器 1 (一台操作,一台备用),送至干气密封7的 A 口(表1,图a)。过滤器利用带电触点的压差计 3 监测过滤器阻力降。当压差升到一定值时,由电触点发出信号至控制室进行报警,人工转动换向阀 10 切换到另一台过滤器,该台过滤器便可以进行清理。密封气的流量由带针形阀的流量计 4 显示,并用针形阀调节。带电触点的压力计 6 显示并控制气体压力,监测密封泄漏情况,若密封失效时,气体外漏,带电触点的压力计 6 显示出压力过低,通过电触点发出信号报警 |
||||
|
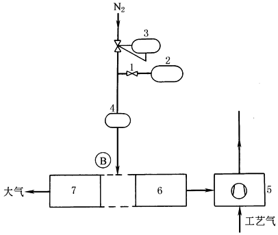
双 端 面 干 气 密 封 的 缓 冲 气 系 统 |
1—测量切断阀;2—带电触点的压力计;3—减压阀; 4—带电触点的流量计;5—压缩机;6,7—干气密封 |
在双端面密封中间即大气侧密封和介质侧密封之间通入由外部提供的清洁缓冲气,如氮气,由干气密封 B 口引入(表1,图b)。缓冲气向密封两侧泄漏是微量的。缓冲气的流量和压力由带电触点的流量计 4 和带电触点的压力计 2 显示和控制,并利用电触点发出信号至控制室,监测密封泄漏情况。若密封失效,泄漏量增大、缓冲气压力降低,将发出信号报警。为了保证密封的使用寿命,缓冲气也需经双过滤器(一台操作、一台备用)过滤,过滤精度2μm |
||||
|
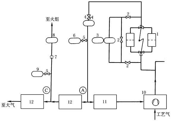
串 联 干 气 密 封 的 密 封 气 系 统 |
1—双过滤器;2—切断阀;3—带电触点的差压计;4—带针形阀的流量计; 5—测量切断阀;6—带电触点的压力计;7—孔板;8—流量计; 9—压力开关;10—压缩机;11—迷宫密封;12—串联干气密封 |
被密封气体侧的密封采用经过过滤的高压被密封气体由 A 口引入(见表1 图c)进行冲洗,如同单端面干气密封的密封气系统那样,流量和压力差需要监测。泄漏的被密封气体集中在两个密封之间后由 C 口排至火炬 流量计 8 用于测量泄漏气体的流量。由压力开关 9 引出压力信号,监测密封泄漏情况。压力高或低都应报警。压力高,表示被密封气体侧密封失效;压力低,表示大气侧密封失效 |
||||
|
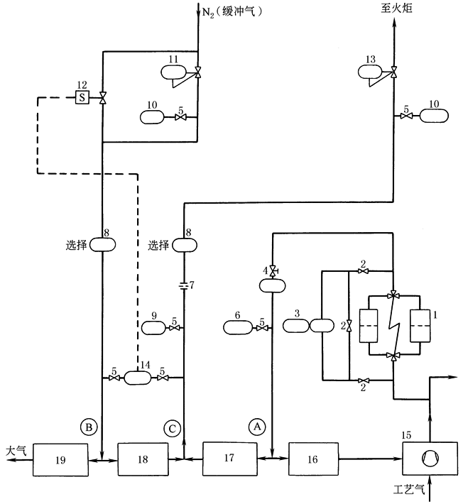
带 中 间 迷 宫 密 封 的 串 联 干 气 密 封 的 缓 冲 气 系 统 |
1—双过滤器;2—切断阀;3—带电触点的差压计;4—带针形阀的流量计;5—测量切断阀; 6—带电触点的压力计;7—孔板;8—流量计;9—压力开关;10—压力计;11—减压计; 12—电磁阀;13—流量调节阀;14—带电触点的差压计;15—压缩机; 16,18—迷宫密封;17,19—干气密封 |
被密封气体侧的干气密封 17 采用经过过滤的被密封气体由管口 A 引入(见表1 图e),进行冲洗,如同单端面干气密封的密封气系统。从干气密封 17 泄漏的气体从管口 C 排至火炬 中间迷宫密封 18 装在去火炬管口 C和缓冲气供给管口 B 之间。外侧干气密封 19 用于防止缓冲气泄漏到大气。利用带电触点的差压计 14 的电触点控制电磁阀 12 的开度,保证缓冲气的压力始终高于去火炬的气体压力,以确保从中间迷宫密封泄漏的缓冲气与泄漏的被密封气体一起由管口 C 排至火炬。若被密封气体侧干气密封 17 失效,由于泄漏的气体压力的影响,导致缓冲气压力升高,压力开关 9 发出信号报警。中间迷宫密封 18 阻止泄漏气体漏到大气侧,泄漏的气体排至火炬。如果外侧密封失效,B、C口差压过低,则发出信号报警 图中标有“选择”是选择项,根据需要确定是否采用 |
||||


















