|
AJS型、JS型油气分配器(JB/ZQ 4749—2006) |
||||||||||||||||
|
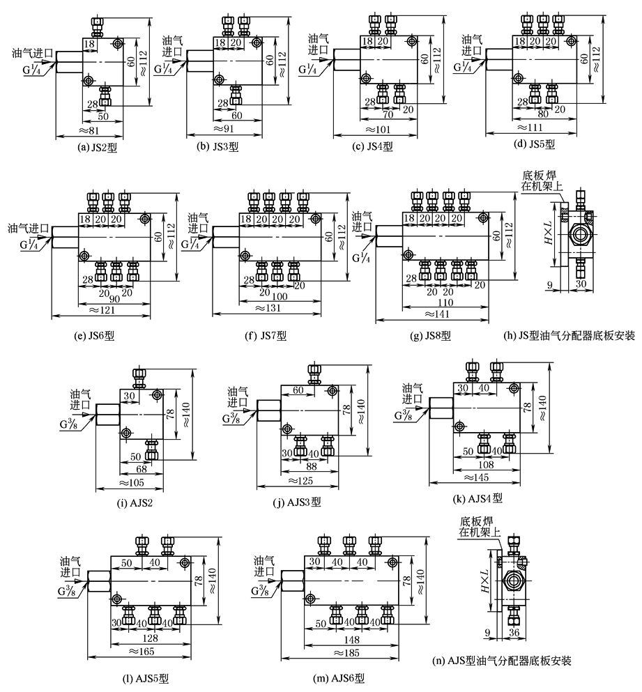
AJS 型、JS 型油气分配器适用于在油气润滑系统中对油气流进行分配,其中AJS 型用于油气流的预分配,JS 型用于到润滑点的油气流分配。 |
||||||||||||||||
|
油气分配器类型、基本参数和型式尺寸 |
||||||||||||||||
|
油气分配器类型 |
|
|||||||||||||||
|
|
标记示例: 用于到润滑点的油气流分配,油气出口数6个,进口管子外径10mm,出口管子外径6mm的油气分配器,标记为 JS6-10/6 油气分配器 JB/ZQ 4749—2006 用于油气流的预分配,油气出口数4个,进口管子外径14mm,出口管子外径10mm的油气分配器,标记为 AJS4-14/10 油气分配器 JB/ZQ 4749—2006 |
|||||||||||||||
|
基 本 参 数 、 型 式 尺 寸 |
型号 |
空气压力 /MPa |
油气出口数 |
油气进口管子外径 |
油气出口管子外径 |
|||||||||||
|
mm |
||||||||||||||||
|
JS |
0.3~0.6 |
2,3,4,5,6,7,8 |
8,10 |
6 |
||||||||||||
|
AJS |
2,3,4,5,6 |
12,14,18 |
8,10 |
|||||||||||||
|
型号 |
H |
L |
型号 |
H |
L |
型号 |
H |
L |
型号 |
H |
L |
|||||
|
JS2 |
80 |
56 |
JS6 |
80 |
96 |
AJS2 |
100 |
74 |
AJS5 |
100 |
134 |
|||||
|
JS3 |
66 |
JS7 |
106 |
AJS3 |
94 |
AJS6 |
154 |
|||||||||
|
JS4 |
76 |
JS8 |
116 |
AJS4 |
114 |
|
|
|||||||||
|
JS5 |
86 |
|
|
|
|
|
|
|||||||||
|
应用 |
油气分配器适用于在油气润滑系统中对油气流进行分配,其中AJS 型用于油气流的预分配,JS 型用于到润滑点的油气流分配 |
|||||||||||||||
|
注:生产厂有上海澳瑞特润滑设备有限公司,太原矿山机器润滑液压设备有限公司。 |
||||||||||||||||


