|
油气润滑装置(JB/ZQ 4738—2006) |
|||||||||||||
|
油气润滑装置也分为气动式和电动式两种类型,其型式尺寸及基本参数见下表。气动式(MS1型)主要由油箱、润滑油的供给、计量和分配部分、压缩空气处理部分、油气混合和油气输出部分以及PLC 控制等部分组成。电动式(MS2型)主要由油箱、润滑油的供给、控制和输出部分以及PLC 控制等部分组成。MS1型用于200个润滑点以下的场合。 |
|||||||||||||
|
油气润滑装置的类型和基本参数(JB/ZQ 4738—2006) |
|||||||||||||
|
类型 |
原 理 图 及 装 置 简 图 |
||||||||||||
|
气 动 式 |
(a) MS1 型气动式油气润滑装置原理图 |
1—空气过滤器;2—二位二通电磁阀; 3—空气减压阀;4—压力开关; 5—气动泵;6—递进式分配器; 7—油箱;8—二位五通电磁阀; 9—PLC电气控制装置 |
|||||||||||
|
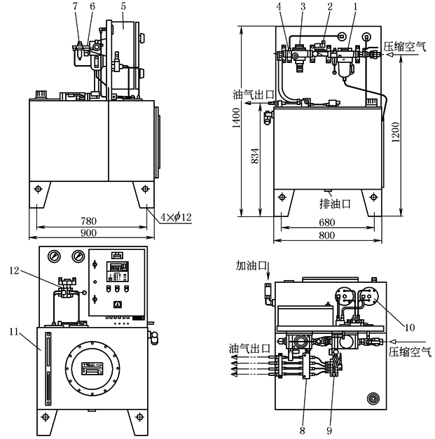
气 动 式 |
(b) MS1 型气动式油气润滑装置简图 |
1—空气过滤器;2—二位二通电磁阀; 3—空气减压阀;4—压力开关; 5—PLC电气控制装置;6—调压阀; 7—油雾器;8—油气混合块; 9—递进式分配器;10—气动泵; 11—油箱;12—二位五通电磁阀 标记示例:供油量2mL/行程,油箱容积400L的气动式油气润滑装置 MS1/400-2 油气润滑装置 JB/ZQ 4738—2006 |
|||||||||||
|
电 动 式 |
|
1—压力继电器; 2—蓄能器; 3—过滤器; 4—PLC 电气控制装置; 5—油箱; 6—齿轮泵装置 标记示例:供油量1.4mL/min,油箱容积500L的电动式油气润滑装置 MS2/500-1.4 油气润滑装置JB/ZQ 4738—2006 |
|||||||||||
|
基 本 参 数 |
型号 |
最大工作压力 /MPa |
油箱容积 /L |
供油量 /L·min-1 |
|
||||||||
|
MS2/500-1.4 |
10 |
500 |
1.4 |
||||||||||
|
MS2/800-1.4 |
800 |
||||||||||||
|
MS2/1000-1.4 |
1000 |
||||||||||||
|
MS1/400-2 |
10 (空气压力为0.4MPa时,空气压力范围为0.4~0.6MPa) |
400 |
2 |
A |
B |
C |
D |
E |
H |
L |
|||
|
MS1/400-3 |
3 |
||||||||||||
|
MS1/400-4 |
4 |
1000 |
880 |
900 |
780 |
807 |
1412 |
170 |
|||||
|
MS1/400-5 |
5 |
1100 |
980 |
1100 |
980 |
907 |
1512 |
270 |
|||||
|
MS1/400-6 |
6 |
1200 |
1080 |
1200 |
1080 |
1007 |
1680 |
320 |
|||||
|
注:生产厂有上海澳瑞特润滑设备有限公司,南通市南方润滑液压设备有限公司,启东市南方润滑液压设备有限公司,太原矿山机器润滑液压设备有限公司。 |
|||||||||||||




