|
40MPa SSPQ系列双线分配器(JB/ZQ 4704—2006) |
||||||||||||||||||||||||||||||||||
|
标记示例:公称压力40MPa,6个出油口,每口每次给油量(最大)1.15mL的双线分配器,标记为 6SSPQ-P1.15 分配器 JB/ZQ 4704—2006 |
||||||||||||||||||||||||||||||||||
|
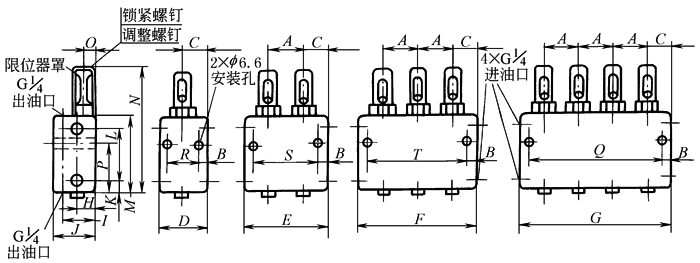
表1 mm |
||||||||||||||||||||||||||||||||||
|
型号 |
A |
B |
C |
D |
E |
F |
G |
H |
I |
J |
K |
L |
M |
N |
O |
P |
R |
S |
T |
Q |
||||||||||||||
|
2SSPQ-P1.15 |
27 |
7 |
24 |
48 |
— |
— |
— |
20 |
37 |
52 |
10.5 |
32 |
54 |
105 |
9 |
27 |
34 |
— |
— |
— |
||||||||||||||
|
4SSPQ-P1.15 |
— |
75 |
— |
— |
— |
61 |
— |
— |
||||||||||||||||||||||||||
|
6SSPQ-P1.15 |
— |
— |
102 |
— |
— |
— |
88 |
— |
||||||||||||||||||||||||||
|
8SSPQ-P1.15 |
— |
— |
— |
129 |
— |
— |
— |
115 |
||||||||||||||||||||||||||
|
型号 |
启动压力 /MPa |
出油口数 |
每口每次给油量 /mL |
损失量 /mL |
质量 /kg |
1.工作环境温度-20~80℃ 2.适用于锥入度不小于(25℃,150g)265/10mm的润滑脂 3.每个出油口均有带调整螺钉的限位器,旋动限位器上的调整螺钉,即可分别调节各出油口的给油量,满足不同润滑部位不同需油量的要求 |
||||||||||||||||||||||||||||
|
max |
min |
|||||||||||||||||||||||||||||||||
|
2SSPQ-P1.15 |
≤1.8 |
2 |
1.15 |
0.35 |
0.17 |
1.2 |
||||||||||||||||||||||||||||
|
4SSPQ-P1.15 |
4 |
1.7 |
||||||||||||||||||||||||||||||||
|
6SSPQ-P1.15 |
≤1.8 |
6 |
1.15 |
0.35 |
0.17 |
2.2 |
||||||||||||||||||||||||||||
|
8SSPQ-P1.15 |
8 |
2.7 |
||||||||||||||||||||||||||||||||
|
注:生产厂有太原矿山机器润滑液压设备有限公司,启东市南方润滑液压设备有限公司,南通市南方润滑液压设备有限公司,启东江海液压润滑设备厂,启东润滑设备有限公司,四川川润股份有限公司,上海润滑设备厂,太原宝太润液设备有限公司,温州市龙湾润滑液压设备厂,太原市兴科机电研究所,启东中冶润滑设备有限公司。 |
||||||||||||||||||||||||||||||||||
|
表2 双线分配器基本参数 |
||||||||||||||||||||||||||||||||||
|
40MPa SSPQ系列双线分配器适用于黏度不小于68mm2/s的润滑油或润滑脂的锥入度(25℃,150g)不小于220/10mm。工作环境温度-20~80℃。 |
||||||||||||||||||||||||||||||||||
|
型号 |
公称 压力 /MPa |
启动 压力 /MPa |
控制活塞 工作油量 /mL |
出油口每 循环额定 给油量 /mL |
给油 口数 |
说明 |
1.工作环境温度-20~80℃ 2.适用于锥入度(25℃,150g)不小于220/10mm的润滑脂或黏度值不小于68mm2/s的润滑油 |
|||||||||||||||||||||||||||
|
×SSPQ×-P0.5 |
40(P) |
≤1 |
0.3 |
0.5 |
1~8 |
配带 装置 |
给油螺钉,运动指示调节装置 |
|||||||||||||||||||||||||||
|
×SSPQ×-P1.5 |
1.5 |
给油螺钉,运动指示调节装置,行程开关调节装置 |
||||||||||||||||||||||||||||||||
|
×SSPQ×-P3.0 |
3.0 |
1~4 |
运动指示调节装置 |
|||||||||||||||||||||||||||||||
|
注:生产厂有太原矿山机器润滑液压设备有限公司,南通市南方润滑液压设备有限公司,启东市南方润滑液压设备有限公司,太原宝太润液设备有限公司,太原市兴科机电研究所,四川川润股份有限公司,启东江海液压润滑设备厂,启东润滑设备有限公司,上海润滑设备厂,温州市龙湾润滑液压设备厂。 |
||||||||||||||||||||||||||||||||||
|
表3 SSPQ 系列双线分配器(JB/T 8462—1996) |
||||||||||||||||||||||||||||||||||
|
具有各种不同配带装置的分配器外形尺寸图(以具有1~2个出油口的分配器为例) |
|
|||||||||||||||||||||||||||||||||
|
具有不同出油口数的分配器外形尺寸图(以配带运动指示调节装置的双线分配器为例) |
|
|||||||||||||||||||||||||||||||||
|
标记示例:公称压力40MPa、8个出油口,每出油口每一循环额定给油量1.5mL,带运动指示调节装置的双向双线分配器,标记为 8SSPQ2-P1.5 分配器 JB/T 8462—1996 |
||||||||||||||||||||||||||||||||||




