|
双列式电动润滑脂泵(31.5MPa)(JB/ZQ 4701—2006) |
|||||||||||||||
|
标记示例:公称压力31.5MPa,公称流量60mL/min,环式配管的双列式电动润滑脂泵,标记为 SDRB-N60H 双列式电动润滑脂泵 JB/ZQ 4701—2006
|
|||||||||||||||
|
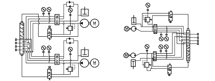
SDRB-N60H、SDRB-N195H 双列式电动润滑脂泵外形图 1—储油器;2,10—压力表;3—电动润滑脂泵;4—溢流阀; 5,9—液压换向阀;6—电动机;7—限位开关;8—电磁换向阀 |
SDRB-N585H 双列式电动润滑脂泵外形图 1,2—压力表;3—储油器;4—电动机;5—电动润滑脂泵; 6,8—液压换向阀;7—电磁换向阀;9—限位开关 |
||||||||||||||
|
|
|||||||||||||||
|
SDRB-N60H、SDRB-N195H 双列式电动润滑脂泵系统原理图 |
SDRB-N585H 双列式电动润滑脂泵系统原理图 |
||||||||||||||
|
双列式电动润滑脂泵组成、工作原理、技术参数及外形尺寸 mm |
|||||||||||||||
|
组 成 、 工 作 原 理 |
双列式电动润滑脂泵是由电动润滑脂泵、换向阀、管路附件等组成。在同一底座上安装有两台电动润滑脂泵,一台常用、一台备用,双泵可以自动切换,通过换向阀接通运转着的泵的回路,不影响系统的正常工作,润滑脂泵的运转由电控系统操纵 |
||||||||||||||
|
技 术 参 数 、 外 形 尺 寸 |
型号 |
公称流量 /mL·min-1 |
公称压力 /MPa |
储油器容积 /L |
配管方式 |
电动机功率 /kW |
润滑脂锥入度(25℃,150g) /(10mm)-1 |
质量 /kg |
|||||||
|
SDRB-N60H |
60 |
31.5(N) |
20 |
环式 |
0.37 |
265~385 |
405 |
||||||||
|
SDRB-N195H |
195 |
35 |
0.75 |
512 |
|||||||||||
|
SDRB-N585H |
585 |
90 |
1.5 |
975 |
|||||||||||
|
型号 |
A |
A1 |
B |
B1 |
B2 |
H |
H1 |
||||||||
|
SDRB-N60H |
1050 |
351 |
1100 |
1054 |
296 |
1036 |
598max |
||||||||
|
155min |
|||||||||||||||
|
SDRB-N195H |
1230 |
503.5 |
1150 |
1104 |
310 |
1083 |
670max |
||||||||
|
170min |
|||||||||||||||
|
注:生产厂有启东市南方润滑液压设备有限公司,南通市南方润滑液压设备有限公司,太原矿山机器润滑液压设备有限公司,太原市兴科机电研究所,太原宝太润液设备有限公司,四川川润股份有限公司,启东江海液压润滑设备有限公司。 |
|||||||||||||||


