|
DRB系列电动润滑泵(JB/ZQ 4559—2006) |
|||||||||||||||||||||||||||||||
|
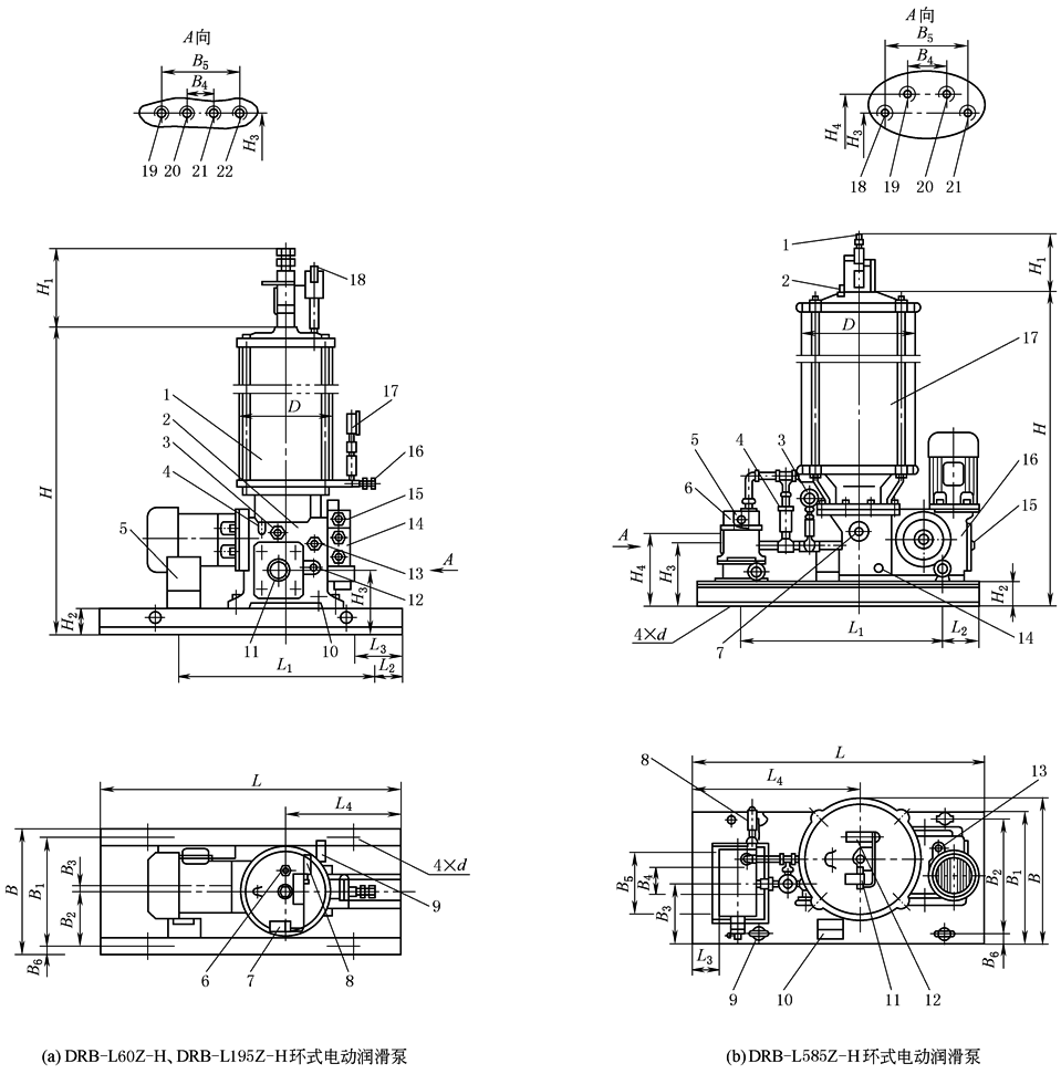
1—储油器(17,图b中该零件号,下同);2—泵体(16);3—排气塞;4—润滑油注入口(13,润滑油注入口Rc3/4); 5—接线盒(10);6—排气阀(储油器活塞下部空气)(1);7—储油器低位开关(11);8—储油器高位开关(12); 9—液压换向限位开关(8);10—放油螺塞(14,放油螺塞Rc1/2);11—油位计(15);12—润滑脂补给口M33×2-6g(7); 13—液压换向阀压力调节螺栓(6);14—液压换向阀(5);15—安全阀(4);16—排气阀(出油口); 17—压力表(3);18—排气阀(储油器活塞上部空气)(2);19—管路Ⅰ出油口Rc3/8(19,Rc1/2); 20—管路Ⅰ回油口Rc3/8(21,Rc1/2);21—管路Ⅱ回油口Rc3/8(18,Rc1/2);22—管路Ⅱ出油口Rc3/8(20,Rc1/2) |
|||||||||||||||||||||||||||||||
|
1—排气阀(储油器活塞上部空气)(1,图d中该零件号,下同);2—储油器(16);3—泵体(15);4—排气塞; 5—润滑油注入口(11,润滑油补给口Rc3/4);6—油位计(14);7—润滑脂补给口M33×2-6g(13); 8—排气阀(储油器活塞下部空气)(17);9—储油器低位开关(9);10—储油器高位开关(5);11—接线盒(8); 12—储油器接口(6);13—泵接口(7);14—电磁换向阀(4);15—放油螺塞(12,Rc1/2); 16—安全阀(3);17—排气阀(出油口);18—压力表(2);19—管路Ⅰ出油口Rc1/2(18); 20—管路Ⅱ出油口Rc1/2(19);(图d中,10—吊环) |
|||||||||||||||||||||||||||||||
|
DRB-L型电动润滑泵结构型式、工作原理、技术参数及外形尺寸 mm |
|||||||||||||||||||||||||||||||
|
结 构 型 式 、 工 作 原 理 |
该型电动润滑泵由柱塞泵、(柱塞式定量容积泵)储油器、换向阀、电动机等部分组成。柱塞泵在电动机的驱动下,从储油器吸入润滑脂,压送到换向阀,通过换向阀交替地沿两个出油口输送润滑脂时,另一出油口与储油器接通卸荷 该型电动润滑泵可组成双线环式集中润滑系统,即系统的主管环状布置,由返回润滑泵的主管末端的系统压力来控制液压换向阀,使两条主管交替地供送润滑脂的集中润滑系统;也可组成双线终端式集中润滑系统,即由主管末端的压力操纵阀来控制电磁换向阀交替地使两条主管供送润滑脂的集中润滑系统 环式结构电动润滑泵配用液压换向阀,有4个接口,外接2根供油主管及2根分别由供油管引回的回油管,依靠回油管内油脂的油压推动换向阀换向 终端式结构电动润滑泵配用电磁换向阀,有2个接口,外接2根供油主管,依靠电磁铁的得失电实现换向供油 |
||||||||||||||||||||||||||||||
|
技 术 参 数 、 外 形 尺 寸 |
型号 |
公称流量 /L·min-1 |
公称 压力 /MPa |
转速 /r·min-1 |
储油器容积/L |
减速器润滑油 量/L |
电动机功率 /kW |
减速比 |
配管 方式 |
润滑脂锥 入度(25℃,150g) /(10mm)-1 |
质量 /kg |
L |
B |
H |
L1 |
L2 |
|||||||||||||||
|
DRB-L60Z-H |
60 |
20(L) |
100 |
20 |
1 |
0.37 |
1∶15 |
环式 |
310~385 |
140 |
640 |
360 |
986 |
500 |
60 |
||||||||||||||||
|
DRB-L60Z-Z |
终端式 |
160 |
780 |
||||||||||||||||||||||||||||
|
DRB-L195Z-H |
195 |
75 |
35 |
2 |
0.75 |
1∶20 |
环式 |
210 |
800 |
452 |
1056 |
600 |
100 |
||||||||||||||||||
|
DRB-L195Z-Z |
终端式 |
230 |
891 |
||||||||||||||||||||||||||||
|
DRB-L585Z-H |
585 |
90 |
5 |
0.5 |
环式 |
265~385 |
456 |
1160 |
585 |
1335 |
860 |
150 |
|||||||||||||||||||
|
DRB-L585Z-Z |
终端式 |
416 |
|||||||||||||||||||||||||||||
|
型号 |
L3 |
L4 |
B1 |
B2 |
B3 |
B4 |
B5 |
B6 |
H1 |
H2 |
H3 |
H4 |
D |
d |
地脚螺栓 |
||||||||||||||||
|
最大 |
最小 |
||||||||||||||||||||||||||||||
|
DRB-L60Z-H |
126 |
290 |
320 |
157 |
23 |
42 |
118 |
20 |
598 |
155 |
60 |
130 |
— |
269 |
14 |
M12×200 |
|||||||||||||||
|
DRB-L60Z-Z |
640 |
450 |
200 |
160 |
— |
85 |
|||||||||||||||||||||||||
|
DRB-L195Z-H |
125 |
300 |
420 |
226 |
39 |
42 |
118 |
16 |
687 |
167 |
83 |
164 |
— |
319 |
18 |
M16×400 |
|||||||||||||||
|
DRB-L195Z-Z |
800 |
500 |
160 |
— |
108 |
||||||||||||||||||||||||||
|
DRB-L585Z-H |
100 |
667 |
520 |
476 |
244 |
111 |
226 |
22 |
815 |
170 |
110 |
248 |
277 |
457 |
22 |
M20×500 |
|||||||||||||||
|
DRB-L585Z-Z |
667 |
239 |
160 |
— |
135 |
— |
|||||||||||||||||||||||||
|
应用 |
DRB-L 型电动润滑泵适用于润滑点多、分布范围广、给油频率高、公称压力20MPa的双线式干油集中润滑系统。通过双线分配器向润滑部位供送润滑脂 适用于锥入度(25℃、150g)250~350/10mm的润滑脂或黏度值为46~150mm2/s的润滑油 |
||||||||||||||||||||||||||||||
|
注:生产厂有太原矿山机器润滑液压设备有限公司,启东市南方润滑液压设备有限公司,南通市南方润滑液压设备有限公司,启东润滑设备有限公司,启东江海液压润滑设备厂,四川川润股份有限公司,太原兴科机电研究所,太原宝太润液设备有限公司,温州市龙湾润滑液压设备厂,启东中冶润滑设备有限公司。 |
|||||||||||||||||||||||||||||||


