|
专用及国外稀油润滑装置 |
|
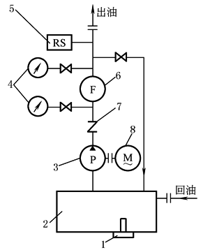
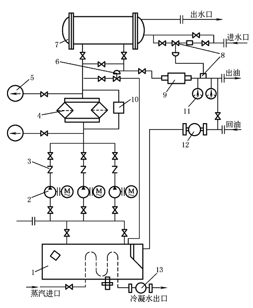
(1) 专用稀油润滑装置 除了以上稀油润滑装置以外,目前在冶金、矿山、电力、化工、交通、轻工等行业中常用的稀油润滑装置还有XYZ-GZ 型整体式稀油站、GDR 型双高低压稀油站和这些型号的改进型产品等。 (2) 国外的稀油润滑系统简介 1) 日本大阪金属公司的稀油润滑站系统。该公司生产的稀油润滑站有AN、BN、CN、DN 4个系列30余种规格的产品。其中AN系列稀油站为小型单机配套,供油能力范围6~100L/min,属于整体安装形式,图(1)为其系统图。该系列主要用于对润滑要求不高,供油量较少的小型减速器、通风机、压缩机及小型机械的润滑。BN系列稀油站供油能力范围为120~1000L/min,主要用于中型减速器、轧钢辅助设备、造纸机械及大型通风机械等设备的润滑,图(2)为其系统图。CN及DN系列稀油站均为大型稀油站,供油能力分别为170~3000L/min及420~3000L/min。
图(1) 日本大金AN系列稀油站系统图 1—电热器;2—油箱;3—油泵;4—压力表;5—压力调节器; 6—过滤器;7—逆止阀;8—电动机
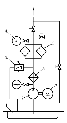
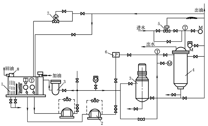
图(2) 日本大金BN系列稀油站系统图 1—油箱;2—齿轮油泵;3—逆止阀;4—双筒网式过滤器; 5—压力计;6—压力调节阀(安全阀);7—冷却器;8—调节阀; 9—流量计;10—电接点压差计;11—电接点压力计; 12—回油油流指示计;13—蒸汽冷凝器 2) 德国奈迪格(Neidig)公司的稀油润滑站系统。该系列稀油站与日本大金AN系列稀油站相似,二者均不设置备用泵,其特点是在系统先冷却后过滤,并采用螺杆泵及带磁性的双筒网式过滤器,过滤芯的更换、清洗不影响系统的连续工作,提高了过滤效果,保证流经系统元件的润滑油均经过滤。图(3)为其系统图。 3) 意大利普洛戴斯特(Prodest)公司稀油润滑站系统。该系列稀油站的工作原理与齿轮泵循环润滑站基本相同。其特点是自动化程度高,在油箱的回油口装有磁性过滤器,油泵的出油管路上设有圆盘式过滤器,另外还设置了一个专门的站内循环过滤系统,以保证润滑油的清净程度。图(4)为其系统图。
图(3) 德国奈迪格公司稀油站系统图 1—油箱;2—油泵;3—安全阀; 4—压力计;5—过滤器; 6—冷却器;7—电动机
图(4) 意大利普洛戴斯特公司稀油站系统图 1—油箱;2—油泵;3—过滤器;4—冷却器;5—温度调节器; 6—压力开关;7—弹簧安全阀;8—磁过滤器 |




