|
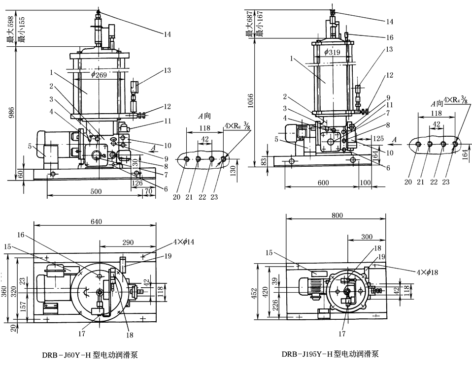
电动润滑泵(JB/ZQ 4558—1997) |
|||||||||||
|
1—储油器;2—泵体;3—放气塞;4—润滑油注入口;5—接线盒;6—放油螺塞R1/4;7—油位计;8—润滑油补给口M33×2-6g; 9—液压换向阀调节螺栓;10—液压换向阀;11—安全阀;12—排气阀(出油口);13—压力表;14—排气阀(储油器活塞下部空气); 15—蓄能器;16—排气阀(储油器活塞上部空气);17—储油器低位开关;18—储油器高位开关;19—液压换向阀限位开关; 20—管路Ⅰ出油口Rc3/8;21—管路Ⅰ回油口Rc3/8;22—管路Ⅱ回油口Rc3/8;23—管路Ⅱ出油口Rc3/8 |
|||||||||||
|
电动润滑泵参数 |
|||||||||||
|
型号 |
公称流量 /mL·min-1 |
公称 压力 /MPa |
转速 /r·min-1 |
储油器 容积 /L |
减速器 润滑 油量 /L |
电动机 功率 /kW |
减速比 |
配管 方式 |
蓄能器 容积 /mL |
质量 /kg |
适用范围: 1.双线式喷射集中润滑系统中的电动润滑泵 2.黏度值不小于120mm2/s的润滑油 |
|
DRB-J60Y-H |
60 |
10(J) |
100 |
16 |
1 |
0.37 |
1∶15 |
环式 |
50 |
140 |
|
|
DRB-J195Y-H |
195 |
75 |
26 |
2 |
0.75 |
1∶20 |
210 |
||||
|
注:生产厂有太原矿山机器润滑液压设备有限公司,启东市南方润滑液压设备有限公司,南通市南方润滑液压设备有限公司,太原宝太润液设备有限公司,启东江海液压润滑设备厂,启东润滑设备有限公司,启东中冶润滑设备有限公司。 |
|||||||||||

