|
紧固件的型式与尺寸(GB/T 9125—2003) |
|||||||||||||||||||
|
(1) 六角头螺栓 ① 管法兰用六角头螺栓的型式与尺寸应符合GB/T 5782(粗牙)和GB/T 5785(细牙)的规定。 ② 管法兰用六角头螺栓的规格及性能等级应符合表1的规定。 |
|||||||||||||||||||
|
表1 六角头螺栓的规格及性能等级 |
|||||||||||||||||||
|
标准 |
规格 |
性能等级 |
|||||||||||||||||
|
GB/T 5782(商品紧固件) |
M10、M12、M14、M16、M20、M24、M27、M30、M33 |
5.6、8.8、A2-50、A2-70、A4-70 |
|||||||||||||||||
|
(2) 等长双头螺柱及全螺纹螺柱 ① 管法兰用等长双头螺柱及全螺纹螺柱的型式与尺寸应符合GB/T 901的规定,但螺柱两端应采用倒角端。螺纹规格M36以上(包括M36)的螺柱应采用细牙螺纹,螺纹的基本尺寸应符合GB/T 196的规定,公差应符合GB/T 197中6g的规定。螺柱末端倒角应符合GB/T 2的规定,其余技术要求应符合GB/T 901的规定。 ② 等长双头螺柱及全螺纹螺柱的规格、性能等级及材料牌号应符合表2的规定。 |
|||||||||||||||||||
|
表2 等长双头螺柱及全螺纹螺柱的规格、性能等级和材料牌号 |
|||||||||||||||||||
|
标准 |
规格 |
性能等级 |
材料牌号 |
||||||||||||||||
|
GB/T 901 (商品紧固件) |
M12、M14、M16、M20、 M24、M27、M30、M33 |
仅适用等长双头螺柱 5.6、8.8、A2-50、A2-70、A4-70 |
仅适用全螺纹螺柱 35、35CrMoA、25Cr2MoVA、 0Cr18Ni9、0Cr17Ni12Mo2 |
||||||||||||||||
|
GB/T 9125 (专用紧固件) |
M36×3、M39×3、M42×3、 M45×3、M48×3、M52×4、 M56×4、M64×4、M70×4、 M76×4、M82×4、M90×4 |
— |
等长双头螺柱及全螺纹螺柱均适用 35、35CrMoA、25Cr2MoVA、 0Cr18Ni9、0Cr17Ni12Mo2 |
||||||||||||||||
|
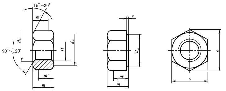
注:根据供需双方协商,M52~M90双头螺柱可以采用3mm螺距。 (3) 螺母 ① 与六角头螺栓配合使用的螺母型式与尺寸应符合GB/T 6170的规定。 与双头螺柱、全螺纹螺柱配合使用的大六角螺母的型式与尺寸应符合下图和表3的规定,螺纹的基本尺寸应符合GB/T 196的规定,公差应符合GB/T 197中6H 的规定。其他技术要求应符合GB/T 6170的规定。 ② 螺母的规格、性能等级(商品紧固件)和材料牌号(专用紧固件)应符合表4的规定。
大六角螺母 |
|||||||||||||||||||
|
表3 管法兰用大六角螺母尺寸 mm |
|||||||||||||||||||
|
D |
M12 |
M14 |
M16 |
M20 |
M24 |
M27 |
M30 |
M33 |
M36×3 |
M39×3 |
|||||||||
|
da |
max |
13 |
15.1 |
17.3 |
21.6 |
25.9 |
29.1 |
32.4 |
35.6 |
38.9 |
42.1 |
||||||||
|
min |
12 |
14 |
16 |
20 |
24 |
27 |
30 |
33 |
36 |
39 |
|||||||||
|
dw min |
19.2 |
21.1 |
24.9 |
31.4 |
38.0 |
42.8 |
46.5 |
50.8 |
55.8 |
60.1 |
|||||||||
|
e min |
22.78 |
25.94 |
29.56 |
37.29 |
45.2 |
50.85 |
55.37 |
60.26 |
65.86 |
70.67 |
|||||||||
|
m |
max |
12.3 |
14.3 |
17.1 |
20.7 |
24.2 |
27.6 |
30.7 |
33.5 |
36.5 |
39.5 |
||||||||
|
min |
11.87 |
13.6 |
16.4 |
19.4 |
22.9 |
26.3 |
29.1 |
31.9 |
34.9 |
37.9 |
|||||||||
|
m′ min |
9.5 |
10.9 |
13.1 |
15.5 |
18.5 |
21.0 |
23.3 |
25.5 |
27.9 |
30.3 |
|||||||||
|
c |
max |
0.8 |
0.8 |
0.8 |
0.8 |
0.8 |
0.8 |
0.8 |
0.8 |
0.8 |
0.8 |
||||||||
|
min |
0.4 |
0.4 |
0.4 |
0.4 |
0.4 |
0.4 |
0.4 |
0.4 |
0.4 |
0.4 |
|||||||||
|
s |
max |
21 |
24 |
27 |
34 |
41 |
46 |
50 |
55 |
60 |
65 |
||||||||
|
min |
20.16 |
23.16 |
26.16 |
33 |
40 |
45 |
49 |
53.8 |
58.8 |
63.1 |
|||||||||
|
D |
M42×3 |
M45×3 |
M48×3 |
M52×4 |
M56×4 |
M64×4 |
M70×4 |
M76×4 |
M82×4 |
M90×4 |
|||||||||
|
da |
max |
45.4 |
48.6 |
51.8 |
56.2 |
60.5 |
69.1 |
75.6 |
82.1 |
88.6 |
97.2 |
||||||||
|
min |
42 |
45 |
48 |
52 |
56 |
64 |
70 |
76 |
82 |
90 |
|||||||||
|
dw min |
60.1 |
65.1 |
70.1 |
75.1 |
79.3 |
89.3 |
96.9 |
104.5 |
112.1 |
123.5 |
|||||||||
|
e min |
70.67 |
76.27 |
81.87 |
87.47 |
92.74 |
103.94 |
111.79 |
120.74 |
129.45 |
142.8 |
|||||||||
|
m |
max |
42.5 |
45.5 |
48.5 |
52.5 |
56.5 |
64.5 |
70.5 |
76.5 |
82.5 |
90.5 |
||||||||
|
min |
40.9 |
43.92 |
46.9 |
50.6 |
54.6 |
62.6 |
68.4 |
74.6 |
80.0 |
88.3 |
|||||||||
|
m′ min |
32.2 |
35.2 |
37.5 |
45.3 |
48.7 |
50.1 |
55.0 |
59.7 |
64.4 |
70.7 |
|||||||||
|
c |
max |
1.0 |
1.0 |
1.0 |
1.0 |
1.0 |
1.0 |
1.5 |
1.5 |
1.5 |
1.5 |
||||||||
|
min |
0.5 |
0.5 |
0.5 |
0.5 |
0.5 |
0.5 |
0.8 |
0.8 |
0.8 |
0.8 |
|||||||||
|
s |
max |
65 |
70 |
75 |
80 |
85 |
95 |
102 |
110 |
118 |
130 |
||||||||
|
min |
63.1 |
68.1 |
73.1 |
78.1 |
82.8 |
92.8 |
100 |
107.8 |
115.6 |
127.5 |
|||||||||
|
注:1.除M14外,M12~M30的螺母尺寸与GB/T 1229中规定的尺寸一致。 2.根据供需双方协商,M52~M90大六角螺母可以采用3mm螺距。 |
|||||||||||||||||||
|
表4 螺母的规格、性能等级和材料牌号 |
|||||||||||||||||||
|
标准 |
规格 |
性能等级 |
材料牌号 |
||||||||||||||||
|
GB/T 6170-A级和B级 (商品紧固件) |
M10、M12、M14、M16、M20、 M24、M27、M30、M33 |
5、8、10 A2-50(D≤M24) A2-70(D≤M24) A4-70(D≤M24) |
— |
||||||||||||||||
|
GB/T 9125 (专用紧固件) |
M12、M14、M16、M20、 M24、M27、M30、M33、 M36×3、M39×3、M42×3、 M45×3、M48×3、M52×4、 M56×4、M64×4、M70×4、 M76×4、M82×4、M90×4 |
— |
35、30CrMo、0Cr18Ni9、0Cr17Ni12Mo2 |
||||||||||||||||

