|
法兰与钢管焊接的坡口型式及尺寸(GB/T 9124—2000附录B) |
||||||||||||
|
① 带颈平焊法兰与钢管连接的焊接坡口型式及尺寸:PN≤2.5MPa和PN≥4.0MPa的坡口型式和尺寸见下表。 |
||||||||||||
|
t—管子公称壁厚 mm |
||||||||||||
|
PN≤2.5MPa |
公称通径DN |
10~20 |
25~50 |
85~150 |
200 |
250~300 |
350~600 |
|||||
|
坡口宽度b |
4 |
5 |
6 |
8 |
10 |
12 |
||||||
|
PN≥4.0MPa |
公称通径DN |
10~20 |
25~50 |
85~100 |
125~150 |
200~250 |
||||||
|
坡口宽度b |
4 |
5 |
6 |
8 |
10 |
|||||||
|
公称通径DN |
300~400 |
450 |
500 |
600 |
||||||||
|
坡口宽度b |
14 |
16 |
18 |
20 |
||||||||
|
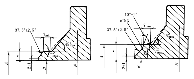
② 对焊法兰与钢管连接的焊接坡口型式和尺寸按图(1)的规定。
5<s≤22 s>22 图(1) 对焊法兰与钢管连接的焊接坡口型式和尺寸 A—焊颈端部外径(管子外径);B—法兰内径(等于管子的公称内径);s—法兰焊端壁厚(等于管子的公称壁厚) 注:1.当法兰与公称壁厚小于4.8mm的铁素体钢管连接时,根据制造厂的选择,焊端可加工成略有切边或直角坡口。 2.当法兰与公称壁厚为3.2mm或小于3.2mm的奥氏体不锈钢管连接时,焊端应加工成略有切边坡口。 3.当法兰与薄壁、高强度管子连接时,其允许坡口结构及尺寸按图(2)的规定。 |
||||||||||||
|
图(2) 法兰与薄壁、高强度管子连接时允许坡口结构及尺寸 |
注:1.当连接材料具有相同的屈服强度时,应取消最小值限制。 2.s1+s2、s1、s2不应超过0.5t。 3.当相连材料屈服强度不同时,焊缝的力学性能应大于或等于两材料屈服强度中的较大值,同时 s 值至少应等于管子壁厚 t 乘以管子和法兰的屈服强度之比,但不应大于1.5t。 |
|||||||||||
|
③ 承插焊法兰与钢管连接的焊接坡口型式和尺寸按图(3)a的规定。对焊环松套法兰与钢管连接的坡口型式和尺寸按图(3)b规定。 |
||||||||||||
|
图(3) 承插焊法兰及对焊环松套法兰与钢管连接的焊接坡口型式和尺寸 |
||||||||||||




