|
DHD2快速型失电制动器 |
||||||||||||||||||
|
|
||||||||||||||||||
|
型号 参数 |
DHD2-2 |
DHD2-4 |
DHD2-8 |
DHD2-16 |
DHD2-30 |
DHD2-50 |
DHD2-100 |
DHD2-200 |
||||||||||
|
静摩擦扭矩/N·m |
2 |
4 |
8 |
16 |
30 |
50 |
100 |
200 |
||||||||||
|
励磁电压/DC- V |
24 |
90 |
24 |
90 |
24 |
90 |
24 |
90 |
24 |
90 |
24 |
90 |
24 |
90 |
24 |
90 |
||
|
功率(20℃)/W |
10 |
13 |
15 |
18 |
23 |
27 |
33 |
45 |
||||||||||
|
接通(释放)时间/ms |
35 |
45 |
55 |
70 |
100 |
120 |
180 |
250 |
||||||||||
|
断开(制动)时间/ms |
12 |
15 |
25 |
35 |
50 |
65 |
90 |
|||||||||||
|
质量/kg |
0.5 |
0.85 |
1.2 |
1.9 |
3.6 |
5.2 |
7.9 |
12.3 |
||||||||||
|
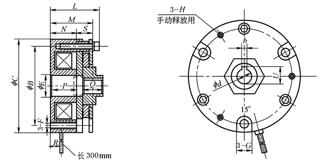
B |
/mm |
68 |
74 |
85 |
108 |
112 |
130 |
150 |
170 |
|||||||||
|
C |
77 |
85 |
97 |
117 |
125 |
145 |
165 |
187 |
||||||||||
|
E |
20 |
25 |
40 |
49 |
62 |
|||||||||||||
|
F |
4.5 |
5.5 |
6.6 |
9 |
||||||||||||||
|
G |
8 |
11 |
14 |
18 |
||||||||||||||
|
H |
— |
M5 |
M6 |
|||||||||||||||
|
L |
30 |
32 |
35 |
41 |
53.5 |
56.5 |
71 |
81 |
||||||||||
|
P |
18 |
16 |
14 |
15 |
16 |
18 |
22 |
21 |
||||||||||
|
M |
25.5 |
27.5 |
29.5 |
34.5 |
46 |
49 |
61 |
71 |
||||||||||
|
N |
15 |
16 |
17 |
19.5 |
26 |
27 |
32 |
37 |
||||||||||
|
Q |
8 |
12 |
16 |
20 |
25 |
30 |
40 |
|||||||||||
|
R |
7 |
7.5 |
8.5 |
11 |
14 |
17 |
21 |
|||||||||||
|
S |
0.15~0.25 |
0.2~0.3 |
||||||||||||||||
|
d |
12 |
14 |
19 |
24 |
28 |
32 |
||||||||||||
|
b |
4 |
5 |
6 |
8 |
10 |
|||||||||||||
|
U |
13.8 |
16.3 |
21.8 |
27.3 |
31.3 |
35.8 |
||||||||||||
|
注:1.弹簧制动,通电松闸。带六方孔的制动板套在六方套上,可左右滑动。 2.生产厂家为北京古德高机电技术有限公司。 |
||||||||||||||||||

