|
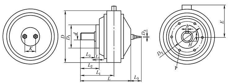
FZ型磁粉制动器(山东莱州磁粉离合器厂生产) |
||||||||||||||||||||||||||
|
|
||||||||||||||||||||||||||
|
主 要 尺 寸 /mm |
型号 |
L |
L1 |
L2 |
L3 |
L4 |
L5 |
D |
D1 |
D2 |
D3 |
K |
P |
键 |
E |
|||||||||||
|
直 径 |
数 量 |
深 度 |
H
|
b (p7) |
d (h7) |
|||||||||||||||||||||
|
FZ6 |
128 |
82 |
42 |
22 |
10 |
— |
136 |
50 |
60 |
— |
— |
M4 |
6 |
10 |
13.5 |
4 |
12 |
93 |
||||||||
|
FZ12 |
157 |
97 |
50 |
28 |
12 |
— |
150 |
60 |
76 |
— |
— |
M5 |
6 |
12 |
17 |
5 |
15 |
100 |
||||||||
|
FZ25 |
168 |
111.5 |
60 |
36 |
12 |
— |
170 |
72 |
86 |
— |
— |
M5 |
6 |
12 |
22.5 |
6 |
20 |
115 |
||||||||
|
FZ50 |
211 |
143 |
84 |
58 |
14 |
30 |
195 |
75 |
100 |
13 |
25 |
M6 |
6 |
15 |
28 |
8 |
25 |
128 |
||||||||
|
FZ100 |
227 |
152 |
85 |
58 |
15 |
30 |
240 |
100 |
130 |
13 |
38 |
M10 |
6 |
16 |
33 |
8 |
30 |
150 |
||||||||
|
FZ200 |
288 |
190 |
102 |
70 |
20 |
30 |
300 |
114 |
136 |
13 |
38 |
M10 |
6 |
20 |
38 |
10 |
35 |
180 |
||||||||
|
FZ400 |
340 |
236 |
121 |
90 |
19 |
30 |
350 |
128 |
148 |
13 |
42 |
M12 |
6 |
20 |
43 |
12 |
40 |
207 |
||||||||
|
性 能 参 数 |
型号 |
额定转矩 /N·m |
线圈(20℃) |
允许滑差功率 |
最高允许转速 /r·min-1 |
磁粉量 /g |
||||||||||||||||||||
|
电压/V |
电流/A |
阻抗/Ω |
自冷/W |
水冷/W |
||||||||||||||||||||||
|
FZ6 |
6 |
24 |
0.89 |
27 |
70 |
— |
1500 |
15 |
||||||||||||||||||
|
FZ12 |
12 |
24 |
1 |
24 |
120 |
— |
1500 |
28 |
||||||||||||||||||
|
FZ25 |
25 |
24 |
1.25 |
19.2 |
130~230 |
— |
1500 |
30 |
||||||||||||||||||
|
FZ50 |
50 |
24 |
2 |
12 |
150~250 |
830 |
1500 |
42 |
||||||||||||||||||
|
FZ100 |
100 |
24 |
2.25 |
10.7 |
230~350 |
1100 |
1500 |
77 |
||||||||||||||||||
|
FZ200 |
200 |
24 |
2.5 |
9.6 |
400~600 |
2000 |
1500 |
133 |
||||||||||||||||||
|
FZ400 |
400 |
24 |
3.83 |
6.3 |
600~1000 |
3300 |
1500 |
230 |
||||||||||||||||||

