|
FZ型磁粉制动器(JB/T 5989—1992) |
||||||||||||||||||||||||||||||||||||||||||
|
表1 磁粉制动器的基本性能参数 (JB/T 5989—1992) |
||||||||||||||||||||||||||||||||||||||||||
|
型 号 |
公称转矩 Tn /N·m |
75℃ 时 线 圈 |
许用同步 转速 np /r·min-1 |
转动惯量 J/kg·m2 |
自冷式 |
风冷式 |
液冷式 |
|||||||||||||||||||||||||||||||||||
|
最大励磁 电压 Um/V |
最大励磁 电流 Im/A |
时间常数 Tir/s |
许用滑 差功率 Pp/W ≥ |
许用滑 差功率 Pp/W ≥ |
风量 /m3·min-1 |
许用滑 差功率 Pp/W |
液量 /L·min-1 |
|||||||||||||||||||||||||||||||||||
|
FZ0.5□ |
0.5 |
24 |
≤0.40 |
≤0.035 |
1500 |
6.6×10-5 |
8 |
— |
— |
— |
— |
|||||||||||||||||||||||||||||||
|
PZ1□ |
1 |
≤0.54 |
≤0.04 |
1.78×10-4 |
15 |
— |
— |
— |
— |
|||||||||||||||||||||||||||||||||
|
FZ2.5□ |
2.5 |
≤0.64 |
≤0.052 |
3.4×10-4 |
40 |
— |
— |
— |
— |
|||||||||||||||||||||||||||||||||
|
FZ5□ |
5 |
≤1.2 |
≤0.066 |
7.6×10-4 |
70 |
— |
— |
— |
— |
|||||||||||||||||||||||||||||||||
|
FZ10□ |
10 |
≤1.4 |
≤0.11 |
1.43×10-3 |
110 |
200 |
0.2 |
— |
— |
|||||||||||||||||||||||||||||||||
|
FZ25□·□/□ |
25 |
≤1.9 |
≤0.11 |
4.5×10-3 |
150 |
340 |
0.4 |
— |
— |
|||||||||||||||||||||||||||||||||
|
FZ50□·□/□ |
50 |
≤2.8 |
≤0.12 |
1.2×10-2 |
260 |
400 |
0.7 |
1200 |
3.0 |
|||||||||||||||||||||||||||||||||
|
FZ100□·□/□ |
100 |
≤3.6 |
≤0.23 |
4×10-2 |
420 |
800 |
1.2 |
2500 |
6.0 |
|||||||||||||||||||||||||||||||||
|
FZ200□·□/□ |
200 |
≤3.8 |
≤0.33 |
1000 |
0.104 |
720 |
1400 |
1.6 |
3800 |
9.0 |
||||||||||||||||||||||||||||||||
|
FZ400□·□/□ |
400 |
≤5.0 |
≤0.44 |
0.273 |
900 |
2100 |
2.0 |
5200 |
15 |
|||||||||||||||||||||||||||||||||
|
FZ630□·□/□ |
630 |
80 |
≤1.6 |
≤0.47 |
1000 |
0.53 |
1000 |
2300 |
2.4 |
— |
— |
|||||||||||||||||||||||||||||||
|
FZ1000□·□/□ |
1000 |
≤1.8 |
≤0.57 |
750 |
0.93 |
1200 |
3900 |
3.2 |
— |
— |
||||||||||||||||||||||||||||||||
|
FZ2000□·□/□ |
2000 |
≤2.2 |
≤0.80 |
2.44 |
2000 |
6300 |
5.0 |
— |
— |
|||||||||||||||||||||||||||||||||
|
注:1.工作条件:环境温度-5~40℃,空气最大相对湿度为90%(平均温度为25℃ 时),周围介质无爆炸危险,无腐蚀金属,无破环绝缘的尘埃,无油雾; 2.制动器用于海拔高度不超过2500m。用于制动或快速制动的产品采用直流稳压电源;用于调节转矩的产品推荐用直流可调恒流电源或专用的电子微控制品。 3.产品的安全数 Ks:工业产品 Ks>1.3;调节产品 Ks>1.5;快速产品 Ks>2.0(安全系数 Ks 是最大转矩与公称转矩之比)。 4.磁粉制动器的轴伸按 GB/T 1569的规定,键按 GB/T 1095 的规定,轴孔和键槽按 GB/T 3852的规定。 5.型号意义:
6.生产厂家为北京航空航天大学自动控制系、武汉汉阳船厂磁粉离合器分厂、江苏海安机器厂、宁波控制器厂、莱州磁粉离合器厂。第一重型机器集团机电设备厂。 |
||||||||||||||||||||||||||||||||||||||||||
|
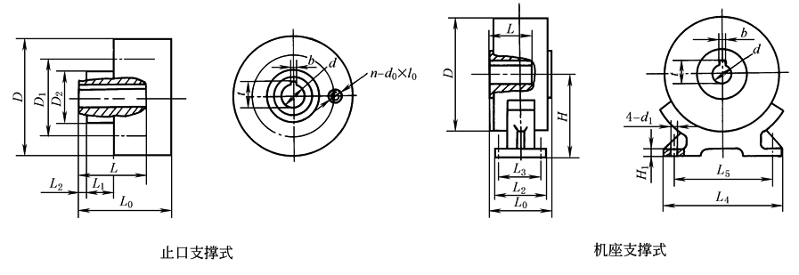
表2 轴连接、止口支撑式和机座支撑式制动器主要尺寸(JB/T 5989—1992) mm |
||||||||||||||||||||||||||||||||||||||||||
|
|
||||||||||||||||||||||||||||||||||||||||||
|
型 号 |
外形尺寸 |
连接尺寸 |
止口式安装尺寸 |
机座支撑式安装尺寸 |
||||||||||||||||||||||||||||||||||||||
|
L0 |
D |
d (h7) |
L |
b (p7) |
t |
D1 |
D2 (g7) |
L1 |
n |
d0 |
l0 |
L2 |
L3 |
L4 |
L5 |
H |
H1 |
d1 |
||||||||||||||||||||||||
|
FZ2.5□ |
FZ2.5□.J |
104 |
120 |
10 |
20 |
3 |
11.2 |
64 |
42 |
8 |
6 |
M5 |
10 |
70 |
50 |
120 |
100 |
80 |
8 |
7 |
||||||||||||||||||||||
|
FZ5□ |
FZ5□.J |
114 |
134 |
12 |
25 |
4 |
13.5 |
64 |
42 |
10 |
6 |
M5 |
10 |
70 |
50 |
140 |
120 |
90 |
10 |
7 |
||||||||||||||||||||||
|
FZ10□ |
FZ10□.J |
129 |
152 |
14 |
25 |
5 |
16 |
64 |
42 |
13 |
6 |
M6 |
10 |
90 |
60 |
150 |
120 |
100 |
13 |
10 |
||||||||||||||||||||||
|
FZ25□ |
FZ25□.J |
148 |
182 |
20 |
36 |
6 |
22.5 |
78 |
55 |
15 |
6 |
M6 |
10 |
100 |
70 |
180 |
150 |
120 |
15 |
12 |
||||||||||||||||||||||
|
FZ50□ |
FZ50□.J |
182 |
219 |
25 |
42 |
8 |
28 |
100 |
74 |
23 |
6 |
M6 |
10 |
110 |
80 |
210 |
180 |
145 |
15 |
12 |
||||||||||||||||||||||
|
FZ100□ |
FZ100□.J |
232 |
290 |
30 |
58 |
8 |
33 |
140 |
100 |
25 |
6 |
M10 |
15 |
140 |
100 |
290 |
250 |
185 |
20 |
12 |
||||||||||||||||||||||
|
FZ200□ |
FZ200□.J |
267 |
335 |
35 |
58 |
10 |
38 |
150 |
110 |
25 |
6 |
M10 |
15 |
160 |
120 |
330 |
280 |
210 |
22 |
15 |
||||||||||||||||||||||
|
FZ400□ |
FZ400□.J |
329 |
398 |
45 |
82 |
14 |
48.5 |
200 |
130 |
33 |
6 |
M10 |
20 |
180 |
130 |
390 |
330 |
250 |
27 |
19 |
||||||||||||||||||||||
|
FZ630□ |
FZ630□.J |
395 |
480 |
60 |
105 |
18 |
64 |
410 |
460 |
35 |
6×2 |
M12 |
25 |
210 |
150 |
480 |
410 |
290 |
33 |
24 |
||||||||||||||||||||||
|
FZ1000□ |
FZ1000□.J |
435 |
540 |
70 |
105 |
20 |
74.5 |
460 |
510 |
40 |
6×2 |
M12 |
25 |
220 |
160 |
540 |
470 |
330 |
38 |
24 |
||||||||||||||||||||||
|
FZ2000□ |
FZ2000□.J |
525 |
660 |
80 |
130 |
22 |
85 |
560 |
630 |
40 |
6×2 |
M12 |
30 |
230 |
170 |
660 |
580 |
390 |
45 |
24 |
||||||||||||||||||||||
|
注:表中D、L0、H1为推荐尺寸。 |
||||||||||||||||||||||||||||||||||||||||||
|
表3 空心轴连接、止口支撑式和机座支撑式制动器主要尺寸(JB/T 5989—1992) mm |
||||||||||||||||||||||||||||||||||||||||||
|
|
||||||||||||||||||||||||||||||||||||||||||
|
型 号 |
外 形 尺 寸 |
安 装 尺 寸 |
连 接 尺 寸 |
|||||||||||||||||||||||||||||||||||||||
|
L0 |
D |
D1 |
D2 |
L1 |
L2 |
n |
d0 |
l0 |
d(H7) |
L |
b(F7) |
t |
||||||||||||||||||||||||||||||
|
止 口 支 撑 式 |
FZ5□.K |
80 |
130 |
90 |
70 |
10 |
2 |
6 |
M5 |
10 |
12 |
27 |
4 |
13.8 |
||||||||||||||||||||||||||||
|
FZ10□.K |
90 |
160 |
94 |
74 |
13 |
2 |
6 |
M6 |
10 |
13 |
30 |
6 |
20.8 |
|||||||||||||||||||||||||||||
|
FZ25□.K |
100 |
180 |
120 |
100 |
15 |
2 |
6 |
M6 |
10 |
20 |
38 |
6 |
22.8 |
|||||||||||||||||||||||||||||
|
FZ50□.K |
120 |
220 |
130 |
110 |
23 |
4 |
6 |
M6 |
10 |
30 |
60 |
8 |
33.3 |
|||||||||||||||||||||||||||||
|
FZ100□.K |
140 |
290 |
150 |
110 |
25 |
4 |
6 |
M10 |
15 |
35 |
60 |
10 |
38.3 |
|||||||||||||||||||||||||||||
|
FZ200□.K |
165 |
340 |
200 |
160 |
25 |
6 |
6 |
M10 |
15 |
45 |
84 |
14 |
48.8 |
|||||||||||||||||||||||||||||
|
FZ400□.K |
210 |
398 |
200 |
160 |
33 |
6 |
6 |
M12 |
20 |
50 |
84 |
14 |
53.8 |
|||||||||||||||||||||||||||||
|
型 号 |
外 形 尺 寸 |
连 接 尺 寸 |
安 装 尺 寸 |
|||||||||||||||||||||||||||||||||||||||
|
L0 |
D |
d(H7) |
L |
b(F7) |
t |
L2 |
L3 |
L4 |
L5 |
H |
H1 |
d1 |
||||||||||||||||||||||||||||||
|
机 座 支 撑 式 |
FZ5□.Z |
72 |
130 |
12 |
27 |
4 |
13.8 |
70 |
50 |
140 |
120 |
90 |
10 |
7 |
||||||||||||||||||||||||||||
|
FZ10□.Z |
79 |
160 |
18 |
30 |
6 |
20.8 |
90 |
60 |
150 |
120 |
100 |
13 |
10 |
|||||||||||||||||||||||||||||
|
FZ25□.Z |
87 |
180 |
20 |
38 |
6 |
22.8 |
100 |
70 |
180 |
150 |
120 |
15 |
12 |
|||||||||||||||||||||||||||||
|
FZ50□.Z |
101 |
220 |
30 |
60 |
8 |
33.3 |
110 |
80 |
210 |
180 |
145 |
15 |
12 |
|||||||||||||||||||||||||||||
|
FZ100□.Z |
119 |
290 |
35 |
60 |
10 |
38.3 |
140 |
100 |
290 |
250 |
185 |
20 |
12 |
|||||||||||||||||||||||||||||
|
FZ200□.Z |
146 |
340 |
45 |
84 |
14 |
48.8 |
160 |
120 |
330 |
280 |
210 |
22 |
15 |
|||||||||||||||||||||||||||||
|
FZ400□.Z |
183 |
398 |
50 |
84 |
14 |
53.8 |
180 |
130 |
390 |
330 |
250 |
27 |
19 |
|||||||||||||||||||||||||||||
|
注:1.L0、D为推荐尺寸。 2.止口支撑式中空心轴配合长度不小于L。 3.止口支撑式中空心轴可为通孔,也可为不通孔。 |
||||||||||||||||||||||||||||||||||||||||||



