|
ZWZA型直流电磁铁块式制动器 |
||||||||||||||||||||||||||||||||||||||||||||||||||||||||||||
|
使用条件:1.相当标准JB/ZQ 4386—1997 ZWZ型,多用于旧设备维修。 2.允许接电次数:720次/h。 3.允许周围介质温度:65℃。 标记示例:ZWZA500-Ⅱ制动器 JB/ZQ 4386—1997; ZWZA——直流瓦块电磁铁制动器;500——制动轮直径;Ⅱ——第Ⅱ类线圈。 |
||||||||||||||||||||||||||||||||||||||||||||||||||||||||||||
|
表1 技术参数 |
||||||||||||||||||||||||||||||||||||||||||||||||||||||||||||
|
制 动 器 型 号 |
ZWZA400 |
ZWZA500 |
ZWZA600 |
ZWZA700 |
ZWZA800 |
|||||||||||||||||||||||||||||||||||||||||||||||||||||||
|
制动力矩 /N·m |
通电持 续率 |
JC 25% |
线 圈 并 联 |
1500 |
2500 |
5000 |
8000 |
12500 |
||||||||||||||||||||||||||||||||||||||||||||||||||||
|
线圈串联 |
额定电流60% |
1500 |
2500 |
5000 |
8000 |
12500 |
||||||||||||||||||||||||||||||||||||||||||||||||||||||
|
额定电流40% |
900 |
1500 |
3000 |
4800 |
7500 |
|||||||||||||||||||||||||||||||||||||||||||||||||||||||
|
JC 40% |
线 圈 并 联 |
1200 |
1900 |
3550 |
5750 |
9100 |
||||||||||||||||||||||||||||||||||||||||||||||||||||||
|
线圈串联 |
额定电流60% |
1200 |
1900 |
3550 |
5750 |
9100 |
||||||||||||||||||||||||||||||||||||||||||||||||||||||
|
额定电流40% |
550 |
1000 |
2050 |
3250 |
5550 |
|||||||||||||||||||||||||||||||||||||||||||||||||||||||
|
JC 100% |
线 圈 并 联 |
550 |
850 |
1550 |
2800 |
4400 |
||||||||||||||||||||||||||||||||||||||||||||||||||||||
|
退 距/mm |
1.5 |
1.75 |
2.0 |
2.25 |
2.5 |
|||||||||||||||||||||||||||||||||||||||||||||||||||||||
|
主 弹 簧 安 装 要 求 |
||||||||||||||||||||||||||||||||||||||||||||||||||||||||||||
|
ZWZA400 |
ZWZA500 |
ZWZA600 |
ZWZA700 |
ZWZA800 |
||||||||||||||||||||||||||||||||||||||||||||||||||||||||
|
制动 力矩 /N·m |
安装力 /N |
安装 长度 /mm |
制动 力矩 /N·m |
安装力 /N |
安装 长度 /mm |
制动 力矩 /N·m |
安装力 /N |
安装 长度 /mm |
制动 力矩 /N·m |
安装力 /N |
安装 长度 /mm |
制动 力矩 /N·m |
安装力 /N |
安装 长度 /mm |
||||||||||||||||||||||||||||||||||||||||||||||
|
1500 |
4350 |
218 |
2500 |
6030 |
252 |
5000 |
11000 |
334 |
8000 |
14000 |
340 |
12500 |
18600 |
480 |
||||||||||||||||||||||||||||||||||||||||||||||
|
1200 |
3600 |
234 |
1900 |
4550 |
277 |
3550 |
7760 |
390 |
5750 |
10000 |
392 |
9100 |
13600 |
544 |
||||||||||||||||||||||||||||||||||||||||||||||
|
900 |
2700 |
253 |
1500 |
3600 |
293 |
3000 |
6560 |
410 |
4800 |
8400 |
413 |
7500 |
11200 |
574 |
||||||||||||||||||||||||||||||||||||||||||||||
|
550 |
1650 |
274 |
1000 |
2400 |
313 |
2050 |
4500 |
444 |
3250 |
5700 |
450 |
5550 |
8200 |
612 |
||||||||||||||||||||||||||||||||||||||||||||||
|
— |
— |
— |
850 |
2040 |
319 |
1550 |
3400 |
462 |
2800 |
4900 |
460 |
4400 |
6550 |
634 |
||||||||||||||||||||||||||||||||||||||||||||||
|
型 号 |
ZWZA400 |
ZWZA500 |
ZWZA600 |
ZWZA700 |
ZWZA800 |
|||||||||||||||||||||||||||||||||||||||||||||||||||||||
|
线圈与电压 |
JC/% |
电阻 20℃ /Ω |
功率 /W |
附加 电阻 型号 |
电阻 20℃ /Ω |
功率 /W |
附加 电阻 型号 |
电阻 20℃ /Ω |
功率 /W |
附加 电阻 型号 |
电阻 20℃ /Ω |
功率 /W |
附加 电阻 型号 |
电阻 20℃ /Ω |
功率 /W |
附加 电阻 型号 |
||||||||||||||||||||||||||||||||||||||||||||
|
并联线圈技术数据 |
线圈种类Ⅰ |
110V |
25 |
14.15 |
900 |
— |
12.6 |
1010 |
— |
9.6 |
1330 |
— |
6.85 |
1860 |
— |
5.2 |
2400 |
— |
||||||||||||||||||||||||||||||||||||||||||
|
40 |
630 |
ZF1-4 |
725 |
ZF1-4 |
940 |
ZF1-4 |
1370 |
ZF2-3 |
1740 |
ZF2-3 |
||||||||||||||||||||||||||||||||||||||||||||||||||
|
100 |
870 |
ZF1-4 |
415 |
ZF1-4 |
540 |
ZF2-3 |
800 |
ZF2-3 |
1010 |
ZF2-3 |
||||||||||||||||||||||||||||||||||||||||||||||||||
|
220V |
25 |
1500 |
ZF2-6 |
1700 |
ZF2-6 |
2100 |
ZF2-6 |
3200 |
ZF3-1 |
3920 |
ZF3-1 |
|||||||||||||||||||||||||||||||||||||||||||||||||
|
40 |
1100 |
ZF2-6 |
1230 |
ZF2-6 |
1610 |
ZF2-6 |
2400 |
ZF3-1 |
2930 |
ZF3-1 |
||||||||||||||||||||||||||||||||||||||||||||||||||
|
100 |
660 |
ZF2-3 |
765 |
ZF2-3 |
990 |
ZF2-6 |
1420 |
ZF2-6 |
1710 |
ZF3-1 |
||||||||||||||||||||||||||||||||||||||||||||||||||
|
440V |
25 |
2680 |
ZF3-1 |
3010 |
ZF3-1 |
3950 |
ZF3-2 |
5700 |
ZF3-2 |
7170 |
ZF3-2 |
|||||||||||||||||||||||||||||||||||||||||||||||||
|
40 |
2070 |
ZF3-1 |
2300 |
ZF3-1 |
3010 |
ZF3-1 |
4400 |
ZF3-1 |
5460 |
ZF3-2 |
||||||||||||||||||||||||||||||||||||||||||||||||||
|
100 |
1270 |
ZF2-6 |
1420 |
ZF3-1 |
1840 |
ZF3-1 |
2890 |
ZF3-1 |
3320 |
ZF3-2 |
||||||||||||||||||||||||||||||||||||||||||||||||||
|
|
线圈种类 |
ZWZ400 |
ZWZ500 |
ZWZ600 |
ZWZ700 |
ZWZ800 |
||||||||||||||||||||||||||||||||||||||||||||||||||||||
|
额 定 电 流 /A |
||||||||||||||||||||||||||||||||||||||||||||||||||||||||||||
|
通 电 持 续 率 |
||||||||||||||||||||||||||||||||||||||||||||||||||||||||||||
|
15% |
25% |
40% |
15% |
25% |
40% |
15% |
25% |
40% |
15% |
25% |
40% |
15% |
25% |
40% |
||||||||||||||||||||||||||||||||||||||||||||||
|
串联线圈技术数据 |
Ⅱ |
96.5 |
75 |
59 |
201 |
156 |
123 |
209 |
162 |
128 |
302 |
234 |
185 |
595 |
460 |
363 |
||||||||||||||||||||||||||||||||||||||||||||
|
Ⅲ |
139 |
108 |
85.5 |
316 |
245 |
193 |
300 |
233 |
184 |
715 |
555 |
438 |
1355 |
1050 |
830 |
|||||||||||||||||||||||||||||||||||||||||||||
|
Ⅳ |
192 |
149 |
118 |
495 |
383 |
302 |
510 |
395 |
312 |
1175 |
910 |
720 |
— |
— |
— |
|||||||||||||||||||||||||||||||||||||||||||||
|
Ⅴ |
231 |
179 |
141 |
— |
— |
— |
630 |
490 |
387 |
— |
— |
— |
— |
— |
— |
|||||||||||||||||||||||||||||||||||||||||||||
|
Ⅵ |
268 |
208 |
164 |
— |
— |
— |
— |
— |
— |
— |
— |
— |
— |
— |
— |
|||||||||||||||||||||||||||||||||||||||||||||
|
Ⅶ |
346 |
268 |
212 |
— |
— |
— |
— |
— |
— |
— |
— |
— |
— |
— |
— |
|||||||||||||||||||||||||||||||||||||||||||||
|
注:1.生产厂家为焦作制动器有限公司。 2.天水长城控制电器厂生产同类型产品,型号为 |
||||||||||||||||||||||||||||||||||||||||||||||||||||||||||||
|
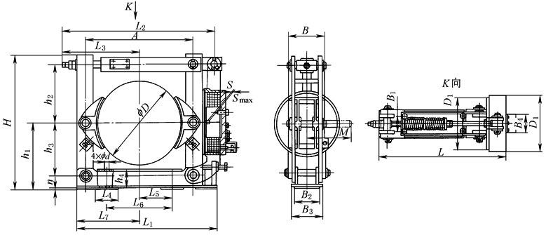
表2 基本尺寸 mm |
||||||||||||||||||||||||||||||||||||||||||||||||||||||||||||
|
制动器型号 |
A |
B |
B1 |
B2 |
B3 |
B4 |
D |
D1 |
d |
H |
h1 |
h2 |
h3 |
h4 |
|
ZWZA-400 |
520 |
180 |
90 |
150 |
170 |
150 |
400 |
350 |
28 |
670 |
320 |
300 |
250 |
90 |
|
ZWZA-500 |
640 |
200 |
100 |
172 |
190 |
150 |
500 |
410 |
28 |
825 |
400 |
375 |
315 |
115 |
|
ZWZA-600 |
780 |
240 |
126 |
210 |
230 |
150 |
600 |
500 |
42 |
965 |
475 |
420 |
380 |
140 |
|
ZWZA-700 |
890 |
280 |
150 |
248 |
270 |
150 |
700 |
577 |
42 |
1115 |
550 |
495 |
430 |
172 |
|
ZWZA-800 |
1020 |
320 |
180 |
278 |
300 |
150 |
800 |
650 |
42 |
1250 |
600 |
580 |
480 |
176 |
|
制动器型号 |
L |
L1 |
L2 |
L3 |
L4 |
L5 |
L6 |
L7 |
M |
n |
S |
Smax |
质量/kg |
|
|
ZWZA-400 |
915 |
720 |
830 |
388 |
100 |
170 |
340 |
315 |
320 |
4 |
2 |
3 |
168 |
|
|
ZWZA-500 |
1040 |
845 |
950 |
450 |
120 |
205 |
410 |
380 |
340 |
4 |
2.3 |
3.5 |
339 |
|
|
ZWZA-600 |
1263 |
1020 |
1153 |
560 |
160 |
250 |
500 |
465 |
420 |
4 |
2.7 |
4 |
500 |
|
|
ZWZA-700 |
1395 |
1140 |
1285 |
628 |
160 |
305 |
610 |
525 |
480 |
4 |
3 |
4.5 |
689 |
|
|
ZWZA-800 |
1555 |
1290 |
1445 |
690 |
160 |
350 |
700 |
600 |
540 |
4 |
3.3 |
5 |
881 |
|

