|
安全离合器的计算 |
||||||||||||
|
表1 |
||||||||||||
|
牙嵌安全离合器 |
钢珠安全离合器 |
多盘安全离合器 |
||||||||||
|
|
|
|
||||||||||
|
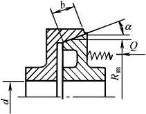
(a) 端面牙(牙盘:中心弹簧)
|
(a) 端面钢珠(钢珠对钢珠、钢珠对牙; 中心弹簧、分散弹簧) |
R2=(1.5~2)d R1=(0.5~0.6)R2 |
||||||||||
|
|
|
圆锥安全离合器
|
||||||||||
|
(b) 径向牙(销钉,分散弹簧) |
(b) 径向钢珠(钢珠对牙;分散弹簧) |
b=(0.15~0.25)Rm |
||||||||||
|
型式 |
计算项目 |
计算公式 |
说 明 |
|||||||||
|
牙 嵌 安 全 式 |
计算转矩 |
Tc=βTt |
Tt——需传递转矩,N·cm μ1——滑键或滑销的摩擦因数,μ1=0.15~0.17 Ap——牙面挤压面积,cm2 β——安全系数,一般取β=1.35~1.40 z——牙数 ρ——工作面摩擦角,(°),一般取ρ=5°~6° Rm——牙面平均半径,cm zj——计算牙数,zj=(1/2~1/3)z μ——工作面摩擦因数,μ=tan ρ≈0.1 α——牙面工作倾角,α=30°~50°。一般取α=45° σpp——许用挤压应力,N/mm2,见表牙嵌离合器材料与许用应力中表2 d,l——见本表图中标注 |
|||||||||
|
弹簧终压紧力 |
|
|||||||||||
|
端面牙 |
|
|||||||||||
|
径向牙 |
|
|||||||||||
|
弹簧初压紧力 |
Q1=(0.85~0.90)Q2 |
|||||||||||
|
牙面抗压应力 |
|
|||||||||||
|
钢 珠 安 全 式 |
计算转矩 |
Tc=βTt |
Tc——计算转矩,N·cm z——钢珠数,一般z=6~8 μ——工作面摩擦因数μ=tanρ≈0.1 Pnp——钢珠许用正压力,N,见表2 β——安全系数,一般取β=1.2~1.25 Rm——工作面平均半径,cm ρ——工作面摩擦角,一般取ρ=5°~6° μ1——滑键式钢珠的摩擦因数,μ1=0.15~0.17 α——工作面倾斜角,直径相同的钢珠对钢珠,α=30°~50°;通常取45°;钢珠对牙,α=30°~45° Tt——需传递转矩,N·cm d,l——见本表图中标注 |
|||||||||
|
弹簧终压紧力 |
|
|||||||||||
|
端面钢珠(中心弹簧) |
|
|||||||||||
|
端面钢珠(分散弹簧) |
|
|||||||||||
|
径向钢珠 |
|
|||||||||||
|
弹簧初压紧力 |
Q1=(0.85~0.90)Q2 |
|||||||||||
|
钢珠数量 |
|
|||||||||||
|
多 盘 摩 擦 式 |
计算转矩 |
Tc=βTt |
Tc——计算转矩,N·cm i——摩擦片数 m——摩擦面对数,m=i-1 pp——许用压强,N/cm2,见表摩擦元件的材料、性能及适用范围 β——安全系数,一般取β=1.2~1.25 μ——摩擦因数,见表摩擦元件的材料、性能及适用范围 Rm——平均摩擦半径,cm
α——锥角,一般取α=20°~30° b——摩擦面宽,cm Tt——需要传递的转矩,N·cm |
|||||||||
|
弹簧终压紧力 |
|
|||||||||||
|
摩擦面压强 |
|
|||||||||||
|
圆 锥 摩 擦 式 |
计算转矩 |
Tc=βTt |
||||||||||
|
弹簧终压力 |
|
|||||||||||
|
摩擦面压强 |
|
|||||||||||
|
表2 钢珠的许用正压力Pnp |
||||||||||||
|
钢珠直径d0 /mm |
11 |
12 |
14 |
16 |
20 |
24 |
28 |
32 |
||||
|
Pnp/N |
160 |
180 |
200 |
220 |
280 |
340 |
400 |
500 |
||||






