|
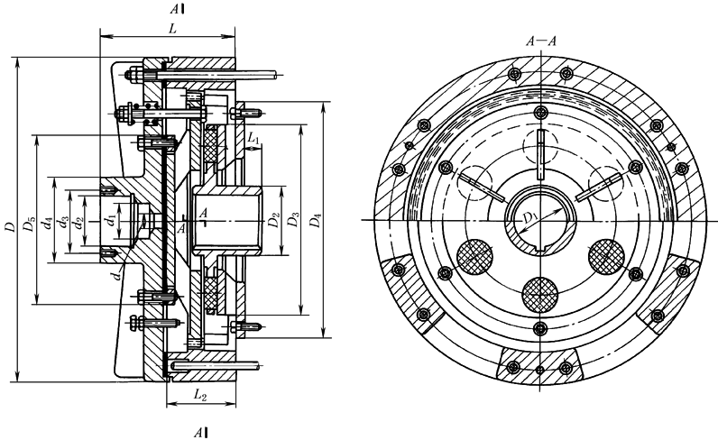
隔膜式圆盘摩擦块离合器的参数和尺寸 mm |
||||||||||||||||
|
|
||||||||||||||||
|
可传递转矩 /N·m |
空气压力 /MPa |
D |
D1 |
D2 |
D3 |
D4 |
D5 |
L |
L1 |
L2 |
d |
d1 |
d2 |
d3 |
d4 |
质量 /kg |
|
392 |
0.31 |
440 |
60 |
90 |
260 |
330 |
230 |
220 |
39 |
85 |
20 |
50 |
72 |
85 |
120 |
75 |
|
785 |
0.29 |
490 |
70 |
100 |
280 |
350 |
300 |
230 |
49 |
85 |
20 |
50 |
72 |
85 |
120 |
84 |
|
1570 |
0.30 |
600 |
80 |
120 |
360 |
430 |
330 |
245 |
60 |
90 |
20 |
50 |
72 |
85 |
120 |
135 |
|
3090 |
0.33 |
650 |
90 |
130 |
450 |
520 |
440 |
285 |
60 |
110 |
25 |
52 |
80 |
95 |
140 |
195 |
|
6180 |
0.33 |
780 |
100 |
160 |
530 |
610 |
560 |
295 |
71 |
120 |
25 |
52 |
80 |
95 |
140 |
268 |
|
12263 |
0.34 |
930 |
125 |
180 |
650 |
700 |
680 |
335 |
76 |
140 |
25 |
52 |
80 |
95 |
140 |
435 |
|
17658 |
0.34 |
1020 |
140 |
210 |
730 |
810 |
750 |
355 |
96 |
140 |
25 |
52 |
80 |
95 |
140 |
525 |
|
24525 |
0.39 |
1120 |
160 |
240 |
830 |
920 |
810 |
425 |
118 |
165 |
42 |
75 |
110 |
130 |
160 |
737 |
|
34826 |
0.36 |
1250 |
180 |
260 |
900 |
1000 |
950 |
455 |
148 |
165 |
42 |
75 |
110 |
130 |
160 |
906 |
|
49050 |
0.35 |
1400 |
200 |
300 |
1020 |
1120 |
1060 |
525 |
178 |
190 |
42 |
75 |
110 |
130 |
160 |
1273 |
|
69651 |
0.39 |
1500 |
220 |
320 |
1160 |
1260 |
1110 |
545 |
198 |
190 |
42 |
75 |
110 |
130 |
160 |
1469 |

